Най - вълнуващия въпрос зимно време.
чет окт 18, 2018 6:41 pmfbr написа:
чет окт 18, 2018 4:21 pmТрифон П.Трифонов написа:

РС на топлата тръба
Тъй, тъй, и после тема, защо системата се пълни с въздух.
Хахааа, здрасти ФБРто!
Пак фащаш лошата, с цитат на избран и орязан абзац.
Написал съм кък тряба, амаааа.........
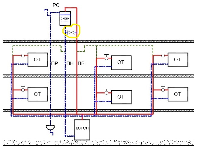
РС има 4 дупки;
-топла
-студена
-сигнална
-преливник
Ти колко системи изгради така?
Ако имаш добро да насочиш и помогнеш, обърни се към питащия.
Просто не се заяждай- понятно?!!!
чет окт 18, 2018 4:48 pmangelzdravkov написа:
... какъв разширителен съд да си взема като ми изпратите снимка или линк и ако може да ми кажете какъв точно да търся за да го свърша и към студената?
И още един въпрос за тази схема отворен тип какви тръби да си взема , какви бихте ми препоръчали?
РС- всеки от железарията с обем поне 10% обема на инсталацията.
Като погледнеш схемата от първия ми пост, ше се сетиш как да го свържеш.
Ако разбираш руски

Изборът е твой или на майсторът ти.
Аз работя само с мед, но не съм майстор-инсталатор, а работя за себе си. Така го правя у дома.
Скоро ще споделя и фото сесия ще има, на разширението на отоплителната ми инсталация.

ФБРто, на теб оставям да препоръчаш обезвъздушителите и ти препоръчвам внимателно да прочетеш всички мнения!
Карай по кротко!
чет окт 18, 2018 7:01 pmТрифон П.Трифонов написа:
чет окт 18, 2018 4:48 pmangelzdravkov написа:
... какъв разширителен съд да си взема като ми изпратите снимка или линк и ако може да ми кажете какъв точно да търся за да го свърша и към студената?
И още един въпрос за тази схема отворен тип какви тръби да си взема , какви бихте ми препоръчали?
РС- всеки от железарията с обем поне 10% обема на инсталацията.
Като погледнеш схемата от първия ми пост, ше се сетиш как да го свържеш.
Ако разбираш руски

Изборът е твой или на майсторът ти.
Аз работя само с мед, но не съм майстор-инсталатор, а работя за себе си. Така го правя у дома.
Скоро ще споделя и фото сесия ще има, на разширението на отоплителната ми инсталация.

Мерси още веднъж за помощта ти. Пращам снимка с всичко което ми каза и да ми кажеш още нещо което мога да оправя ако има нещо нередно.
И на схемата която ми прати това което съм оградил в жълто какво е?

Прикачен файл

23-1.jpg
23-1.jpg (96.02 KиБ) Видяна 1901 пъти

Прикачен файл

нтгоо.jpg
нтгоо.jpg (47 KиБ) Видяна 1901 пъти
borchoyor - специалист
чет окт 18, 2018 10:57 amangelzdravkov написа:
Първо искам да се извиня за може би малко глупавите въпроси ,който ще кажа. Наистина имам желанието да се справя сам с това. Прочетох много мнения , изгледах много клипове в интернет и куп още информация и малко се обърках.Навярно има и други такива запитвания като мен , но не успях да ги открия. До известна степен като много голям аматьор мисля, че мога да се справя с направата на тази схема.Относно системата:
Спрял съм се на отворена система с помпа . Ще приложа СНИМКА и ще съм благодарен да ми кажете къде бъркам и какво мога да направя за да е по добре, моля ви помогнете . ИСКАМ ДА ВИ ПОМОЛЯ СЪЩО ДА МИ КАЖЕТЕ КАК ДА НАПЪЛНА СИСТЕМАТА ( ОТ КЪДЕ , КАК ДА РАЗБЕРА ДАЛИ Е ПЪЛНА КАТО ЦЯЛО ЦЯЛАТА ПРОЦЕДУРА ЗА НАПЪЛВАНЕТО И ОБЕЗВЪЗДУШАВАНЕТО) . Схемата е проста за стая и сравнително среден хол с кухня се отнася. Да вметна че съм изчислил каква камина,радиатори ми трябват както и самото връзване на системата но от там нататък не успях да разбера. Много ще съм благодарен ако някой ми каже как да го направя. Още веднъж се извинявам за незнанието от моя страна и да ви благодаря предварително за хората който ще отделят от времето си да ми кажат !
Сложи РС на най-дългата линия, мисля че на схемата ти е в дясно, ако можеш де, на студената вода, напълни през РС, ако можеш, за да няма язви допълнително или кран на колектора на печката ... И за пълнене и за източване. Сложи си кранове и горе и долу на радиаторите, сложи по един обезвъздушител, обезвъздуши помпата като напълниш, следи до средата на РС, обезвъздуши радиаторите, долей вода през рс, сложи ups, явно си на един етаж и си глей кефа на топло, кви са тия филтри, глупости, 5 тръби до рс и т.н. или без ups просто затваряш печката да не гори без ток респ помпа. Туй то😀
Последна промяна от borchoyor на чет окт 18, 2018 8:54 pm, променено общо 1 път.
Какво питаш? Да монтираш въпросния кран ли?
Може да не го слагаш, според мен.
Можеш да свържеш РС само към топлата тръба. Така ще осигуриш необходим преднапор на помпата.
На радиаторите постави секретни кранове и ръчни обезвъздушители.
Пълниш инсталацията, обезвъздушаваш, затваряш ръчните обезвъздушители и палиш.
ФБРто има в предвид, че докато работи системата, помпата ще дърпа въздух от някъде, като възможно място са обезвъздушителите. Автоматични не се ползват в отворена система. При ръчните няма такава възможност, а и правилно подбраните тръби, мощност и скорост, на помпата, изключват стойности на подналягане, които да доведат до засмукване на въздух.
Ако свържеш РС само към студената...
-няма да има поява на въздух в системата.
-при завиране, парата си остава в системата!!! изхвърля се първо по хладна вода, парата още е там и ако не са метални тръбите, почва да топи наред.

Здрастииии, ФБРто!!!
Аз имам доблестта да се извиня, когато съм грешил или съм бил груб.
Ти явно си дребна душица, ама дано аз да съм грешен, а ти жив и здрав!
borchoyor - специалист
Не е баш така за авт. обезвъздушители и за рс на студената, не знам фбр, ама аз мога да споря, от опит де...😃
чет окт 18, 2018 9:04 pmborchoyor написа:
Не е баш така за авт. обезвъздушители и за рс на студената, не знам фбр, ама аз мога да споря, от опит де...😃
Почвай! Няма да преча.
За ''напрайх си го сам'', няма проблем, но съвети се старая да давам както е ''по книга''.
andy_forresite - майстор
Ангеле, бойлерът от камината ли ще се топли? Питаха те в банята ще има ли лира. Гледам мислиш да слагаш в стаята с камината 2 радиатора. Няма ли да е много на това помещение?
Ако си намислил 2 малки радиатора, то може да се мине с един по-голям.
Двама имате такава камина. Колко е мощността й?
чет окт 18, 2018 10:02 pmandy_forresite написа:
Ангеле, бойлерът от камината ли ще се топли? Питаха те в банята ще има ли лира. Гледам мислиш да слагаш в стаята с камината 2 радиатора. Няма ли да е много на това помещение?
Ако си намислил 2 малки радиатора, то може да се мине с един по-голям.
Двама имате такава камина. Колко е мощността й?
Не няма да има в банята тя е далече и когато по натам ще е свързвам. Просто дойде един човек който се занимава с това и ми каза така че ако е само с един в спалнята където е ще завира много лесно водата и ще излиза през разширителя, защото разстоянието е малко. Камина е ПРИТИ и е 12 кв. 8 на ризата и 4 от нея

Тема "Локални парно , Моля за съвет" | Включи се в дискусията:


Сподели форума:

Бъди информиран. Следвай "Направи сам" във Facebook:

Намери изпълнител и вдъхновения за дома. Следвай MaistorPlus във Facebook: