Трябват си литиеви батерии какъвто и да е вид само да не са оловни за баири и не само
Съвети от майстори за майстори. Полезни проспособления и инструменти.
sasko12345
- специалист
3070 мнения в "Електровелосипед"
kartell
- напреднал
- Мнения: 26
Здравейте, вчера отварях контролера да проверя за въпросните кондензатори и има няколко на 63V и няколко малки на 25V. Кита е от скот 500W 36V мисля да му сложа още 12V днес пък ще видим какво ще стане. С зареждането ще е малко кофти, понеже не ми се купува ново зарядно, защото като се скапят батериите мисля да минавам на по добри. Гледам, че доста хора вече карат с различни видове литиеви батерии, та въпроса ми е към тях от къде са ги взимали и горе долу кои излизат най-добре като цена - качество?
zec ingenering
- специалист
- Мнения: 118
sasko , Спомням си, че pesho135 скоро продаваше за без пари едно такова зарядно (за оловни36V), кво стана, харизал ли го е вече или нещо е кофти, щото аз също си търся такова?
zec ingenering
- специалист
- Мнения: 118
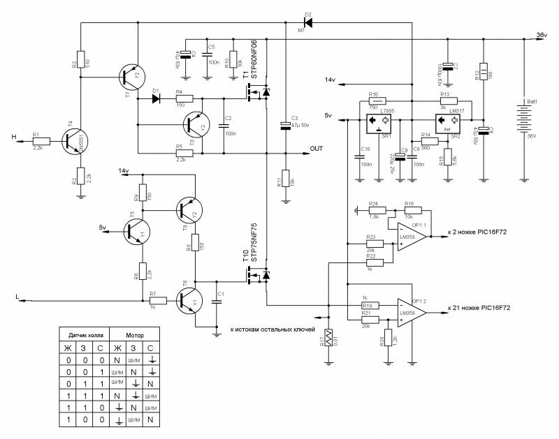
Е тва е от първия ми КИТ. Ако някой го интересуват схеми или друго - казвайте да качвам.
China_controller_top.jpg (30 KиБ) Видяна 4812 пъти
China_controller_bottom.jpg (22.46 KиБ) Видяна 4812 пъти
Прикачен файл:
China_controller_top.jpg (30 KиБ) Видяна 4812 пъти
Прикачен файл:
China_controller_bottom.jpg (22.46 KиБ) Видяна 4812 пъти
ludiagsm
- специалист
- Мнения: 359
Колега дай верно некви схеми , защото онзи ден думнах един контролер, 48волта 1000вата . +52 волта му беше подаден на +входа и по невнимание не бях изолирал мъжките кабелни обувки на проводниците на хол сензорите и кабела -52 волта от батерията се докосна до +5 волта захранващия на хол сензорите и контролера неработи. Отворих го видимо нищо не е изгоряло. но нямам захранване +5 волта нито към хол сензорите нито към тротъла , предполагам че е нещо дребно от сорта на 7805 смд вариянт ,или някое предпазителче ,ще съм ти много благодарен ако ми помогнеш със схема или съвет
пп: един от хол сензорите на мотора също е заминал пуснах го на друг контролер и ми дава +4,7 волта постоянно на изхода си независимо дали се върти мотора или не ,та в понеделник ще купувам и хол сензор.
пп: един от хол сензорите на мотора също е заминал пуснах го на друг контролер и ми дава +4,7 волта постоянно на изхода си независимо дали се върти мотора или не ,та в понеделник ще купувам и хол сензор.
Subsa
- специалист
- Мнения: 358
75V транзистори, може да изкараш и 14,4V*5=72V батерии, но работата ще е наистина на косъм!!
Сега трябва да си с 14.4V*4=57.8V
Така като го гледам са реализирали 3 пълни моста за всяка намотка на двигателя, жиците към двигателя 3 ли са или 2?
Ако имаме пълната електрическа схема на контролера, можем да правим подобрения и модификации.
То какво става, като увеличаваш напрежението се увеличава мощността и оборотите на мотора и от там скоростта?
Интересно ми е стабилизира ли оборотите или колкото повече, толкова повече ?
Сега трябва да си с 14.4V*4=57.8V
Така като го гледам са реализирали 3 пълни моста за всяка намотка на двигателя, жиците към двигателя 3 ли са или 2?
Ако имаме пълната електрическа схема на контролера, можем да правим подобрения и модификации.
То какво става, като увеличаваш напрежението се увеличава мощността и оборотите на мотора и от там скоростта?
Интересно ми е стабилизира ли оборотите или колкото повече, толкова повече ?
zec ingenering
- специалист
- Мнения: 118
Е те това са схемите на този тип контролери, има и други дето е използван друг процесор и са премахнати допълнителните CMOS чипове, обаче всичко останало с известни вариации е практически същото на всички контролери (захранване, драйвери на фетовете, входно/изходни вериги, филтиране и силова част). Винаги захранването на Hall сензорите идва от +5в през диод 1N4007 предназначението на които е при пробив (скъсване, окъсяване) в кабела на мотора да предпази ВСИЧКО от полазване на +ХХ волта по платката. В конкретния случай незнам какво точно е станало.
Subsa, Двигателите и контр. дето ги коментираме в момента са трифазни и имат по 3 силови жици, теа дет са с 2 са обикновени четкови мотори и контролерите са им доста по-различни. А по отношение на обороти/напрежение нещата са мноого интересни, ама за днес толкова.
Надявам се да съм бил полезен на всички!

MCU.jpg (60.15 KиБ) Видяна 4921 пъти
FET.jpg (47.9 KиБ) Видяна 4921 пъти
Subsa, Двигателите и контр. дето ги коментираме в момента са трифазни и имат по 3 силови жици, теа дет са с 2 са обикновени четкови мотори и контролерите са им доста по-различни. А по отношение на обороти/напрежение нещата са мноого интересни, ама за днес толкова.
Надявам се да съм бил полезен на всички!
Прикачен файл:
MCU.jpg (60.15 KиБ) Видяна 4921 пъти
Прикачен файл:
FET.jpg (47.9 KиБ) Видяна 4921 пъти
Тема "Електровелосипед" | Включи се в дискусията:
Сподели форума:
Бъди информиран. Следвай "Направи сам" във Facebook:
Намери изпълнител и вдъхновения за дома. Следвай MaistorPlus във Facebook:
Имаш нужда от подходящ професионалист за дома?
- Преустройство, ремонт и реновиране
- ↳ Вашите ремонти
- ↳ Кухня
- ↳ Баня
- ↳ Дневна
- ↳ Спалня
- ↳ Детска
- ↳ Градина
- ↳ Коридор
- ↳ Тераса и балкон
- Направи сам
- ↳ Направи сам
- ↳ Ремонтирай сам
- ↳ Къде е по-евтино?
- ↳ Дърводелство
- ↳ Ел. инструменти
- ↳ Металообработване
- ↳ Конкурс "Направи сам 2012"
- Строителство
- ↳ Всичко за вилата
- ↳ Къщи
- ↳ Саниране
- ↳ Хидроизолация
- ↳ Пасивни и нискоенергийни сгради
- Сухо строителство
- ↳ Окачени тавани
- ↳ Преградни стени и предстенни обшивки
- ↳ Сухи и повдигнати подове
- ↳ Декоративни елементи - колони, трегери, сводове и др.
- ↳ Всичко за гипскартона и гипсфазера
- Въпроси и Отговори
- ↳ Полезни съвети
- ↳ Автомобили
- ↳ Партньори
- ↳ Боядисване и Декориране
- ↳ Вентилация, климатици и термопомпи
- ↳ Водоснабдяване и канализация.
- ↳ Всичко за ремонта
- ↳ Електротехника
- ↳ Отопление
- ↳ Газификация
- ↳ Електроника и Схеми
- ↳ Газобетон
- ↳ От всичко по малко
- ↳ Компютри и периферия
- ↳ Уеб дизайн, PHP, MySQL, JavaScript, HTML..
- ↳ Мобилни устройства, GSM-и
- ↳ Нека се запознаем
- ↳ Recycle Bin
- Статии
- ↳ Практични решения
- ↳ Качване на снимки
- ↳ Какви статии искате?
- ↳ Готварство, туршии и зимнина
- ↳ Отмора и шеги
- ↳ От нищо нещо
- ↳ Не е за вярване
- ↳ Литература
- ↳ Връзки към Интересни сайтове
- Магазин
- ↳ Препоръки и Мнения за он-лайн магазина
- ↳ Крадeни инструменти !!!
