Всичко свързано с тоците ми е слабост, опитайте се да ме затрудните.
nikolov333 - майстор
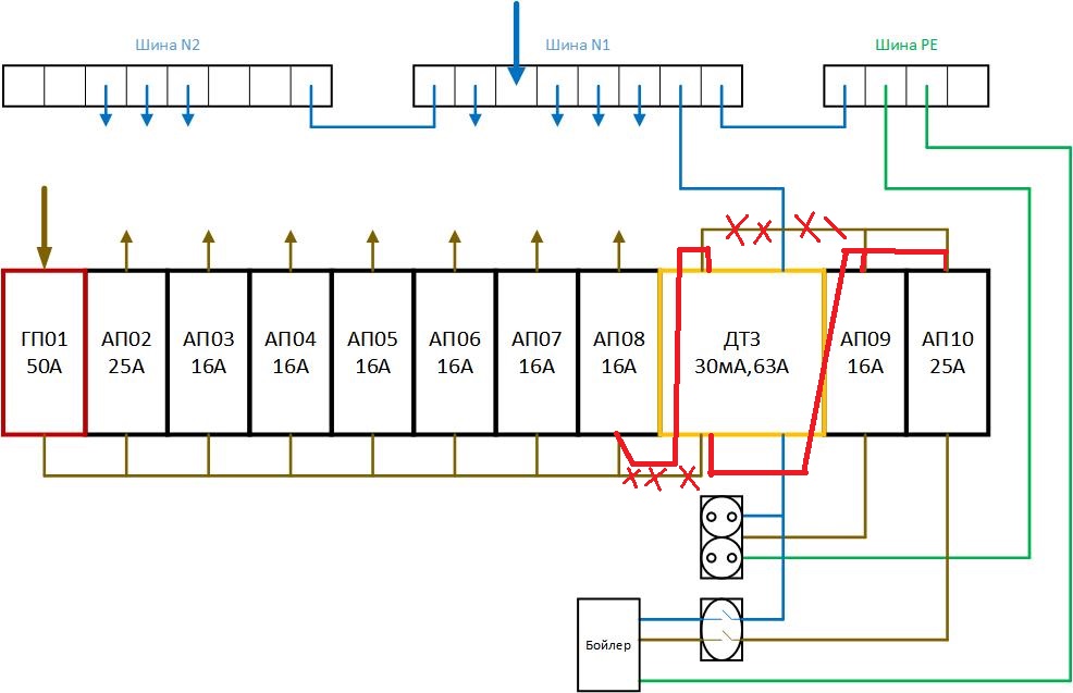
Ако схемата е точна си разменил входа и изхода на нулата в ДТЗ.. Трябва да размениш местата на двата нулеви проводника..
mironcho - специалист
ДТЗ-то е вързано противопосочно според схемата. Задължително входовете са от едната страна - горе

повтарям предното, докато го нарисувам...

Прикачен файл

El tablo.jpg
El tablo.jpg (101.6 KиБ) Видяна 2704 пъти
Направих корекцията успешно и вече изглежда наред.
Благодаря на включилите се и специално на mironcho и nikolov333 за бързата и коректната насока. Досадна грешка от моя страна.
Бъдете здрави!
Kondor1 - специалист
На една пристройка са опънати кабели за осветление и 2-3 контакта. За съжаление няма отделно трасе за осветлението и контактите, а са отклонения от общ кабел. Въпросът е дали слагането на ДТЗ ще има някаква полза и ще работи нормално (без неоснователни изключвания)? Включването на лампите дали могат да смущават ДТЗ? Другият въпрос е за предложение на марка/модел на ДТЗ комбинирана с 1 бушон на някаква приемлива цена?
Lakolaz - помощник
Здравейте, имам малко лаишки въпрос и се надявам да не ме нахраните с отговорите му.
Така, живея в къща и бойлерът ми е в котелното заедно с пелетния котел. Преди време смених бойлерът с нов, като нагревателят му е с най обикновен капсулован щепсел. По незнайни причини техникът, който връзва всичко така е направил, че в момента не е заземен, в смисъл че заземяващият кабел изобщо не е свързан в щепсела. Въпросът ми е: възможно ли е след като отстраня това недоразумение, да се сложи по някакъв начин ДТЗ вътре в котелното между нагревателя и инсталацията, тъй като все пак имам две малки деца и не е без значение безопасността за мен. Виждам, че ДТЗ по форма са пригодени за монтаж само на таблото с предпазители, та ако има някой да даде съвет ще съм много благодарен.
muhala - майстор
пет окт 01, 2021 3:12 pmLakolaz написа:
Здравейте, имам малко лаишки въпрос и се надявам да не ме нахраните с отговорите му.
Така, живея в къща и бойлерът ми е в котелното заедно с пелетния котел. Преди време смених бойлерът с нов, като нагревателят му е с най обикновен капсулован щепсел. По незнайни причини техникът, който връзва всичко така е направил, че в момента не е заземен, в смисъл че заземяващият кабел изобщо не е свързан в щепсела. Въпросът ми е: възможно ли е след като отстраня това недоразумение, да се сложи по някакъв начин ДТЗ вътре в котелното между нагревателя и инсталацията, тъй като все пак имам две малки деца и не е без значение безопасността за мен. Виждам, че ДТЗ по форма са пригодени за монтаж само на таблото с предпазители, та ако има някой да даде съвет ще съм много благодарен.
Може. Правиш си едно малко пластмасово табло, а в него ДТЗ и един контакт за DIN шина или бойлера направо вързан в таблото без щепшсели.
Ако си с двупроводна инсталация:
- разделяш нулата на работна и защитна.
- подаваш фаза и работна нула на ДТЗ
- изхода на защитата към бойлера
- защитната нула отива на корпус или на защитните клеми на контакта.
- работна и защитна нула не трябва да се обединяват след ДТЗ.

И най- сигурно е ако спираш бойлера като се къпете.
Lakolaz - помощник
пет окт 01, 2021 3:19 pmmuhala написа:
пет окт 01, 2021 3:12 pmLakolaz написа:
Здравейте, имам малко лаишки въпрос и се надявам да не ме нахраните с отговорите му.
Така, живея в къща и бойлерът ми е в котелното заедно с пелетния котел. Преди време смених бойлерът с нов, като нагревателят му е с най обикновен капсулован щепсел. По незнайни причини техникът, който връзва всичко така е направил, че в момента не е заземен, в смисъл че заземяващият кабел изобщо не е свързан в щепсела. Въпросът ми е: възможно ли е след като отстраня това недоразумение, да се сложи по някакъв начин ДТЗ вътре в котелното между нагревателя и инсталацията, тъй като все пак имам две малки деца и не е без значение безопасността за мен. Виждам, че ДТЗ по форма са пригодени за монтаж само на таблото с предпазители, та ако има някой да даде съвет ще съм много благодарен.
Може. Правиш си едно малко пластмасово табло, а в него ДТЗ и един контакт за DIN шина или бойлера направо вързан в таблото без щепшсели.
Ако си с двупроводна инсталация:
- разделяш нулата на работна и защитна.
- подаваш фаза и работна нула на ДТЗ
- изхода на защитата към бойлера
- защитната нула отива на корпус или на защитните клеми на контакта.
- работна и защитна нула не трябва да се обединяват след ДТЗ.

И най- сигурно е ако спираш бойлера като се къпете.
Благодаря за отговора. Винаги се старая да го изключвам преди къпане, но това не означава че жена ми го прави. Инсталацията е трипроводна все пак къщата е 2006г. Значи с две думи режа щепсела и връзвам ДТЗ по схемата му някак си закачено за стената. А да дадете съвет с какви параметри трябва да е? Нагревателят мисля че беше 3.5 киловата. Имат ли значение параметрите на ДТЗ спрямо предпазителя на бойлера?
Lakolaz - помощник
пет окт 01, 2021 3:39 pmLakolaz написа:
пет окт 01, 2021 3:19 pmmuhala написа:
пет окт 01, 2021 3:12 pmLakolaz написа:
Здравейте, имам малко лаишки въпрос и се надявам да не ме нахраните с отговорите му.
Така, живея в къща и бойлерът ми е в котелното заедно с пелетния котел. Преди време смених бойлерът с нов, като нагревателят му е с най обикновен капсулован щепсел. По незнайни причини техникът, който връзва всичко така е направил, че в момента не е заземен, в смисъл че заземяващият кабел изобщо не е свързан в щепсела. Въпросът ми е: възможно ли е след като отстраня това недоразумение, да се сложи по някакъв начин ДТЗ вътре в котелното между нагревателя и инсталацията, тъй като все пак имам две малки деца и не е без значение безопасността за мен. Виждам, че ДТЗ по форма са пригодени за монтаж само на таблото с предпазители, та ако има някой да даде съвет ще съм много благодарен.
Може. Правиш си едно малко пластмасово табло, а в него ДТЗ и един контакт за DIN шина или бойлера направо вързан в таблото без щепшсели.
Ако си с двупроводна инсталация:
- разделяш нулата на работна и защитна.
- подаваш фаза и работна нула на ДТЗ
- изхода на защитата към бойлера
- защитната нула отива на корпус или на защитните клеми на контакта.
- работна и защитна нула не трябва да се обединяват след ДТЗ.

И най- сигурно е ако спираш бойлера като се къпете.
Благодаря за отговора. Винаги се старая да го изключвам преди къпане, но това не означава че жена ми го прави. Инсталацията е трипроводна все пак къщата е 2006г. Значи с две думи режа щепсела и връзвам ДТЗ по схемата му някак си закачено за стената. А да дадете съвет с какви параметри трябва да е? Нагревателят мисля че беше 3.5 киловата. Имат ли значение параметрите на ДТЗ спрямо предпазителя на бойлера?
А какво правим със заземителния проводник? Връзвам на живо двата края или ?
muhala - майстор
пет окт 01, 2021 4:17 pmLakolaz написа:
...
А какво правим със заземителния проводник? Връзвам на живо двата края или ?
Щом си с трипроводна защита правиш така като на картинката по-долу.
Ако бойлера е на отделен предпазител 16 или 20 А тогава взимаш една ДТЗ клас C 20А и си готов.
Ако бойлета е на кръг и с други консуматори или предпазителя е повече от 20А (например 25А), тогава си сложи комбиниранта ДТЗ с АП 16А. Има такива. В един корпус са ДТЗ и АП.
Прикачен файл:
product_large_44249.jpg
product_large_44249.jpg (23.68 KиБ) Видяна 1692 пъти
Lakolaz - помощник
пет окт 01, 2021 10:58 pmmuhala написа:
пет окт 01, 2021 4:17 pmLakolaz написа:
...
А какво правим със заземителния проводник? Връзвам на живо двата края или ?
Щом си с трипроводна защита правиш така като на картинката по-долу.
Ако бойлера е на отделен предпазител 16 или 20 А тогава взимаш една ДТЗ клас C 20А и си готов.
Ако бойлета е на кръг и с други консуматори или предпазителя е повече от 20А (например 25А), тогава си сложи комбиниранта ДТЗ с АП 16А. Има такива. В един корпус са ДТЗ и АП.
product_large_44249.jpg
На отделен предпазител е, и даже чрез него го включвам. Ако правилно разбирам схемата заземяването е дадено през шукото, което при мен ще бъде отрязано. Значи връзвам заземителните проводници на инсталцията и на нагревателя на живо или с лустер клема и съм готов?

Тема "Дефектно токова защита" | Включи се в дискусията:


Сподели форума:

Бъди информиран. Следвай "Направи сам" във Facebook:

Намери изпълнител и вдъхновения за дома. Следвай MaistorPlus във Facebook: