Място за идеи и желания за проектиране и изработка на готови проекти.
lyubohar - майстор
Хидразине,не си обезценявай знанията с безмислени постове.Има някакъв проблем с форума и постовете излизат със закъснение.
Може да съдействаш на администраторите да го оправят ако знеш как.
А такива писания излизат като заяждане!
preslav - майстор
вт яну 12, 2021 9:33 amyanko78 написа:
Има ли начин, автоматично да се пусне бойлера, в апартамент с централно парно, когато не работи парното (профилактика и т.н.). Съответно, когато си дойде топлата вода да се самоизключва?
Има начин, но е неоправдано скъпо и сложно за реализация. Някой трябва да каже на бойлера, че централната вода не е топла и той да се включи - това е лесно за реализация, но не особено надеждно защото топлата вода може да е спряла само за няколко часа, може да е спряла водата от ВиК и т.н. От там нататък "някой" трябва да затвори крана на централната топла вода и да отвори крана на бойлера (вероятно два крана, в зависимост от реализацията на системата). Крановете с електрически задвижки са безумно скъпи за такова начинание, с пневмо задвижки също, а и въздух трябва и т.н. монтажни работи, настройки. Ръчното е най-просто и най-надеждно, а и профилактиките са най-много по веднъж годишно.
hidrazin - майстор
вт яну 12, 2021 11:22 amlyubohar написа:
Хидразине,не си обезценявай знанията с безмислени постове.Има някакъв проблем с форума и постовете излизат със закъснение.
ПРОБА, ПРОБА, ПРОБА, 1, 2, 3...
:partyman:
P.S. Да има забавяне от около 2,5 секунди.
Просто стойте мирно и не пишете безсмислени постове.
Jacomo - специалист
вт яну 12, 2021 9:33 amyanko78 написа:
Има ли начин, автоматично да се пусне бойлера, в апартамент с централно парно, когато не работи парното (профилактика и т.н.). Съответно, когато си дойде топлата вода да се самоизключва?
Има, 2 задвижки, 2 темп датчика, 1 контактор и малко електроника.

Датчик 1 - закачен е за циркулационния щранг.
Датчик 2 - закачен е за бойлера.
Задвижка 1 - спира/пуска топлата вода от щранга
Задвижка 2 - спира/пуска топлата вода от бойлера
Контактор - спира/пуска бойлера

Логика:
Докато темп. на щранга е над 45 градуса - изключи бойлера, отвори Задвижка 1 и затвори Задвижка 2
иначе Докато темп. на щранга е под 45 градуса - пусни бойлера
Докато темп. на бойлера > от темп. на щранга - затвори Задвижка 1 и отвори Задвижка 2

Като трябва после малко тунинговане да има накакъв хистерезис, за да не става цък-цък
yanko78 - специалист
Изказвам най искрените си извинения на hidrazneshtia, че без да искам, съм си дублирал темите и благодаря на вписалите по темата.
вт яну 12, 2021 6:18 pmJacomo написа:
вт яну 12, 2021 9:33 amyanko78 написа:
Има ли начин, автоматично да се пусне бойлера, в апартамент с централно парно, когато не работи парното (профилактика и т.н.). Съответно, когато си дойде топлата вода да се самоизключва?
Има, 2 задвижки, 2 темп датчика, 1 контактор и малко електроника.

Датчик 1 - закачен е за циркулационния щранг.
Датчик 2 - закачен е за бойлера.
Задвижка 1 - спира/пуска топлата вода от щранга
Задвижка 2 - спира/пуска топлата вода от бойлера
Контактор - спира/пуска бойлера

Логика:
Докато темп. на щранга е над 45 градуса - изключи бойлера, отвори Задвижка 1 и затвори Задвижка 2
иначе Докато темп. на щранга е под 45 градуса - пусни бойлера
Докато темп. на бойлера > от темп. на щранга - затвори Задвижка 1 и отвори Задвижка 2

Като трябва после малко тунинговане да има накакъв хистерезис, за да не става цък-цък
като изтине тръбата като не се ползва дълго пак ще се пусне... няма смисъл. повечето нови бойлери загряват за 30 мин няма икономически смисъл от тази система дори и да е накараш да работи :partyman:
Jacomo - специалист
Как така да изтине тръбата? Водата в топлия и циркулационния щранг нали принудително се върти от помпа през топлообменника, за да може да е винаги готов щрангът да предостави топла вода към апартамента?
ср яну 13, 2021 4:08 pmJacomo написа:
Как така да изтине тръбата? Водата в топлия и циркулационния щранг нали принудително се върти от помпа през топлообменника, за да може да е винаги готов щрангът да предостави топла вода към апартамента?
а дали?
Jacomo - специалист
ср яну 13, 2021 10:31 pmgogobyte написа:
ср яну 13, 2021 4:08 pmJacomo написа:
Как така да изтине тръбата? Водата в топлия и циркулационния щранг нали принудително се върти от помпа през топлообменника, за да може да е винаги готов щрангът да предостави топла вода към апартамента?
а дали?
Аз вече казах, ти ще кажеш защо не е вярно.
Прикачен файл:
1.jpg
1.jpg (36 KиБ) Видяна 1576 пъти
kozl - майстор
вт яну 12, 2021 9:44 amAndri01 написа:
Пресостат на топлата вода и невъзвратен клапан.
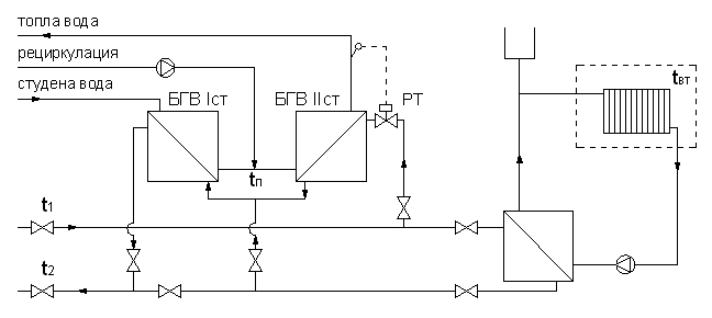
Andri01 за ТЕЦ, пресостата няма да помогне. Там налягане ще има от незатоплена вода. Трябва температурен датчик на вертикалния щранг и при условие, че циркулацията работи. Логическо у-во, което като отчете продължителен спад на Т да подаде команда за затваряне на задвижка към СК за топлата вода и също такова за отваряне на крана за вход студена вода в бойлера + сигнал към контактор за включване на нагряването.
Това по темата.
За повторенията и на мен се е случва. За да не трия като се забави публикация на отговор отварям нов прозорец и си гледам собствените мнения. Обичайно в новия джам мнението се е появило, а в стария още е в размисъл :roll:

Тема "Автоматично включване на бойлер?" | Включи се в дискусията:


Сподели форума:

Бъди информиран. Следвай "Направи сам" във Facebook:

Намери изпълнител и вдъхновения за дома. Следвай MaistorPlus във Facebook: