• 1
  • 9
  • 10
  • 11
  • 12
  • 13
  • 73
Всичко свързано с тоците ми е слабост, опитайте се да ме затрудните.
sts - специалист
BLUEPUPIL с каква цел цитирате таблиците от пожарната наредба.
Всеки специалист трябва да е запознат с наредбите и да ги спазва.
Във всеки проект за къща е написана групата към която попада.
Също избраните табло и кабели на кой член от наредбата отговарят.
Фундаментни заземители предписвам само на големи складове и навеси.
Ако ще се отглеждат животни цялата арматурна мрежа на пода се заварява
и се заземява в много точки към заземителен контур около сградата.
Ако се ползват в сградата метални клетки или съоражения и те се заземяват
към вътрешен контур и тогава се свързват към външния.
Предпочитам изолирана мълниезащита за къща макар да е III категория.
gogo7777 - майстор
нед авг 27, 2023 4:25 pmBLUEPUPIL написа:
Чл. 239. ......

Лелеее, що не одиш за хайвер....ако намериш свиркай......обожавам го

:drinkers:
BLUEPUPIL - майстор
нед авг 27, 2023 4:48 pmsts написа:
BLUEPUPIL с каква цел цитирате таблиците от пожарната наредба.
Всеки специалист трябва да е запознат с наредбите и да ги спазва.
Във всеки проект за къща е написана групата към която попада.
Също избраните табло и кабели на кой член от наредбата отговарят.

Целта е повече от ясна, да изясним:
1..Може ли, да се ползват PVC компоненти в ел. инсталацията на къща в непосредствена близост до горими материали като дърво, XPS, EPS, (PVC)сайдинг, ламинат и пр. и т.н.? :?:
2..Тези които искат високи нива на безопасност и модерни ел. инсталации не е ли по-добре да ползват метални кутии? :?:

New non-combustible enclosure requirement for consumer units
Amendment No. 3 to BS 7671:2008 (IET Wiring Regulations Seventeenth Edition), which was
published in January and comes into effect on 1 July, will include a new regulation requiring
consumer units and similar switchgear assemblies in domestic premises to have a noncombustible enclosure.
The wording of the regulation is as follows:421.1.201 Within domestic (household) premises, consumer units and similar
switchgear assemblies shall comply with BS EN 61439-3 and shall:
i. have their enclosure manufactured from non-combustible material, or
ii. be enclosed in a cabinet or enclosure constructed of non-combustible material and
complying with Regulation 132.12.
NOTE 1: Ferrous metal e.g. steel is deemed to be an example of a non-combustible material
NOTE 2: The implementation date for this regulation is the 1st January 2016. This does not
preclude compliance with this regulation prior to this date.
BS EN 61439-3, mentioned in the regulation, is entitled Distribution boards intended to be
operated by ordinary persons (DBO).

Reason for the new regulation
Regulation 421.1.201 was introduced because of reports from fire investigators of a recent
trend of increasing numbers of fires involving consumer units having a moulded thermoplastic
enclosure.
The cause of the fires investigated was almost invariably found to be resistance heating as a
result of poor electrical connections due to poor workmanship or lack of maintenance.
Examples of such poor workmanship are thought to include:
 failure to tighten neutral conductor connections to the same torque as line conductor
connections due to a misconception that neutral conductors carry less current,
 inadvertently taking cable insulation inside the terminal at a connection, resulting in
the securing screw or clamp of the terminal not making proper contact with the
conductor,
 failure to check factory installed connections for tightness where required to do so by
the manufacturer, and
 tightening connections to an incorrect torque and/or with inappropriate tools.
The crucial importance of checking that all electrical connections are properly made, and of
taking remedial action where necessary, should never be forgotten.
Whilst the main cause of fire within plastic consumer unit enclosures is without doubt poor
workmanship, other potential causes of fire within plastic consumer unit enclosures are
thought to include:
 the type of internal components, such as where terminations have only one securing
screw or are of the 'cage clamp' type), and
 where increased heat transfer to the enclosure is caused by the close proximity an
internal item, such as a neutral bar or a conductor terminated at the neutral bar and
protruding above it.


С думи прости от 2016 в UK не се допускат (за нови сгради) „пластмасови“ „кутии и кутийки“. Вариантите са два. Метални или PVC отново в метални.
Основната причина за затягане на мерките е resistance heating, резултат от „лоши“ връзки.
нед авг 27, 2023 5:56 pmgogo7777 написа:
Лелеее, що не одиш за хайвер....ако намериш свиркай......обожавам го
Хайверът е сервиран: :lol:
1) The best solution now and for the long-term is to replace the plastic consumer unit as soon as you can with a metal one.
Най-добро решение- замяна на PVC с метал.
2) If for some reason you cannot replace the unit just now it must be enclosed
in a 30-minute re-proof compartment immediately
Временно решение- „опаковка“ на PVC-то с материал издържащ на 30 мин. огън.





Прикачен файл:
1.jpg
1.jpg (82.73 KиБ) Видяна 1950 пъти

Прикачен файл:
2.jpg
2.jpg (86.9 KиБ) Видяна 1950 пъти

Прикачен файл:
3.jpg
3.jpg (44.56 KиБ) Видяна 1950 пъти

Прикачен файл:
4.jpg
4.jpg (34.5 KиБ) Видяна 1950 пъти

Прикачен файл:
5.jpg
5.jpg (81.99 KиБ) Видяна 1950 пъти



BLUEPUPIL - майстор
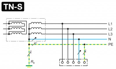
Преди да започнем „окабеляването“, малко инфо за „пътя на тока“ до вашето главно ел. табло.
Отскоро се появи нова „фукня“.
–Нашата ел. инсталация е TN-S.

TN-S
Среща се все още много рядко. Например в много големи сгради, комплекс от сгради или еднофамилни къщи от затворен тип, при които е изграден и трафопост. От него „излизат“ към къщите три фази, нула и земно. Къщите нямат собствена ел. заземителна уредба, а само мълниезащитна. Българите по принцип са свръх критични и успяват да изтъкнат някой кусури на TN-S.
1..Скъпи;
2..Сравнително високи стойности на тока при късо съединение.



Прикачен файл:
101.jpg

Прикачен файл:
102.jpg

Прикачен файл:
103.png
103.png (30.09 KиБ) Видяна 1855 пъти

Прикачен файл:
104.jpg
BLUEPUPIL - майстор
TN-C-S
Проектантът на вашата ел. инсталация най-вероятно ще я проектира като TN-C-S. От трафопоста „излизат“ три фази и нула и при (част от) стълбовете има заземител. ЕРП-то ви прокарват за монофазен ток (отново най-вероятно) трижилен кабел с фаза, нула и заземяване, което ще „допълните“ със заземителната с-ма на ел. инсталацията. На практика системата на доставчика на ел. енергия е TN-C, която в главното ви табло чрез заземителната ви с-ма се превръща в TN-C-S.



Прикачен файл:
1.jpg

Прикачен файл:
2.jpg

Прикачен файл:
3.jpg

Прикачен файл:
4.png
4.png (104.27 KиБ) Видяна 1855 пъти


Най-важно е да запомните, че след обособяването на два отделни терминала (медни шини) за нула (N) и земно (PE), по-нататък по трасето на кабелите, никога и никъде не се „срещат“, няма пряка връзка между нула (N) и земно (PE). И така стигаме до прозрението, че ел. линиите във вашата къща са трипроводни (трижилни), състоящи са от фаза (L), нула/ неутрален (N) и земно/защитен (PE).
BLUEPUPIL - майстор
Миналата седмица посрещнахме представители
на едни инвеститори (купувачи). Завряха се
дори в едно от ел. таблата и ме застреляха със
следния въпрос, защо на входа няма монтиран
двуполюсен прекъсвач, който да прекъсва и
фазата и нулата, а е наличен само такъв,
който прекъсва фазата? Веднага се усещам,
че в странство съм виждал такова нещо и
звъня на проектанта. Тя не можа да даде
смислен отговор. Правилото, че нула не се
прекъсва осигурява добра и сигурна връзка.
Въпреки това трябва да споменем, че има
прекъсване на нулата при дефектнотокова
защита (ДТЗ).
Какво казва наредба 3?
========================================
Раздел VI
Изпълнение и защита на мрежи за осветителни уредби
Чл. 1913. Забранява се прекъсване на неутрален проводник (N) чрез монтиране предпазители или прекъсвачи.
========================================
Чл. 54. За незабавно прекъсване на електрозахранването в случаите на внезапно възникнала опасност се предвижда устройство за прекъсване, което да бъде лесно разпознаваемо и бързо и ефективно задействано.
========================================
17. "Разединяване" е действие, чрез което се осигурява изключване на напрежението на цялата уредба или на част от нея, като за целите на безопасността уредбата или съответната част от нея се отделя от всички източници на електрическа енергия.
========================================
(4) Не се допускат във веригите на РЕ и РЕN проводници комутиращи елементи (контактни и безконтактни). Допускат се съединения, които се демонтират само с помощта на инструмент или специално предназначени за тази цел съединители.
========================================
Чл. 1803. (1) Когато ЗП е предназначен за защита срещу поражение от електрически ток и запалване или само от запалване, изисква се прекъсването на веригите на фазовия и неутралния проводник.

........................................................................................................................
На следните снимки и видео има прекъсвач
на нулата и много ясно се вижда, че ДТЗ е
след това прекъсване, т.е. имаме второ
„прекъсване“ на нулата.



Прикачен файл:
1.png

Прикачен файл:
2.jpg
2.jpg (58.55 KиБ) Видяна 1853 пъти

Прикачен файл:
3.jpg
3.jpg (70.2 KиБ) Видяна 1853 пъти

Прикачен файл:
4.png

Прикачен файл:
5.JPG






Явно препоръките са с цел безопасност
и касаят ел. инсталацията като цяло.
Въпреки това няма изрична забрана,
защото се допуска „прекъсване“ в ДТЗ.
Следователно преди всичко останало,
в главното табло би трябвало да е
допустимо да се монтира прекъсвач
(осигуряващ достатъчно надежден
контакт на нулата).
valentino76bs - майстор
:-D
BLUEPUPIL - майстор
Валидол няма да ти помогне. Ако искаш да си very happy
както емотикона, който си постнал ще ти трябва нещо по-силно и с друг хим.
състав.
:wink:



Прикачен файл:
1.jpg
1.jpg (110.66 KиБ) Видяна 1827 пъти

Прикачен файл:
2.png

Прикачен файл:
30.jpg

Прикачен файл:
4.jpg
4.jpg (17.79 KиБ) Видяна 1827 пъти

Прикачен файл:
5.png






valentino76bs - майстор
Абе както са тръгнали нещата това двупроводно прекъсване ще дойде и у нас .
BLUEPUPIL - майстор
Натъкваме се и на още едно противоречие, нарушаващо правилото за не прекъсване на нулата. В ел. инсталации по БДС, в ключа за осветлението е прекъсната нулата. =======================================
Примерите по горе са от UK.
Как е в USA и Канада?
една фаза 120V, 60Hz
две фази 240V (печка, съдомиялна)
Първа фаза-черно
Втора фаза-червено
Неутрален-бяло
Земя-зелено
Доставчикът на ел. енергия не прекъсва нулата в главния прекъсвач при електромера.



Прикачен файл:
10.jpg

Прикачен файл:
11.jpg
11.jpg (95.4 KиБ) Видяна 1763 пъти

Прикачен файл:
12.jpg

Прикачен файл:
13.jpeg

Прикачен файл:
14.jpg


US National Electrical Code (NEC)

404.2(B) „A switch or circuit breaker shall be permitted to disconnect a grounded circuit conductor where all circuit conductors are disconnected simultaneously or where the device is arranged so that the grounded conductor cannot be disconnected until all the ungrounded conductors of the circuit have been disconnected.“

430.85 “one pole of the controller shall be permitted to be placed in a permanently grounded conductor, provided the controller is designed so that the pole in the grounded conductor cannot be opened without simultaneously opening all conductors of the circuit.”

430.105 “One pole of the disconnecting means shall be permitted to disconnect a permanently grounded conductor, provided the disconnecting means is designed so that the pole in the grounded conductor cannot be opened without simultaneously disconnecting all conductors of the circuit.”


При вече влязла в захранвания имот нула, (извън таблото с електромера и главния прекъсвач), тя може да се прекъсва в главното табло. Условието е прекъсвачът да осигури едновременно прекъсване и на фазата и на нулата. Което не допуска използването на еднополюсен прекъсвач за нулата. При монофазна с-ма, прекъсвачът, трябва да е двуполюсен и да гарантира едновременно прекъсване и на фазата и на нулата. И пак да повторя, кое е най важното за този прекъсвач, трябва да осигури много добър контакт на нулата. Какво значи много добър контакт? Достатъчно контактна площ, притискана с достатъчна по стойност сила за съответния ампераж.
Последна промяна от BLUEPUPIL на съб сеп 02, 2023 1:52 pm, променено общо 1 път.
  • 1
  • 9
  • 10
  • 11
  • 12
  • 13
  • 73

Тема "Как да си направя ел. инсталацията?" | Включи се в дискусията:


Сподели форума:

Бъди информиран. Следвай "Направи сам" във Facebook:

Намери изпълнител и вдъхновения за дома. Следвай MaistorPlus във Facebook: