Най - вълнуващия въпрос зимно време.
omegaart - напреднал
Здравейте ,

мисля че няма по подходящо място за задавена на въпроса от тук.

Обмислям полагането на подово + термопомпа въздух/вода в къща до София ( 10км )

Къщата в момента е вдигната и е на шпакловка, съответно тепърва ми предстои всичко.

Интересува ме приблизителни цени за всичко нужно от слагането на изолация на пода през полагането на търбите до полагането на замаската.

Става въпрос за около 120 квадрата живуща площ.

Засега чувам много и разногласни неща като цени и имам съмнения , че на 2-3 места ме послъгват доволно понеже имам 0-леви познания по тематиката.

Ще съм ви много благодарен за съвети отностно всичко ( отделно бая изчетох от вашите писания назад в темата и продължавам да чета ).
шоп - майстор
нед сеп 09, 2018 11:42 amВалери Найденов написа:


Аз имам 10 кръга до 50 метра, защото има и по 35 метра два кръга. Грундфус 25/40 s130 ще свърши ли работа?
Предполагам, който е изчислявал подовото е сметнал дебита/съпротивлението и от там помпата:-)

Имайте в предвид, че един плавен завой на 90градуса добавя 30 см към дължината на линията
един обратен завой на 180 градуса добавя 63см към дължината на линията.

Горното е при тръба ф16х2
За справка https://valtec.ru/document/calculate/flash.html

При положение, че няма план на полагане никой не може да каже дали помпа с напор 4 метра ще свърши работа.

По усет и без да имам възможност да смятам, за тръба ф16 през 15 см, 10 кръга помпа с напор 4 м ще е на ръба или ще сте разочарован от нея.
Все пак е за предпочитане помпа с напор 6 м, която работи на степен 2 от 3 пред помпа изпърженана макс 3 от 3 степени:-)))
Още по добре пома с напор 8м, която работи на степен 1 от 3 възможни.
При топлоизтоник камина, студен старт и желане екстерно бързо затопляне тази конфигурация е за предпочитане.

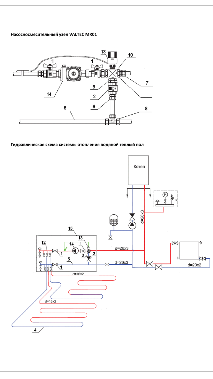
П.П. Смесителен вентил е нужен :idea:
filmatoplo - майстор
:? С помпа 25/4 не знам дали ще има нужния дебит да направи температурна разлика на водата вход-изход в подовото -5 градуса , ако няма дебит тази разлика се вдига на 10 гр и повече -площта се отделя на топли и студени зони и е вредно за камината ако е свързана директно .Говоря как се прави ,иначе газ на камината на 50-60 гр ще връща в нея 40-50 гр и готово -конденз монденз кой ти гледа :wink: .
Валери Найденов - напреднал
вт сеп 11, 2018 5:00 pmшоп написа:
нед сеп 09, 2018 11:42 amВалери Найденов написа:


Аз имам 10 кръга до 50 метра, защото има и по 35 метра два кръга. Грундфус 25/40 s130 ще свърши ли работа?
Предполагам, който е изчислявал подовото е сметнал дебита/съпротивлението и от там помпата:-)

Имайте в предвид, че един плавен завой на 90градуса добавя 30 см към дължината на линията
един обратен завой на 180 градуса добавя 63см към дължината на линията.

Горното е при тръба ф16х2
За справка https://valtec.ru/document/calculate/flash.html

При положение, че няма план на полагане никой не може да каже дали помпа с напор 4 метра ще свърши работа.

По усет и без да имам възможност да смятам, за тръба ф16 през 15 см, 10 кръга помпа с напор 4 м ще е на ръба или ще сте разочарован от нея.
Все пак е за предпочитане помпа с напор 6 м, която работи на степен 2 от 3 пред помпа изпърженана макс 3 от 3 степени:-)))
Още по добре пома с напор 8м, която работи на степен 1 от 3 възможни.
При топлоизтоник камина, студен старт и желане екстерно бързо затопляне тази конфигурация е за предпочитане.

П.П. Смесителен вентил е нужен :idea:
Благодаря ти! :prayer: Ще сложа помпа с 8м напор и трипътен на камината също и Термо вентил на подовото.
Пак казвам целта е акумолатор на топлина, за това няма изолация под тръбата. Не разчитам че ще стопля за кратко след запалване на камината, на всички ни е ясно че няма да стане. Камината ще гори по цял ден а ноща ще отдава запазената енергия. Това беше замисълът и не съм изчислявал нищо. :-D
Ahmakov - специалист
Незнам какво изчисляваш с тази линийка ,защото аз нямам достъп да я погледна, но попаднах на това, според което помпа 25/ 4 си е напълно достатъчна за 600 метра тръба 16х2...

Прикачен файл

Screenshot_20180913-123431.png

Прикачен файл

Screenshot_20180913-123149.png

Прикачен файл

Screenshot_20180913-123158.png
Screenshot_20180913-123158.png (101.86 KиБ) Видяна 3100 пъти

Прикачен файл

Screenshot_20180913-123206.png
Screenshot_20180913-123206.png (92.79 KиБ) Видяна 3100 пъти
Boyan - специалист
Някой от четящите темата ще има доста да реве с тези малки помпички , които се препоръчват . Дават се примери извадени от контекста на конкретната инсталация и се представят като универсални ...

В горният пост се показва конфигурация със смесителен вентил VALTEC MR01 и помпа WILO Star RS 25/4 . Използва се с цел да се покаже че , помпата била напълно достатъчна за 600 метра тръба 16х2 ...
И това като реплика на пишещите в отговор на въпроса на Валери Найденов ....

Нека да разгледаме тази ситуация :
Господин Найденов , правилно решихте да послушате Шоп и filmatoplo .
Инженер сте и няма да ви е проблем да разберете защо .
Достатъчно е само да погледнете таблицата за пропускливост на цитирания по-горе вентил :

Прикачен файл:
Пропускливост.jpg
Пропускливост.jpg (97.94 KиБ) Видяна 2998 пъти


Не сте дали мощност на камината .
Приемам условно 15 kw.
Колегата filmatoplo спомена защо се стремим към ниска разлика в температурите на вход и изход на кръговете .
При 10 кръга имаме 1,5 киловата на кръг с дължина 50 метра.
За да получим делта 5 градуса ни е нужен поток 260 литра на час през всеки кръг .
За цялото подово имаме 2,6 кубически метра на час .
При този поток хидравличното съпротивление на кръг от тръба Ф16Х2 е 35 - 50 килопаскала , в зависимост от начина на навиване .
През всичките 10 кръга 3,5-5 килопаскала , ако са еднакви .(0,35-0,5 метра воден стълб ).
Имаме и още компоненти , които ще добавят съпротивление .

Но дори и без тях можем да погледнем характеристиката на цитираната помпа и да видим , че е малка за конкретния пример .

Прикачен файл:
Harakteristiki na pompi.jpg
LazarGanev - "Велик майстор"
Както винаги Boyan е изчерпателен и подробен. Само ще си позволя една корекция в условието на задачката - явно грешка от недоглеждане - няма как кръг с дължина 50м да отдава 1,5кВт топлина на пода, нормално се приема 70Вт/м2, или тези 50м ще отдадат 500Вт, ако са наредени нормално през 15см. От това следва, че нужният дебит е 3 пъти по-малък, но помпата 25/4 е пак неподходяща или "почти подходяща". Тоест тя ще е подходяща, ако смекчим малко това изискване за дТ=5 и се съгласим да е малко повече. От изчисленията се вижда, че за достигнем дТ-5 би била достатъчна помпа 25/6. Да си призная за подобни малки обекти аз също се доверявам на инстинкта си, подобно на шоп и filmatoplo, а не се заигравам с подобни изчисления. Инстиктивно и аз бих заложил на помпа 25/8, която ще има повече запас.
Boyan - специалист
вт сеп 11, 2018 2:47 pmomegaart написа:
Здравейте , мисля че няма по подходящо място за задавена на въпроса от тук.
Обмислям полагането на подово + термопомпа въздух/вода в къща до София ( 10км )
Къщата в момента е вдигната и е на шпакловка, съответно тепърва ми предстои всичко.
Интересува ме приблизителни цени за всичко нужно от слагането на изолация на пода през полагането на търбите до полагането на замаската.
Става въпрос за около 120 квадрата живуща площ.
Засега чувам много и разногласни неща като цени и имам съмнения , че на 2-3 места ме послъгват доволно понеже имам 0-леви познания по тематиката.
Ще съм ви много благодарен за съвети отностно всичко ( отделно бая изчетох от вашите писания назад в темата и продължавам да чета ).
Все пак зависи каква цел сте си поставили ...
Ако се търси висока скорост на реакция няма как да е евтино ....
Тук освен скъпата тръба - мед 16х1 имаме и доста екзотична замазка, изисквания за твърда основа и скъпо управление ...
Прикачен файл:
М726-с4.jpg


Други целят да внесат висока мощност за кратко време и след това да оставят подовото да отдава бавно за дълъг период като термоакумулатор .
Стандартното подово е някъде по средата , а като цена излиза може би най-евтино .
С готовите системи се работи лесно и бързо , но излиза скъпо а и някои от тях са силно прехвалени като параметри .
С малко повече труд можете да постигнете цена от примерно 20 лева на квадрат с качествени материали .
Подова изолация + тръби + крепежи + мрежа за замазка + колектори .
А вече пазарлъка със замазкаджиите си е на чист късмет .
Там отдавна съм се отчаял да прогнозирам каквото и да е :)
Колегите могат да ви помогнат много с предложения за цени и марки .
burd - специалист
Привет,
Едно питане към хората, ползващи подово за основно отопление.
На каква темпрература го карате ?
Идеята ми е , понеже съм с комбинация с радиоатори да го модулирам по външна температура. Над замазката ще има гранитогрес. Стайните термостати, през шина ще командват котела. Идеята е каква е темпрературата при -20 и каква да е при +10 ?
Ще слагам модул по външна да го гледа това нещо и трябва да се настрой.
radius - майстор
Това зависи от изолацията ти. Ако е много е едно, ако е средна работа, подовото няма да стига при ниски температури.

Тема "Водно подово отопление" | Включи се в дискусията:


Сподели форума:

Бъди информиран. Следвай "Направи сам" във Facebook:

Намери изпълнител и вдъхновения за дома. Следвай MaistorPlus във Facebook: