• 1
  • 86
  • 87
  • 88
  • 89
  • 90
  • 136
Всичко свързано с въздушния поток, който дишаме.
a_stoev - майстор
В досегашната ми практика спукана тръба съм нямал, но спукани фитинги, много. За съжаление тъй като се занимавам само с ремонти ми е лесно, от бракувани машини си режа колена. Не знам как ги правят в заводите , но нямат следи от огъване, каквито се получават с тръбогиб. Предполагам че е с ролки, на много ходове. Моята препоръка е да избягваш колкото можеш.
Boyan - специалист
maistora1965 написа:
запоявам директно тръбата за боилера или има по добър начин даите идеи.
Може директно , през щуцери с "О" пръстени ... зависи дали искате да може да се демонтира .
Тъпото в случая е , че движението на водата я клати ( може да се скъса отвътре до заварката ) , а когато е хоризонтална и увисва .
Един лесен начин за укрепване е да вземете хром-никелови шпилки примерно Ф6 , с надянат на тях гумен маркуч или термосвиваем шлаух.
Слагате 3 през 120 градуса вътре в готовата спирала и пристягате към витките със кабелни превръзки или бишоп .
Или дори може да заварите шпилките към витките на спиралата със сребърен припой .
Във всички случаи става много здраво , но и шпилките трябва да излязат през стената на балона и да се заварят и те .
Още по маниашко и професионално е да дадете да ви монтират страничен фланец и тази конструкция да е заварена на капака му .
шоп - майстор
Досега направо съм се мъчил с горелка и МАП газ [-X

По съвет на Боян си взех бренер. Ротенбергер, профи серия. Не е евтин, но май си заслужава парите :prayer:

Газокислородното запояване с хубав бренер е направо песен.
Понеже препрявям вътрешната колона от Осаката за воден конвектор се наложи за преправя кондензатора. Изрезах всички стеснения и монтирах изводи 3/4

Понеже фабричните тръби на Осаката са 19мм, а адапторите, които успях да намеря са Ф18х3/4 на струга им пуснах по една стружка до Ф19,2.

С бренерчето, без никакво зачистване и флюс, само с меднофосфорен припой запояването е приказка :supz:


П.П. Да използвам поста и да попитам....знам, че има много ел.спецове четящи темата.
Само с честотен регулатор ли мога да намяля оборотите на монофазния асинхронен двигател на вентилатора на колоната?

Той е трискоростен, но дори и на мин. скорост ми се вижда много мощен. Не е болка за умиране, но ако има решение за 20-30 лв, защо да не се използва?

Прикачен файл

SAM_9529.JPG

Прикачен файл

SAM_9532.JPG

Прикачен файл

SAM_9533.JPG

Прикачен файл

SAM_9534.JPG

Прикачен файл

SAM_9535.JPG
валкиса - специалист
Скоростта на вентилатора е съобразена с топлоотдаването при изпарението на фреон.Площа е много голяма ,ако намалиш отнемането на топлина ще имаш проблем .Ако можеш махни този топлообменник и сложи такъв за вода.
шоп - майстор
@валкиса

колоната вече няма да фреон/въздух

преправям я и става воден вентилаторен конвектор вода/въздух.

Няма как да има проблеми, когато в нея ще циркулира вода с температура 30-32 при отопление и 13-14 градуса, когато колоната ще се използва лятото за охлаждане :idea:
a_stoev - майстор
Не можеш заради работния кондензатор.
filmatoplo - майстор
:) По принцип твърдия припой само с кислородо газова горелка -оксиженче , а преносимите горелки на мап газ са за мек припой .
шоп - майстор
a_stoev написа:
Не можеш заради работния кондензатор.
Знам аз че има уловки и не е толкова лесно намаляването на оборотите на монофазен асинхронен двигател.
Ако беше четков... за 20 лв съм решил въпроса.

Чета за намаляване на оборотите с "хлъзгане" като двигателя се захрани с траф на 110 волта
Имам много качествени и стабилни руски трафове на 127 волта, но не знам дали е редно и дали е безопасно най-вече от пожаробезопасност :?

Иначе честотно управление за монтаж на шина монофазно до 0.75 кв е 170 лв
Не ме бърка да го купя, но питам за решение направи си сам.
Boyan - специалист
шоп написа:
П.П. Да използвам поста и да попитам....знам, че има много ел.спецове четящи темата.
Само с честотен регулатор ли мога да намяля оборотите на монофазния асинхронен двигател на вентилатора на колоната?
Споко :) В чувала с хитринките на бай Ганьо има много начини да подкараш монофазен вентилатор на ниски обороти :)

Става със реостат , с латер ,с трансформатор , със дросел за луминисцентна лампа , с кондензатори , със фазов регулатор ...
За любителска реализация с латер или кондензатори е най-лесно .
https://vikiwat.com/reguliruem-avtotran ... -250v.html
Цитирам 500 ватов латер , защото е китайски и като пише 500 вата е може би 200 .
С латера е готино , защото по всяко време можеш да си промениш оборотите на вкус .
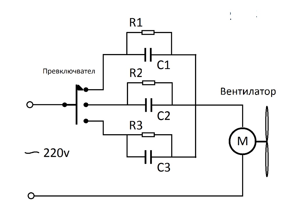
Ако пък те устройват 2-3 предварително избрани степени , става с кондензатори по тази схема :
Прикачен файл:
Степени на вентилатор.jpg
Степени на вентилатор.jpg (59.11 KиБ) Видяна 2082 пъти
Чаркалъците излизат около 10 лева .
Така имаме 3 степени , които нагласяме на вкус , като пробваме със различни кондензатори .
Кондензаторите трябва да са неполярни на 430 волта .
Примерно със 5 микрофарада ще върти едва едва . Със 8 микро ще върти по-бързо и така нататък .
Резисторите са 330 килоома на 1 ват .
Тяхната функция е да разредят кондензаторите , когато са изключени и не е нужно да са различни за различните кондензатори .

П.П. Тези хитринки минават само при някои монофазни двигатели . При вентилатори , центробежни помпи и други в лек режим .
Като намалим напрежението , въртящият момент пада много . Процентно повече , от процента на намаляне на напрежението .
За това Стоев е прав , че не може да се приеме за универсален способ .
Например за компресор в тежък режим не става .
Boyan - специалист
Щях да забравя. Колега Шоп , пази си оригиналните дюзи на бренера .
От работа не се плашат . Плащат се от силен челен удар или от това да ги завреш в нагрятата заварка или в нагрят флюс .
Ротенбергер ги продават отделно , но нямат нищичко общо с оригиналните , които си вървят с новият бренер.
И като ги питаш защо не работят така "мазно" като тези в комплекта , само вдигат рамене и мигат :?
  • 1
  • 86
  • 87
  • 88
  • 89
  • 90
  • 136

Тема "Термопомпи Вода-Вода - всеки може да си направи сам" | Включи се в дискусията:


Сподели форума:

Бъди информиран. Следвай "Направи сам" във Facebook:

Намери изпълнител и вдъхновения за дома. Следвай MaistorPlus във Facebook: