• 1
  • 2
Ако искате да поправите или сте поправили нещо тука е мястото.
Здравейте колеги, имам лек казус и предпочитам да питам:
Преди две години купих за вилата бойлер елдом който вършеше страхотна работа. Проблема дойде след като го забравихме включен за около седмица, а водата поради някакви причини е спирала неколкократно според съседите. Сега естествено не работи и за да го върна към сервиз трябва демонтаж, източване, мъкнене, чакане и после пак мъкнене и пак монтаж. Замерих му веригите и видях, че след термичната защита няма никъде ток, освен по основния кабел до нея. Какво му е според вас??? Не мисля че е нагревател, защото не свети изобщо лампата за захранване, защита няма бутон за реактивиране, какво да търся? :?:
ESPACE - майстор
пон сеп 08, 2025 6:15 pmyavoriliev@mail.bg написа:
защита няма бутон за реактивиране, какво да търся? :?:
Не може да няма
iliya_i - майстор
Термозащитата си има бутонче за включване.
Изображение
Мъничкото червеничко в средата. За да се включи обратно, трябва да се натисне.
При включено състояние е наравно със зеленото, а при изключено стърчи леко напред.
Моята е накаква китайска сива, не прилича на тази. Модела е WY96-17S. Изглежда доста по-различно!
bigdragon - майстор
Заповядай:
Прикачен файл:
81bx0183_37808_998_17247235437849.jpg
81bx0183_37808_998_17247235437849.jpg (74.7 KиБ) Видяна 4325 пъти
iliya_i - майстор
вт сеп 09, 2025 6:25 amyavoriliev@mail.bg написа:
Моята е накаква китайска сива, не прилича на тази. Модела е WY96-17S. Изглежда доста по-различно!
Е добре. Вместо червеничко е черничко, а вместо синичко - сивичко.
Иначе бутончето си е на същото място.
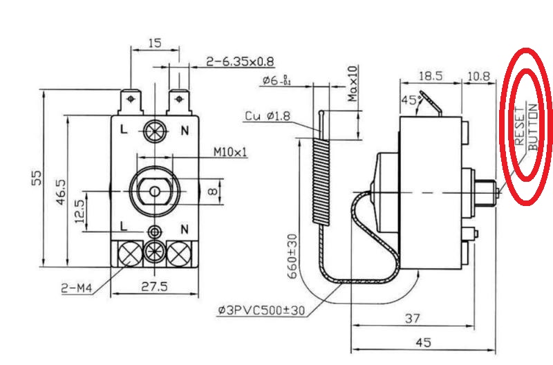
Изображение
:-) Пробвам утре и връщам инфо! Благодаря за инфото! Дано да е това мъката му
kr1100 - майстор
вт сеп 09, 2025 5:28 pmyavoriliev@mail.bg написа:
:-) Пробвам утре и връщам инфо! Благодаря за инфото! Дано да е това мъката му
Eлдомските са 3 г гаранция, и с леко доплащане за 5 г. Правиш си рекламация и да идват. Ти нищо не пипаш
Идват?? Това вече не го знаех, звучи супер! Утре пробвам да включа защитата и пускам коментари отново.
iliya_i - майстор
вт сеп 09, 2025 7:03 pmkr1100 написа:
вт сеп 09, 2025 5:28 pmyavoriliev@mail.bg написа:
:-) Пробвам утре и връщам инфо! Благодаря за инфото! Дано да е това мъката му
Eлдомските са 3 г гаранция, и с леко доплащане за 5 г. Правиш си рекламация и да идват. Ти нищо не пипаш
Елдомските са с 5 г. гаранция, с изключение на една малко по-евтина серия, която е с 3 години.
  • 1
  • 2

Тема "Проблемен бойлер Елдом" | Включи се в дискусията:


Сподели форума:

Бъди информиран. Следвай "Направи сам" във Facebook:

Намери изпълнител и вдъхновения за дома. Следвай MaistorPlus във Facebook: