• 1
  • 2
Ако искате да поправите или сте поправили нещо тука е мястото.
lyubohar - майстор
Перална на сина ми-Ariston AVD109.
Струва ми се,че на пране барабана върти бавно.
На центрофуга е добре.
Ремъка ми се струва,че го проверих преди време.
На моят Аристон когато забележа,че барабана се върти бавно и се колебае сменям кондензатора и готово.
На тази не мога да разбера дали има кондензатор за мотора.
По диаграмата не мога да се ориентирам.
Може ли някой да даде рамо?

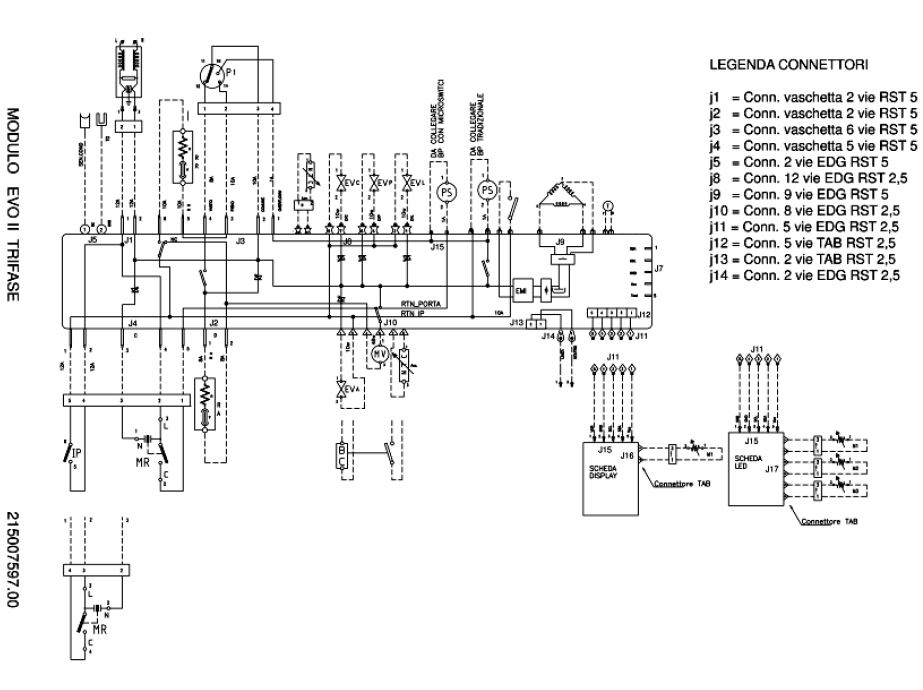
Прикачен файл

Capture Ariston AVD109.JPG
Capture Ariston AVD109.JPG (92.98 KиБ) Видяна 2131 пъти
fox_vt - майстор
Мотора да не е инверторен,ако е няма кондензатор.
lyubohar - майстор
Бавно-бързо пералнята си работи.
Сега проблем с моята.
Пак Ariston,но модела е AS637TX.
Изпомпва водата когато си иска.
Но звук от мотора и има винаги.
Може би затлачена,или и дошло времето за нова.
Някакви идеи?
MamaMy - майстор
Залагам или на боклуци и чорапи в помпата и маркучите или на сцепена перка където се нанизва на оста. Вземи я свали и я разглоби. Дори и нищо да не става от нея поне ще знаеш. Иначе продават и евтини заместители.
Аз си харесах една китайска помпа с мокър ротор. Идейно беше много добра. Има подобен модел помпи за аквариуми висок клас. Ротора е затворен в пластмасов кожух с все турбинката и водата. Намотките са отвън през пластмасата. Да, евтина и китайска. Най-евтината от всички аналози. 24 лв дадох и работи цяла седмица преди да спре. Свалих я, тръгнах да правя дисекция, но спрях. Едното кабелче от намотката скъсано. При опит да я запоя се оказа алуминиева. Приятел бубиньор я пренави с бакър и от тогава две години работи като куче. Много съм доволен :-D
lyubohar - майстор
То за свалянето ще се сваля,но чакам жената да замине за да отворя фронт за работа.
И аз се надявам на боклуци щом като ту работи,ту не работи.Току що изкара пълен цикъл.
Колкото за нова-наблизо ми е магазина.
lyubohar - майстор
Помпата оправена.Имаше някакви ръждясали телове и много мъх.
Как са се промушили тези телове нямам представа.
kozl - майстор
Е те тва се промушва, телове, игли, фиби, осички на играчки, те такива тенки неща :wink:
lyubohar - майстор
Тъпотия,че няма филтър.
Само едно контейнерче на маншона с надеждата да се събират там.Или надежда да се сменят по често помпите. :lol:
fox_vt - майстор
И моята няма филтър но всичко от камъчета до гвоздеи кламери и стотинки се събира в маншона на барабана под вратичката.Как всичко излишно остава там идея си нямам но е доста ефективно :-D
MamaMy - майстор
Най-много ядове създават банелите от сутиени. Така дупчат маншоните и маркучите, че не е истина. А като се заклещят между барабана и нагревателя, имам чувство, че пералнята се разпада.
  • 1
  • 2

Тема "Перална Ariston AVD109" | Включи се в дискусията:


Сподели форума:

Бъди информиран. Следвай "Направи сам" във Facebook:

Намери изпълнител и вдъхновения за дома. Следвай MaistorPlus във Facebook: