• 1
  • 2
Ако искате да поправите или сте поправили нещо тука е мястото.
kiroslavov - специалист
Имах абсолютно същия проблем, но пералнята е Gorenje. Смяна на кондензатор за 8лв и всичко се оправи.
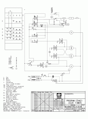
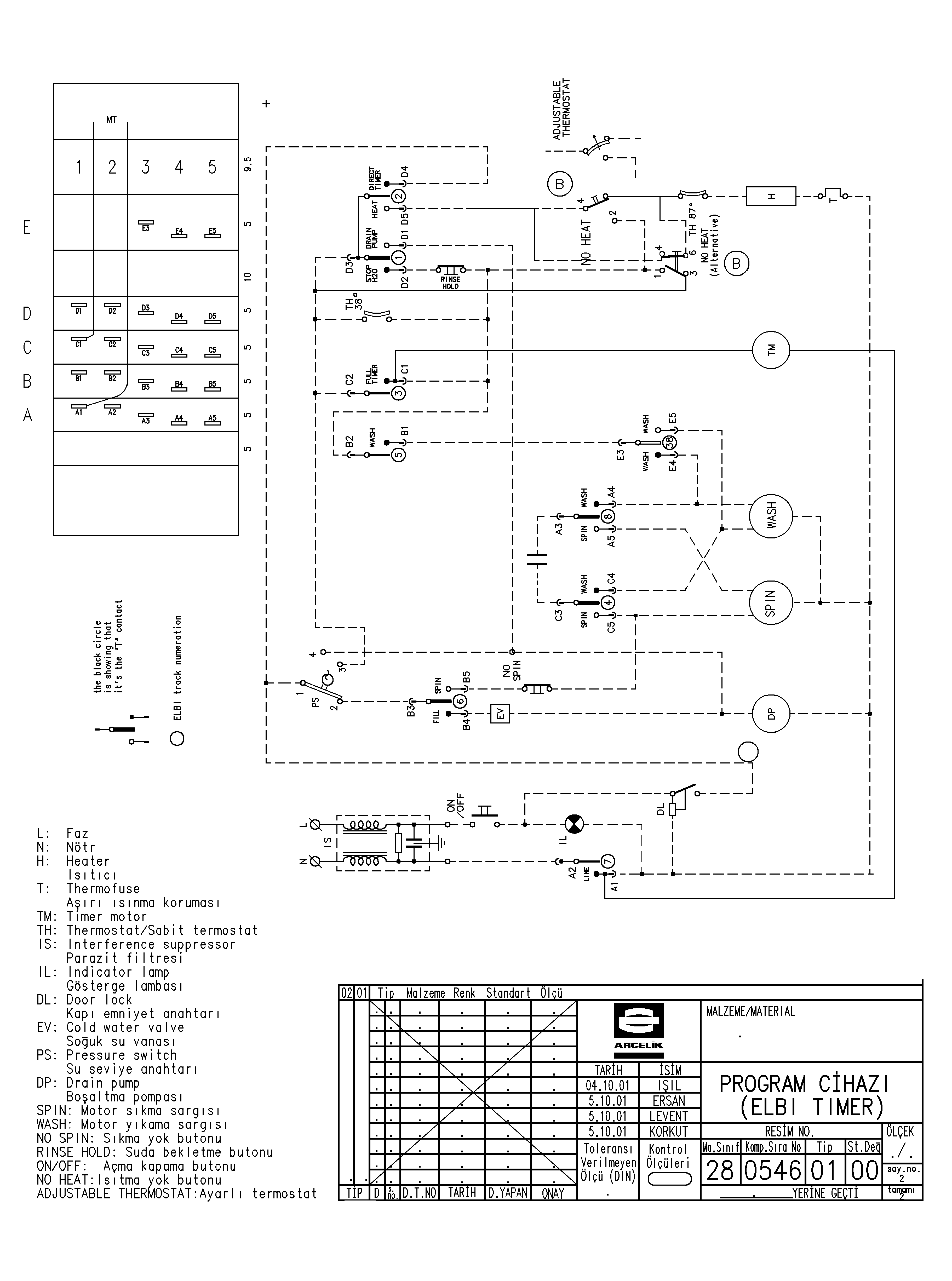
Пералната е с механичен програматор. Кондензатора е за променлив ток 16 µF/ 450 V, който е свързан в пусковата намотка на електродвигателя. При намален капацитет няма мощност да завърти мотора, който се люлее докато преодолее товара и прави по някой оборот.

Прикачен файл

beko_wb6006rs_sch.gif
lyubohar - майстор
Абе то мина половин година.
Човека да не е луд да пере на ръка. :lol:
Но няма информация за резултата,което не е коректно.
lyubohar написа:
Абе то мина половин година.
Човека да не е луд да пере на ръка. :lol:
Но няма информация за резултата,което не е коректно.
Смяташ ли, че не съм видял датата!!!!!!!!!!!!
Темата е стара но сега вече е пълна!
Да си видял някъде какъв е кондензатора!
Ако смяташ, че е излишно това, което съм написал и качил го махай!
Срещал съм много непълни и неясни теми, които са безполезни, това е причината да пиша сега!
lyubohar - майстор
Съжалявам,ако ти е прозвучало като обида.
Темата все още не е пълна.
Човека имаше проблем,помоли за помощ и я получи.
Но не си направи труда да остави информация за крайния резултат.
Което е всъщност целта на тези форуми.
Нямам пълномощия да махам каквото и да било.
Chefo77 - майстор
Теми като тази с включване като това на Вачко са много полезни не само за търсещия решение и останалите потребители на форума, а и за всички, които биха имали проблем и биха потърсили в гугъл за него!
Passa - специалист
Колеги, след 12 години безотказна работа на Горение смених четките на мотора. :)

Въпроса ми е какъв тип е този мотор ? Тоест как точно се управлява скоростта и посоката му ? Прилича ми на Синхронен двигател с управление по честота.
Кой изработва управлението на мотора ?
Този тип мотор има ли кондензатор ?

Горе до хибридният програматор видях едно кондензаторче мисля. Или е RC елемент. Намерих схеми за подобни перални, но за моят модел не успях точно.


Също ми направи впечатление че на клемореда на мотора влизат 6 кабела-2 за четките, 2 за тахометъра на мотора и останаха 2 които не разбрах къде отиват. Не ги проследих. А по схемата не ми става много ясно за къде са.
pipilica - майстор
Интерено къде ли отиват, ми на статорната намота то няма къде другаде.
Няма кондензатор, обикновен колекторен мотор. посоката се сменя като размениш кабелите на четките.
Можеш да регулираш оборотите с елементарен симисторен фазов регулатор.
Ние също взехме пералня втора ръка, Beko, и установихме същия проблем. Свалихме кондензатора, само че на него има следните параметри: 16 mf + - 5 %, и две стойности 420 и 470 V. Модела е EN60252-1. В интернет намирам 450V. Това ще бъде ли добра замяна или трябва да намеря същия кондензатор? Ще се радвам да ми отговорите, защото не разбирам особено. Благодаря ви предварително.
preslav - майстор
kateto5555 написа:
Ние също взехме пералня втора ръка, Beko, и установихме същия проблем. Свалихме кондензатора, само че на него има следните параметри: 16 mf + - 5 %, и две стойности 420 и 470 V. Модела е EN60252-1. В интернет намирам 450V. Това ще бъде ли добра замяна или трябва да намеря същия кондензатор? Ще се радвам да ми отговорите, защото не разбирам особено. Благодаря ви предварително.
Ще ти върши работа.
  • 1
  • 2

Тема "Пералня Beko wb6006rs проблем" | Включи се в дискусията:


Сподели форума:

Бъди информиран. Следвай "Направи сам" във Facebook:

Намери изпълнител и вдъхновения за дома. Следвай MaistorPlus във Facebook: