Броячът прилича на ръчно програмируем, с ръчно и дистанционно нулиране и контактни изходи.
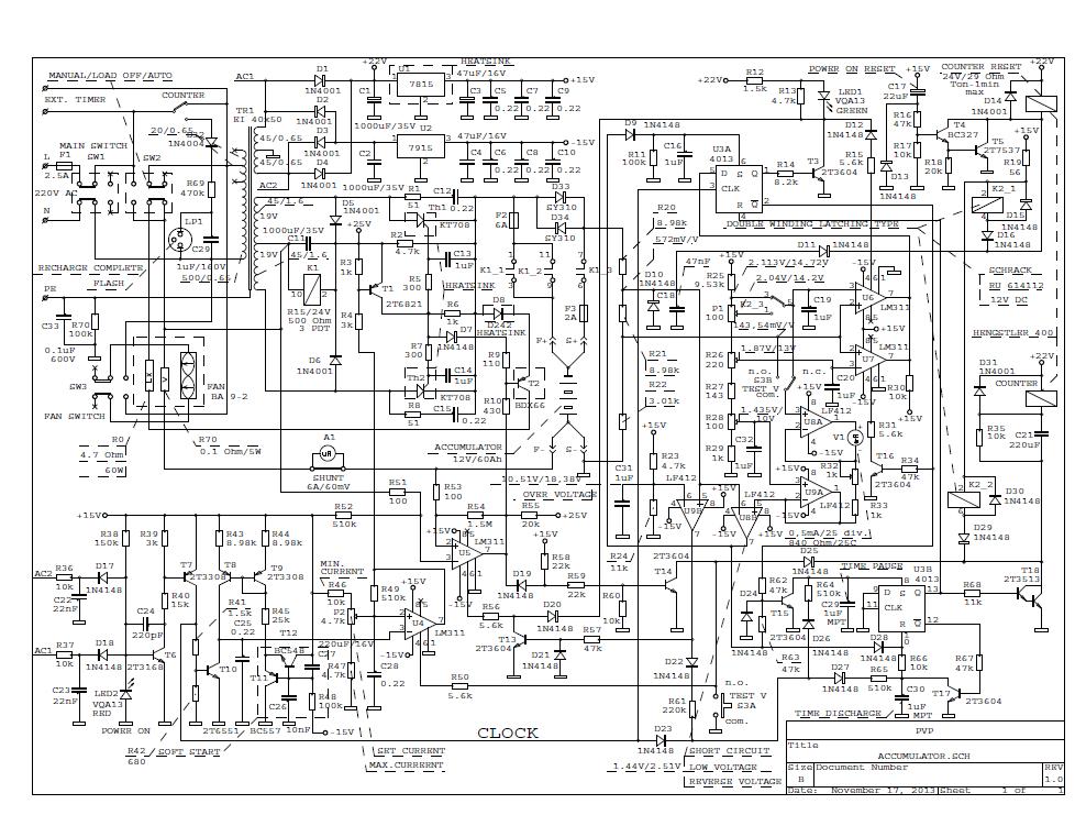
Ето един подобен (също германски), но без горните бутони (задаването е чрез директно въртене на цифровите дискове).
Отзад има два извода на електромагнита за дистанционно нулиране, два извода на брояча, както и три извода на изходната, SPDT група (пълна превключваща).
Picture 217.jpg (41.8 KиБ) Видяна 2093 пъти
Навремето с един такъв си направих зарядно за акумулатори, като той броеше предварително зададените цикли "заряд-разряд", след което изключваше автоматично акумулатора.
Ето един подобен (също германски), но без горните бутони (задаването е чрез директно въртене на цифровите дискове).
Отзад има два извода на електромагнита за дистанционно нулиране, два извода на брояча, както и три извода на изходната, SPDT група (пълна превключваща).
Прикачен файл:
Picture 217.jpg (41.8 KиБ) Видяна 2093 пъти
Последна промяна от П. Петков на нед ное 16, 2014 6:55 am, променено общо 1 път.
