• 1
  • 2
Почерпете информация и ценни съвети от темите за окачени тавани или разгледайте
изпълнители за окачени тавани и сравенете оферти и цени за вашия предстоящ проект
spec - специалист
Моля за някаква простичка схема, с която да накарам един 220в, около 12-15 метров диоден маркуч да мига.
lov - майстор
Пробвай да му вържеш последователно един стартер за луминисцентна лампа. При тази дължина вероятно ще има достатъчно товар да успее да го накара да почне да превключва. Ако ли не по магазините за радиочасти има готови китове за такива мигалки.
spec - специалист
пон дек 02, 2019 12:55 pmlov написа:
Пробвай да му вържеш последователно един стартер за луминисцентна лампа. При тази дължина вероятно ще има достатъчно товар да успее да го накара да почне да превключва. Ако ли не по магазините за радиочасти има готови китове за такива мигалки.
Стартер - не става. Или по-точно - за известно време 5-10 мин работи, но после свети постоянно.
Търсих "готови мигалки" в нет-а, но няма такива на 220 в, а не ми се ще да слагам адаптери, релета и т.н.
plamen6703 - майстор
пон дек 02, 2019 12:29 pmspec написа:
Моля за някаква простичка схема, с която да накарам един 220в, около 12-15 метров диоден маркуч да мига.
По такива сайтове трябва да търсиш за да намериш http://tpetrov.com/search.php?prod=%D0% ... 3%D1%87+02 :partyman:
spec - специалист
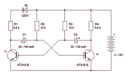
Нещо аналогично си представях, но ми липсва теорията за размера и вида на V и W, за да подменя част от елементите. :)

Прикачен файл

69a314432c2118480572350e7150cf.jpg
69a314432c2118480572350e7150cf.jpg (15.28 KиБ) Видяна 2714 пъти
plamen6703 - майстор
Дадох ти линк към проста "схемичка" за няма и кутия цигари да си решиш проблема с "маркуча" да почне да мига :wink: !
Твоите /погрешни за мен/ представи аналогично и теоретично водят тук https://hr.masinealati.rs/treperi-led-v ... pisom-6618 Липсата на теория може да не успееш да я запълниш до Коледа и Нова година и да останеш без мигаш маркуч по празниците! :partyman:
spec - специалист
Погледнах страницата - не съм сбъркал, "Направи сам" е.
Въпросът ВЪОБЩЕ не е в цената, а в гъдела.
И правилно си отбелязал, но явно неосмислил, че помолих за схемичка, а не за устройство (готово при това).
П.С. Кутия цигари никога не съм знаел колко струва, а и като подарък не бих я взел. ;)
plamen6703 - майстор
На базата на въпроса ти и споменатата липса на теория ти предложих смислен и работещ вариант за мигане на маркуча, а другото е въпроса на твой личен избор :wink: !
Успех! :partyman:
spec - специалист
Аз предложението ти го видях още първия път, та затова се наложи да поясня и да приложа схемата. Липсата ми на теория е след твоето мнение, а не преди него. Така че не се позовавай на това.
ky-kyy - майстор
Той форума е "Направи сам", но въпроса и е в "Окачени тавани" Не мисля, че някой картонаджия, ще може да ти помогне, или ако все пак ти даде съвет, не мисля, че ще е разумно, да го послушаш.
То не, че в електричарския форум, няма да попаднеш на картонаджии и тенекеджии, ама има много по-голяма вероятност, да погледне и някой, който разбира, за какво става въпрос :)

ПП В последно време, да попиташ нещо в този форум, общо взето е, все едно да го напишеш в полето на търсачката Гугъл :) Успех :mrgreen:
  • 1
  • 2

Тема "светещ маркуч" | Включи се в дискусията:


Сподели форума:

Бъди информиран. Следвай "Направи сам" във Facebook:

Намери изпълнител и вдъхновения за дома. Следвай MaistorPlus във Facebook: