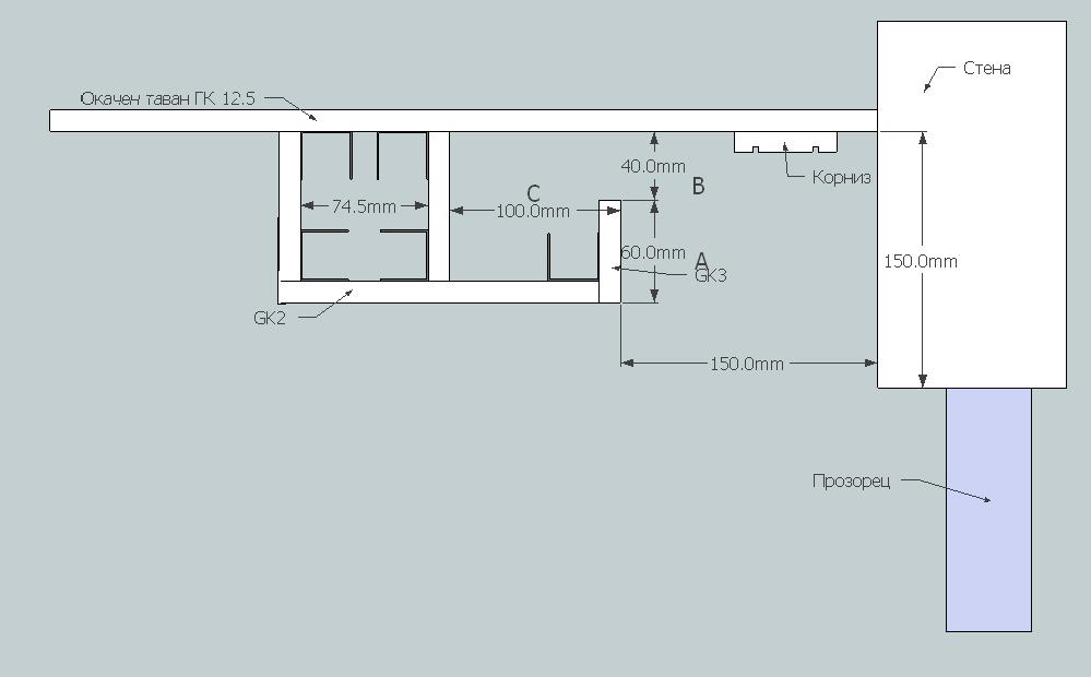
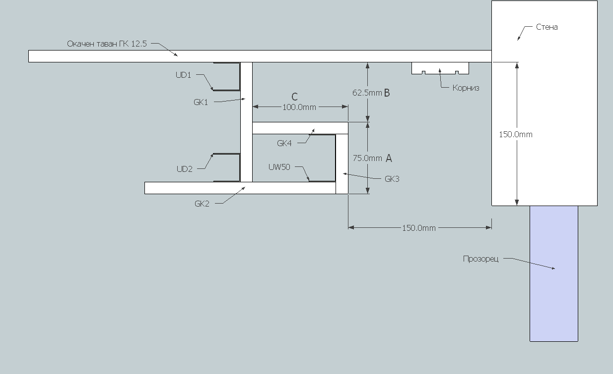
Споделям една схемичка за фигура с функция да скрие корниза за пердетата + възможност за залагане на скрито осветление. Корнизът е класически двуканален PVC. Скритото осветление се замисля да е с LED лента. Става въпрос за творчество, т.е. всеки си залага свободно каквито си иска размери на фигурите, но все пак познатите ни физични закони и стремежът за постигане на максимално добър ефект налагат някои граници, оптимуми, принципи и добри практики, които ревностно се опитвам да изнамеря.
Конкретно по схемата. Отбелязал съм три разстояния с буквите A, B и C и като начало именно тези размери ме вълнуват имат ли минимум, максимум, оптимум. Стремежът да се скрие корниза означава, че човек да не го вижда без, естествено, да се доближи съвсем до завесите и да погледне нагоре. От друга страна пък едно минимално разстояние се изисква за самите завеси, за да могат да се движат свободно и да се слагат/свалят лесно. Избирам 150мм от стената до ръба на фигурата.
Понеже прозорците ми са доста височки. След като отидат 11-13см за основната част на окачения таван, не остава много височина за фигурата.
И така останалите фактори относно размерите A, B и C, са предимно свързани със скритото осветление и търсеният максимално добър ефект. Ето няколко въпроса:
1) гипскартоненото парче GK4 а) задължително ли е б) да е по-късо (т.е. да не затваря образувалата се ниша) или в) е даже задължително излишно?
2) В зависимост от най-добрият отговор на 1) както и калибрирането на нишата с определяне на A, B и C, къде е най-удачно да се залепи LED лентата?
3) Най-вероятно ще се спра на RGB лента със подобаващ LED контролер. Въпросът е 30, 60 или друга бройка светодиоди на метър да е лентата?
Конкретно по схемата. Отбелязал съм три разстояния с буквите A, B и C и като начало именно тези размери ме вълнуват имат ли минимум, максимум, оптимум. Стремежът да се скрие корниза означава, че човек да не го вижда без, естествено, да се доближи съвсем до завесите и да погледне нагоре. От друга страна пък едно минимално разстояние се изисква за самите завеси, за да могат да се движат свободно и да се слагат/свалят лесно. Избирам 150мм от стената до ръба на фигурата.
Понеже прозорците ми са доста височки. След като отидат 11-13см за основната част на окачения таван, не остава много височина за фигурата.
И така останалите фактори относно размерите A, B и C, са предимно свързани със скритото осветление и търсеният максимално добър ефект. Ето няколко въпроса:
1) гипскартоненото парче GK4 а) задължително ли е б) да е по-късо (т.е. да не затваря образувалата се ниша) или в) е даже задължително излишно?
2) В зависимост от най-добрият отговор на 1) както и калибрирането на нишата с определяне на A, B и C, къде е най-удачно да се залепи LED лентата?
3) Най-вероятно ще се спра на RGB лента със подобаващ LED контролер. Въпросът е 30, 60 или друга бройка светодиоди на метър да е лентата?
Прикачен файл
skrito.png (27.37 KиБ) Видяна 31257 пъти



