От мобилни телефони до цифрови камери
Здравейте някой има ли схема или знае ли къде мога намеря така която да умножава честота в сигнал по 2 без да променя амплитудата. На снимката е сигнала който искам да удвоя

Прикачен файл

343388353_6125610884222105_458017349935336672_n.jpg
barakuda - специалист
За какво иде реч?Каква ти е идеята?
lda_has - напреднал

търси в gogle - pwm signal generator
lda_has - напреднал
Може да го регулираш както си поискаш.
sstefanov - майстор
lda_has, това какво общо има с удвоител на честота?
Идеята е че компютъра на двигателя на колата вижда едни примерно 300 оборота на автомата които трябва да са 600 и искам да удвоя тази честота за да ги изравня с оборотите на двигателя . При четене с програма оборотите винаги са с разлика х2
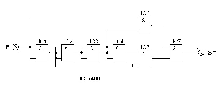
hidrazin - майстор
Прикачен файл:
Удвоител на честота.jpg
Удвоител на честота.jpg (23.63 KиБ) Видяна 2136 пъти

:partyman:

Тема "множител на честота" | Включи се в дискусията:


Сподели форума:

Бъди информиран. Следвай "Направи сам" във Facebook:

Намери изпълнител и вдъхновения за дома. Следвай MaistorPlus във Facebook: