• 1
  • 2
От мобилни телефони до цифрови камери
ivo_vn - помощник
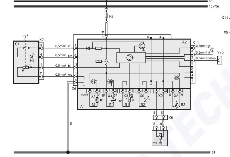
Здравейте, изпадна ми една суха печка на 24v която смятам да монтирам но ми липвса управлението. Намерих схема за модела и включването ще става с "Цък ключе", обаче не знам какъв потенциометър ми трябва за регулиране на оборотите на вентилатора?
С мултицет измерих съпротивление на мотора от 5,07 kΩ.

Прикачен файл

1643973484204.jpg

Прикачен файл

1643973484209.jpg
brum - майстор
Я пак. за какъв потенциометър и за какво съпротивление говориш? За това в S1 (конектор X7) ли става дума?

Прикачен файл

1.jpg
1.jpg (47.83 KиБ) Видяна 1765 пъти
ivo_vn - помощник
пет фев 04, 2022 1:49 pmbrum написа:
Я пак. за какъв потенциометър и за какво съпротивление говориш? За това в S1 (конектор X7) ли става дума?
Точно за това говоря, дали ще стане потенциометър или трябва да търся реостат?
ivo_vn - помощник
Намерих и видео на братушките, но не мога да разбера какво използва като регулатор на оборотите.
brum - майстор
Пускам ти на ЛС контакти към един човек дето най-вероятно ще ти отговори на въпроса, че може и да ти намери това копче. Моля те като разбереш съпротивлението да го дадеш тук.

Ако той не знае ще ти дам съвети как да прецениш кое би било удачно.
kr1100 - майстор
пет фев 04, 2022 1:59 pmivo_vn написа:
.... дали ще стане потенциометър или трябва да търся реостат?
Потенциометър ще е, а не реостат. Управлява трансзисторна схема / може и да е МОС кр. стъпало - не знам/.
пробвай с 1ком, 4,7 кома, най- много 10 кома, ако имаш налични.
barakuda - специалист
Съпротивление на мотора 5Комааа???
ivo_vn - помощник
Проблема е решен, използвах 3-степенен резистор и ключе с 3 позиции и 6 пина. По този начин мога да използвам две позциции за регулиране, в моя случай първа и трета на резистора.

Прикачен файл

1.jpg

Прикачен файл

23.jpg
brum - майстор
Колко ома резистор имаш на двете позиции?
ivo_vn - помощник
чет фев 10, 2022 9:45 pmbrum написа:
Колко ома резистор имаш на двете позиции?
На първа позиция 2,8 на трета 0,9.
  • 1
  • 2

Тема "Въпрос за потенциометър" | Включи се в дискусията:


Сподели форума:

Бъди информиран. Следвай "Направи сам" във Facebook:

Намери изпълнител и вдъхновения за дома. Следвай MaistorPlus във Facebook: