• 1
  • 2
От мобилни телефони до цифрови камери
maddoktor - специалист
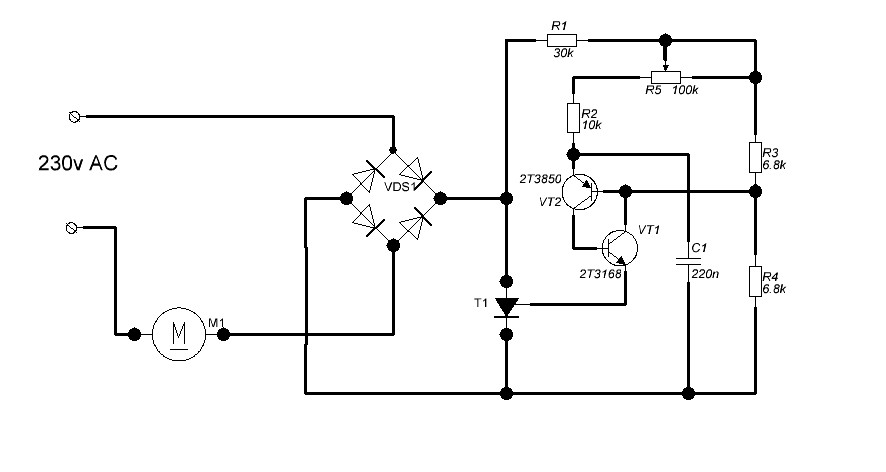
Здравейте - нуждая се от малко съвет дали ще успея да променя една схема .

Попаднах на една супер семпла схема на Тиристорен регулатор ( Регулатор на силата на осветител ) от една стара книжка
"Автоматика в бита" На Петър Х. Христов 1977 година на стр.56

Преди години бях пробвал един друг регулатор от :
http://hobby.neomontana-bg.com/kit22.htm Харесваше ми че при ниски обороти на дрелката - при пробиване си запазваше оборотите ,

Тази схема няма тази опция - но пък много плавно регулира оборотите .
Има ли някакъв шанс да я променя както другата и да си поддържа оборотите ?

Прикачен файл

regulator tiristor.JPG
regulator tiristor.JPG (37.94 KиБ) Видяна 3449 пъти
MamaMy - майстор
Двете схеми имат еднакъв брой елементи. :lol:
gogo7777 - майстор
Прикачен файл:
РЕГУЛЯТОР МОЩНОСТИ С ОБРАТНОЙ СВЯЗЬЮ.JPG
maddoktor - специалист
Благодаря за схемата
kozl - майстор
gogo7777 колко вата требе да е потенциометъра по схемата де си постнал?
По данни в руските сайтове ПП3-12 е 3W с диаметър от мин 31 мм и височина на цилиндъра 39 мм.
Та ако требе да се вгражда в дрелката :?
maddoktor - специалист
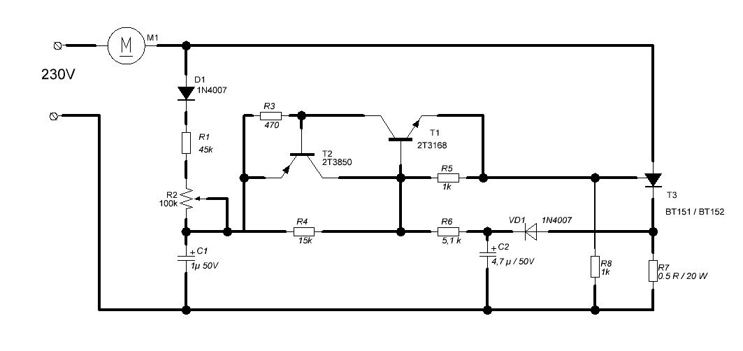
След като поразгледах схемата и видях че потенциометъра не мога да го намеря като мощност , а също така в схемата не е ли ненужно използването на грец след тиристора . Нали той пропуска само в едната посока в отпушено състояние , а когато е запушен не протича нищо към електромотора .
Аз промених първата схема която показах със следната и работата и ми хареса . Тук си поиграх с корекция на R1 , R2 , C2 имам ниски обороти на електроинструменти ( бормашина , ъглошлайф , имам и един 100w DCHV 240v Johnson електродвигател ) при ниски обороти няма тласъци или неравномерно въртене на мотора , но при натоварване на уреда ( пробиване или шлайфане ) схемата усеща натоварването и мотора вместо да спре да работи - засилва оборотите на леки тласъци .
Колкото C2 е по-малка стойност - тласъците са по-леки и има склонност за спиране .
Колкото C2 е по-висока стойност - тласъците са по-често и по-силни .

Ако R7 бъде със стойност 1R - забелязах че C2 трябва да е с по-ниска стойност , но тока през него ще го прегрява . Така че използвах 0.5R ( 2 x 1R /10W керамични ) .



Целта ми беше при работа на ниски обороти - да не спира мотора , а самите леки пулсации чрез които дрелката не спира - за мен са достатъчно задоволителни .
Понеже използвах само едната половина на мрежовото напрежение - дрелка директно към мрежата има консумация 0.8 А , а към схемата 0.69А ( ориентировъчно ) .

Прикачен файл

regulator tiristor avto RPM.JPG
regulator tiristor avto RPM.JPG (45.66 KиБ) Видяна 3322 пъти
lov - майстор
Кат гледам отворихте началния курс по електроника. :-D
Тема на курса старинни електронни компоненти и архаични схемни решения.. :lol:
gogo7777 - майстор
Придържаме се към въпроса и същността на темата.
Схемата с 555 всички я знаеме :-D
gogo7777 - майстор
пон сеп 03, 2018 7:32 amkozl написа:
gogo7777 колко вата требе да е потенциометъра по схемата де си постнал?
По данни в руските сайтове ПП3-12 е 3W с диаметър от мин 31 мм и височина на цилиндъра 39 мм.
Та ако требе да се вгражда в дрелката :?
Е нема да се вгражда. :)
maddoktor - специалист
Здравейте
Днес ми остана малко свободно време и сглобих нова схема - TDA1185A - която управлява ТРИАК
Има много добра поддръжка на оборотите . Също така има възможност плавно стартиране . 500w дрелка да достигне максималните си обороти за 40 секунди - ( но това може да се променя много лесно ) може и да изключа плавното стартиране - мога и да го направя и по-голямо .
  • 1
  • 2

Тема "Тиристорен регулатор на напрежение" | Включи се в дискусията:


Сподели форума:

Бъди информиран. Следвай "Направи сам" във Facebook:

Намери изпълнител и вдъхновения за дома. Следвай MaistorPlus във Facebook: