От мобилни телефони до цифрови камери
lexx2002 - помощник
Здравейте. Наскоро се сдобих с въпросната машина за дим на старо. Обаче търговеца ми прати машинката за дим с дистанциоонно което не е на същата марка.СЛед няколко разговора с него не успях да стигна до разбирателство.
Затова се заех да търся и да препрява наличното дистанциооно.

Не успях да намеря никаква информация за пиновете на буксата за дистанционното и затова пиша тук с надеждата някой да ми помогне да се справя с проблема.

Разглобих я да разгледам и видях че всичко е 220 волта

Оригиналното дистанционно представлява това

Изображение

А самата машина за дим е това

Изображение

Изображение
plamen6703 - майстор
В какъв смисъл някой да ти помогне, това е една муйня , която има бутон за пускане и спиране и това е всичко. Тук се вижда какво е "дистанционното" https://www.youtube.com/watch?v=enDWAxKRh-E :-D
Не се вижда твоето, което не е от тази машина и искаш да преработиш, и ще ти се наложи да изчакаш привечер като се включат форумните врачки и се почне включи го тук, включи го там :wink:! Не знам колко си се изръсил за твоята машина, но видях, че нова е под 100 лв.! :partyman:
hidrazin - майстор
пон юли 23, 2018 5:57 pmplamen6703 написа:
... муйня , която има бутон за пускане и спиране и това е всичко...
Цъ. В муйнята има и глимка която показва кога муйнята е готова за работа (готов термостат).
Така че за врачките ... не си познал.
:partyman:
lexx2002 - помощник
пон юли 23, 2018 5:57 pmplamen6703 написа:
В какъв смисъл някой да ти помогне, това е една муйня , която има бутон за пускане и спиране и това е всичко. Тук се вижда какво е "дистанционното" https://www.youtube.com/watch?v=enDWAxKRh-E :-D
Не се вижда твоето, което не е от тази машина и искаш да преработиш, и ще ти се наложи да изчакаш привечер като се включат форумните врачки и се почне включи го тук, включи го там :wink:! Не знам колко си се изръсил за твоята машина, но видях, че нова е под 100 лв.! :partyman:
Здравей.
Ако беше толкова лесно нямаше да пиша във форума.
Тези клипове съм ги гледал и нещата не са толкова прости.То е най лесно да вържа двата кабела и да вида какво ще гръмне.Не е в това идеята.
Машинката съм я взел за 30 лв и знам че нова е под 100 лева.
Както е написал hidrazin на дистанционното има и глин лампа за индикация за готовност.Затова има три пина дистанционното.
НО тъй като всичкото чудо е на 220 волта не искам да си правя експерименти с жиците.
lexx2002 - помощник
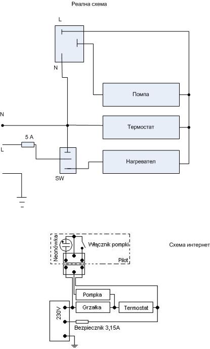
Ето реалната схема на машината и под нея намерена в интернет
Прикачен файл:
Shema mashina za diм.jpg
реална схема
Shema mashina za diм.jpg (24.56 KиБ) Видяна 2341 пъти
plamen6703 - майстор
вт юли 24, 2018 9:34 amlexx2002 написа:
пон юли 23, 2018 5:57 pmplamen6703 написа:
В какъв смисъл някой да ти помогне, това е една муйня , която има бутон за пускане и спиране и това е всичко. Тук се вижда какво е "дистанционното" https://www.youtube.com/watch?v=enDWAxKRh-E :-D
Не се вижда твоето, което не е от тази машина и искаш да преработиш, и ще ти се наложи да изчакаш привечер като се включат форумните врачки и се почне включи го тук, включи го там :wink:! Не знам колко си се изръсил за твоята машина, но видях, че нова е под 100 лв.! :partyman:
Здравей.
Ако беше толкова лесно нямаше да пиша във форума.
Тези клипове съм ги гледал и нещата не са толкова прости.То е най лесно да вържа двата кабела и да вида какво ще гръмне.Не е в това идеята.
Машинката съм я взел за 30 лв и знам че нова е под 100 лева.
Както е написал hidrazin на дистанционното има и глин лампа за индикация за готовност.Затова има три пина дистанционното.
НО тъй като всичкото чудо е на 220 волта не искам да си правя експерименти с жиците.
Нещата са много прости, но както се казва не са за прости хора. Най-лесно е да вършеж два кабела и да видиш, че нищо няма да стане :wink: Ако увеличиш малко броя на кабелите и знаеш как да ги свържеш, може да си свършиш работа :partyman:
Идеята е по-малко да се връзваш на глупости, които се пишат от гугъл кълвач, да не останеш стар ерген от втелясване :wink:
Снимай дистанционното, което имаш и казваш, че не е от тази машина да се види какво искаш да преправяш, може да се окаже, че имаш всичко, което ти е необходимо да подкараш машината.
Имам дистанционно от такава машина, но е 19-ка и големия му "проблем" е, че му е изгоряла глимката :-D Може да ти го подаря, ако това, което имаш се окаже, че не върши работа! :partyman:
lexx2002 - помощник
Ето малко снимков материал. Аз отдавна съм спрял да се вързвам на глупости .Все пак на възрастта която съм (около 40 ) и опита ми с комуникация с хора съм стигнал до извода че има много прост народ - Но това друга тема на разговор. Не съм чак лаик на тема електротехника и електроника но силата ми е слаботокова електроника и комуникационни съоръжения. Затова реших да питам все пак за мнение и схема която да ме улесни.Практиката ми е доказала че 10 мин четене и търсене на литература по даден въпрос спестяват много време и лутане и експериментиране.

Дистанционното което имам е с два светодиода за индикация ,и като видях вътре самото устройство стигнах до извода че е на 220 волта, и тези светодиоди ще ги заменя с една глим лампа на 220 волта, която си набавих. Имам и куплунга който ми е нужен да сменя на кабела за да го свържа към машината за дим.

Свалил съм и схемата на дистанционното да е по ясно

Прикачен файл

IMG_8706.jpg

Прикачен файл

IMG_8705small.JPG

Прикачен файл

IMG_8704small.JPG

Прикачен файл

IMG_8703small.JPG
plamen6703 - майстор
вт юли 24, 2018 2:28 pmlexx2002 написа:
Практиката ми е доказала че 10 мин четене и търсене на литература по даден въпрос спестяват много време и лутане и експериментиране.
Дистанционното което имам е с два светодиода за индикация ,и като видях вътре самото устройство стигнах до извода че е на 220 волта, и тези светодиоди ще ги заменя с една глим лампа на 220 волта, която си набавих. Имам и куплунга който ми е нужен да сменя на кабела за да го свържа към машината за дим.
Свалил съм и схемата на дистанционното да е по ясно
И аз имам такава практика като твоята, но при мен има още нещо, че като търся литература и чета, мисля върху прочетеното и го ползвам според случая :wink:
Ти имаш абсолютно всичко, този пулт ще ти върши работа, имаш куплунг, имаш и глимка, приложил си и схемата на свързване. Аз не разбирам след като не си лаик на тема електротехника и електроника, кое не ти е ясно при положение, че ползвайки това по-горе, което си приложил, полуграмотен жичкаджия ще се справи :-D
Не знам откъде си, иначе бих ти го свързал и докато изпием по едно кафе и разменим две три думи да се запознаем, пулта ще "пропее"! :partyman:
sstefanov - майстор
Единият от двата светодиода на схемата трябва да е обърнат! Няма значение кой от двата.
tzetz009 - специалист
Светодиодите вече изпълняват функцията на глимката и не виждам смисъл от дълбаене и промяна по корпуса :? !!! За разпояването и обръщането на единият диод - =D> . А'й , че пиша през те'фона !

:partyman: :partyman: :partyman:

Тема "Дистанционно или схема за него EUROLITE N-10 машина за дим" | Включи се в дискусията:


Сподели форума:

Бъди информиран. Следвай "Направи сам" във Facebook:

Намери изпълнител и вдъхновения за дома. Следвай MaistorPlus във Facebook: