От мобилни телефони до цифрови камери
vkk777 - напреднал
Здравейте!
Имам си тука една задачка със светодиоди, която се опитвам да изпълня някакси.
Представлява следното:
Две вериги с последователно свързани светодиоди,
Едната - 100 червени последователно свързани, 2.2V 20mA.
Втората - 20 бели последователно свързани 3.2V 20mA.
Целта на задачата е червените да светят постоянно, белите да мигат, и всичко това свързано директно на 220V.
Въпросът ми е - може ли да си изпълни това, какво ще е необходимо да се направи евентуално.
Не съм електричар, но знам от коя страна се държи поялника :)
Ако някой желае да помогне, ще съм благодарен.
Мерси много.
martosound - специалист
Здравей,

Ето една схема, която е изпитана и работи безпроблемно и в твоя случай трябва да се променят само входния гасящ кондензатор и защитния ценеров диод:
Изображение


При нея стойностите са за 60 последователно свързани червени светодиоди. В твоя случай искаш да свържеш 100 червени светодиода и е най-добре да ги разделиш на две групи по 50 светодиода свързани последователно. Схемата трябва да се изпълни два пъти. Добре е светодиодите да работят при около 16 милиампера за да има запас по ток(те и без това при повече ток съвсем малко си вдигат интензитета, а почват да греят и им се скъсява живота рязко). при такъв ток напрежението в права посока на един светодиод е около 1.9 волта. Преизчислил съм стойностите на входният кондензатор за твоя случай:

Uin=230v , F=50Hz
Iled=16mА
Uled=50 . 1,9v=95v
Xc=(Uin-Uled)/Iled=(230v-95v)/0.016A=8438Ohm
C=1/2 . 3,14 . F . Xc = 1/2 . 3,14 . 50 . 8438 = 377nF

За ценеров диод може да се използва 100 волтов / 1 ватов 1N4764A - остави крачетата дълги да може да се охлажда при нужда
За гасящ кондензатор трябва да се използва полипропиленов X2 кондензатор. Може да се направи комбинация от два успоредно свързани 150nF и 220nF.
Успоредно на резистора от 100 ома, който е последователно свързан на светодиодите се мери напрежението и оттам се смята тока през веригата.

По въпроза за двадесетте бели светодиода, които трябва да мигат е най-лесно да използваш една мигалка за коледна елха със светодиоди - има такива само с бели светодиоди.

:!: Имай предвид, че всички елементи от схемата са офазени и трябва да се спазват всички мерки за безопасност :!:

Ако трябва да има галванично разделяне варианта е да се мине с трансформаторно захранване и ниско напрежение. Това е по-добрия вариант в твоя случай - светодиодите не са много. Има хубави стабилизирани захранвания на 24 волта. В този случай светодиодите трябва да се разделят на 10 групи по 10 последователно свързани светодиода и токоограничаващ резистор от 330 ома във всяка група.
За двадесетте бели мигащи светодиода в този случай има много варианти - генератор с 555 или 4093 да речем. Белите светодиоди в този случай трябва да се разделят на три групи по 7 броя последователно свързани и 180-220 ома токоограничаващи резистори. Има и готови КИТ набори за мигащи светодиоди.

Предполагам, че целта на занятието е някаква рекламна табела и ако работи при повишена влага трябва светодиодите да се импрегнират с някакъв лак. Ползвал съм импрегниращ лаков спрей против влага, слънце и всякакво влияние на околната среда.

Успех!!! :)
ivan_v - специалист
Прикачен файл:
037516203-big.jpg
Формулата за изчисляване стойността на токоограничаващия кондензатор не е правилна.
В конкретния пример 110-те волта трябва да се разделят на 1,41 ( за да получим ефективна стойност).После от 220V се изважда получената стойност( в случая 77,8V) и се продължава по описания метод.
Последна промяна от ivan_v на пон окт 24, 2016 12:14 am, променено общо 1 път.
thebugger - специалист
Колега, това дето си замислил е много опасно и до някаква степен безсмислено. Схемата няма галванично разделяне и шанса е 50/50 да удариш фазата и да стане беля. Ако светодиодите ще се перманентно включени към мрежата или със ключ (идеята е да не се включва и изключва постоянно кабела), можеш да замериш къде ти е фазата веднъж и до някаква степен да обезопасиш схемата, но пак си работиш със 320Vмакс, което си е изключително опасно. Евентуално, ще е разумно да намериш от някой стар лампов телевизор изолационния трансформатор и да го ползваш, за галванично разделяне, тогава и много ще ти се улесни схемата, само един грец и гасящ резистор (на 100Hz, даже не е нужен и филтров кондензатор, трептенията са над човешкия усет), но пак си остава високото напрежение. Другото което е, 100 светодиода последователно означава че един да изгори, всичко заминава. В най-добрия случай ще изгори някой със отворена верига и ще прекъсне цялата веригата. Тогава ще трябва да търсиш кой е изгорял и да сменяш. По лошия вариант (и по вероятния), мене лично диоди от всякакъв вид, никога не са ми изгаряли на отворена верига, винаги изгарят на късо. Това не са коледни лампички, които винаги изгарят на отворена верига, един ще фиряса, ще разстрои баланса на напреженията (ако предположим че е перфектен за начало, а това е силно предположение) и ще създаде верижна реакция, която ще изгори всички останали светодиоди във веригата. Ако нямаш и някакви защити, ще даде и входа на късо и гасящия резистор може да се запали. Аз лично ти препоръчвам не повече от 10-20V, всичко паралелно и за мигачката примерно 555 таймер управялващ един по мощен транзистор. Така или иначе транзисторите в ключов режим, не разсейват много топлина, можеш да се разминеш и без значително охлаждане.

П.С. На схемата за високото напрежение, трябва и на гасящия кондензатор да се сложи последователно някакво съпротивление, защото само кондензаторът, представлява чисто реактивен импеданс към мрежовото напрежение, а то хич не е чисто, пълно е с високочестотни хармоници и шумове, които кондензаторът въобще няма да блокира. Трябва малко и активно съпротивление да се добави, или при включване на мотори и такива товари към мрежата, може да вкарат достатъчно шум в мрежата че да изгорят светодиодите.

П.П.С. Едно малко нетипично решение е след греца и филтъра, вместо ценеров диод, можеш да сложиш последователно източник на постоянен ток със два транзистора, продават се доста транзистори за напрежение до 1000V, така че няма да имаш проблем. Така, ако изгори един светодиод и схемата повиши консумацията на ток, източника на постоянен ток, ще понижи напрежението за да запази същия ток. Това ще намали шанса от катастрофална верижна реакция.
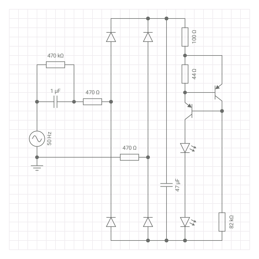
thebugger - специалист
Може би примерно нещо такова. Това е за 100 диода по 2V, с ток 16mA (попринцип са на 20mA, но така ще им удължиш живота и ще дадеш малко резерва от претоварвания). Източника на постоянен ток ще ограничава тока много по разумно от просто един пасивен резистор. И все пак схемата си остава опасна. Забележи че след греца нищо не се заземява към защитния проводник от мрежата защото това е предпоставка за късо съединение на едното рамо на греца. Транзисторите ги избери, с Vceo 1000V, и им сложи някакво охлаждане способно да поглъща поне един два вата. 100-200мА бушон на входа е ненужно да казвам че е абсолютно задължителен.

Прикачен файл

Н.png
Н.png (22.93 KиБ) Видяна 4499 пъти
martosound - специалист
Не знам защо вадим теории :?
високочестотни хармоници и шумове.....
за нещо което работи на много места безотказно от години. Включително тази карта за приемането на България в ЕС е направена по същия начин
Изображение

Стига теоретична електротехника! Учили сме я доста отдавна. Споделете конкретно нещо което сте направили и е успешно!!!
thebugger - специалист
Аз скоро съм я учил и ви казвам евентуалните най-вероятни проблеми. Верижно изгаряне на светодиодите, защото полупроводници рядко изгарят на отворена верига, а при последователно включване, едно късо съединение ще се разстрои баланса на напреженията и може да изпържи всичко. Затова му предлагам активна защита от пренапрежения, а не просто един гасящ резистор. Също, можеш да пробваш еднополупериоден токоизправител вместо грец. Греца не ти дава възможност да заземиш схемата, и ще офазява. Еднополупериодния изправител е с по-ниско КПД, но дава възможност веднъж да замериш къде ти е земята и да заземиш схемата правилно.

П.С. Мрежата е силно замърсена от шумове от компютри климатици и какво ли още не. Пълна е с хармоници и просто едно реактивно съпротивление няма да свърши работа.
thebugger - специалист
Пробвай нещо такова. КПД-то му е по ниско от греца, защото единия полупериод ти пропада през долния диод, но ти дава възможност да заземиш схемата правилно и намалява опасността от токов удар. Източникя на постоянен ток, заедно със опорното напрежемие на светодиодите, ще ти даде стабилизирано напрежение на около 200V, със възможност до 220VDC, и ще предпази светодиодите от евентуално пренапрежение, при изгаряне на някой от тях. Разликата ще се разсее от транзистора. 470омовият резистор го дай на 5W да си сигурен, бушон на 100% на входа, а 100омовия резистор го дай на 1/4W, ще послужи за ,,жертвоприношение'' при евентуално късо съединение на изхода. Диодите нямат пиков ток по висок от 100мА, така че и най обикновени 1N4007 би трябвало да свършат работа, а за транзисторите, купи нещо хубаво, застраховай се, примерно 2SC3150 и им сложи малко охлаждане. И ако схемата ще е постоянно включена, смисъл да не се обръща кабела в контакта, можеш да замериш веднъж фазата къде ти е и да го направиш без опасност. За мигачката със другите светодиоди, виждам два варианта. Или мултивибратор за високо напрежение със транзистори или лампи, или да понижиш напрежението на 10-15V и да подкараш един 555 таймер да ти управлява мигането.

Прикачен файл

Н.png
Н.png (25.48 KиБ) Видяна 4424 пъти
fox_vt - майстор
На мен досега колкото и светодиоди да съм опукал никой не е изгорял така че да остане на късо :? То и да остане на късо във някакъв милисекунден момент тока си знае работата и го преправя на изгорял „отворен”.
thebugger - специалист
fox_vt написа:
На мен досега колкото и светодиоди да съм опукал никой не е изгорял така че да остане на късо :? То и да остане на късо във някакъв милисекунден момент тока си знае работата и го преправя на изгорял „отворен”.
Проблема е, че тока не е особено висок да отвори късото, но е достатъчен, че да претовари другите диоди, особено ако ги държиш на лимита. Затова за 20mA диоди, 16-17мА е добре

Тема "Схема - светодиоди - 220в?" | Включи се в дискусията:


Сподели форума:

Бъди информиран. Следвай "Направи сам" във Facebook:

Намери изпълнител и вдъхновения за дома. Следвай MaistorPlus във Facebook: