От мобилни телефони до цифрови камери
gim - специалист
Здравейте.
Имам проблем на който не мога да намеря решение. Не знам дали тук е правилното място за въпроса ми, но ако някой реши да помогне,ще дам и допълнителна информация само да ми кажете каква е необходима.
Най-общо казано искам от два температурни датчика информацията да се сумира и подава към контролер за горелка на пелети. В момента управлението приема данни само от един датчик, който следи температурата на водата в инсталацията. Искам на мястото където е включен този сензор да постъпва сбора от температурите на водата в инсталацията и температурата на въздуха отвън.
Моля разясненията и евентуални пояснителни въпроси да са на по- "човешки" език! Защото познанията ми по електроника се изчерпват с това, че знам какво е резистор, кондензатор, диод и транзистор. :? :lol:

Ако прецените че мястото на въпроса ми не е тук, моля за съвет къде да го задам!
AAsat - специалист
Няма как да не трябва допълнителна информация.
Какви са датчиците за температурите? Защо е необходимо да се следи сбора от температурите? Как ще се разбере кое колко тежи в общата сума - ако се измени сумата - на какво се дължи това изменение? Контролера е проектиран (програмиран) да следи една температура и според нея да управлява системата по определен начин. Той ще възприеме и отработи всеки сигнал на входа си като сигнал от един датчик - този, за който е предвиден. Ако се търси друг алгоритъм за управление, трябва втория датчик да влезе на втори вход - това предполага евентуално друг контролер.
gim - специалист
От опит/над 10г./съм установил,че е най-добре когато сбора от температурата на водата в инсталацията и тази на околната среда трябва да е 40градуса.Примери:
отвън +10градуса вода+30градуса
отвън 0 градуса вода+40градуса
отвън-20градуса вода+60градуса
Досега го правех това ръчно,като добавях повече или по-малко гориво в котлето.Но отскоро съм с горелка на пелети,на която мога да задавам работна температура на водата.Проблема е,че през деня е необходима по-ниска стойност,отколкото през нощта.Не мога постоянно да съм до нея за да й променям стойностите.Ако не се коригират става прекалено топло в стаите,което води до висок разход,или по-студено при минималните температури на денонощието.
Не знам какъв е датчика.Монтиран е на изходната тръба накотела.
Няма втори вход за друг датчик.За това трябва сигнала да постъпва в контролера като информация от един датчик.
За нов контролер с два входа за датчици не съм се сетил,но предполагам,че ще е доста по-скъпо.В краен случай мога да мина и на този вариант,стига да има подходящ за горелката.

Идеята ми е , да задам работна температура 40°С, и когато навън градусите спаднат,контролера да"мисли",че се е понижила температурата на водата.Като следствието на това ще е увеличаване мощността на горелката,за да компенсира понижението .И обратното,разбира се.
Последна промяна от gim на ср мар 18, 2015 11:56 pm, променено общо 2 пъти.
MamaMy - майстор
Ако термодатчика е от този тип http://datasheets.maximintegrated.com/en/ds/DS18S20.pdf означава, че контролера може да поддържа много датчици едновременно на един вход. Друг въпрос е дали може да се програмира допълнително алгоритъм за сумиране на стойностите и дали ще попаднеш на подходящия човек да го свърши.
ivanovbg - майстор
Не е лесно да се направи това дето искаш. Не е толкова просто да събереш 0 и 40градуса електронно. Електрониката, компютрите и ... не виждат нещата с нашите очи. Те виждат напрежение, съпротивление, ток... в зависимост от датчика. Всичко това се преобразува по някаква формула и се показва на дисплей. Лошото е че и термодатчиците в повечето случаи са нелинейни.

Като идея може с едно Аурдино и подходяща програма да се измисли такова нещо, но аз не съм толкова навътре с Аурдиното.

:partyman:
gim - специалист
Датчика е капсулован на края на кабела и няма никакъв надпис по него.В книжката с инструкции също няма информация.
Горелката е WATERLAND IVG BIO-ENERGY S 40 ,контролера и датчика са си в комплект с нея.

Че не е лесно съм сигурен.Дори не знам дали е възможно./лесно е само да гледаш как друг работи,и да му намираш косури/ :)
ivanovbg - майстор
Обикновено датчика е съпротивителен - най прост и надежден. Не е лошо да го откачиш от контролера и да го премериш с омметър при различна температура - 0, 20 , 40, ... Пък после ще го помислим.
:partyman:

П.П. Сега загледах - датчика с 3 кабела ли е?
gim - специалист
Кабела е с два проводника по 0,5.
Утре след работа ще премеря съпротивлението .
AAsat - специалист
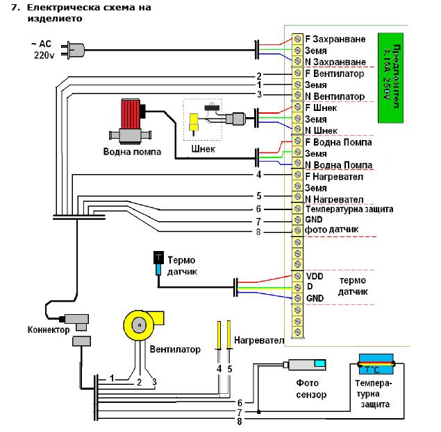
Интересно, че според инструкцията ( стр.14 ) датчика е с три проводника - ( VDD, GND, D ). Това предполага, че датчика е някакъв цифров. Да не би освен двата кабела да има и ширмовка. Разбира се, че фирмата може да е направила промяна в конструкцията. Както и да е - без да се знае типа и характеристиката на датчика няма как да се предложи начин за манипулация на работата на горелката.

Прикачен файл

sch.JPG
sch.JPG (59.73 KиБ) Видяна 2565 пъти
Vectra - специалист
Не е задължително да е цифров датчика. Измери напрежението на зеления спрямо синия по схемата на AAsat. Хвани датчика с пръсти и виж дали ще се промени напрежението. Ако има линейна промяна на напрежението има шанс да се направи нещо по въпроса.

Тема "Мониторинг на температура" | Включи се в дискусията:


Сподели форума:

Бъди информиран. Следвай "Направи сам" във Facebook:

Намери изпълнител и вдъхновения за дома. Следвай MaistorPlus във Facebook: