От мобилни телефони до цифрови камери
Прикачен файл:
20160303_161844.jpg
Здравейте
Дилемата ми е кое свързване да избера-1 или 2. Става въпрос за 12 лед лунички 220v.помещението е около 3 на 4 метра т.е. 12 м2. извинявам се за рисунката но освен слаб ел. ..... съм и слаб художник :-D
dyaneff - майстор
Ако луничките са за напрежение 220 Волта, то те трябва да се свържат успоредно.
T.е. номер 2,защото номер 1 е последователно...... или бъркам.? :?:
shadow__01 - майстор
Мирослав1979 написа:
T.е. номер 2,защото номер 1 е последователно...... или бъркам.? :?:
Не мисля, че има изобщо смисъл да се обсъжда нещо по тези драсканици.
Прекарваш си от дупка до дупка кабел например мостов (ПВВМ) 2x1.5mm^2. В каква последователност няма значение. Както е най-лесно и удобно. После се правят връзките със фасонгите. Може със клеми, може и с усукване(по-трудно е). Останалото е ясно.
Извинявам се за драсканиците но толкова успях да начертая с малката си дъщеря край мен.......та оставайки това настрана - последоватилно(1) или успоредно(2) .кабела ми е 1м2 многожилен(съвет от магазина)-това проблем ли е ?
Vectra - специалист
Независимо от напрежението на луничките се свързват УСПОРЕДНО! Изборът на кабел не е фатален, многожилен е ОК!
nbr - специалист
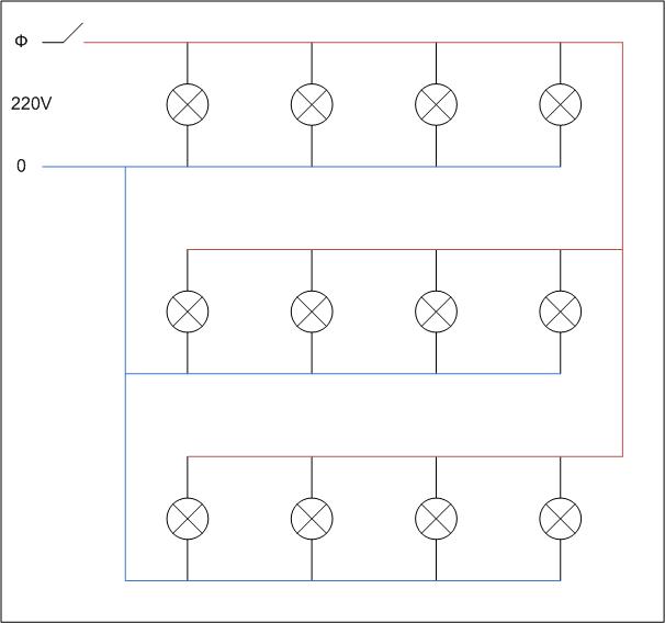
Прикачен файл:
Drawing4.jpg
Drawing4.jpg (28.12 KиБ) Видяна 2112 пъти
последно запитване.1м2 многожилен става ли? искрени благодарности за отговорите и на nbr за схемата.4ове4е по-ясно от това няма как- БЛАГОДАРЯ =D> =D> =D>
Vectra - специалист
Ако захранването е 220V 1м2 е достатъчен.При 12V ако общата мощност на луничките надвишават 50-60W и дължината на основните магистрали е над 4-5 метра е хубаво да се увеличи сечението на кабела.Не че ще се запали, ама по далечните лунички ще светят малко по-слабо. :partyman:

Тема "Избор на схема" | Включи се в дискусията:


Сподели форума:

Бъди информиран. Следвай "Направи сам" във Facebook:

Намери изпълнител и вдъхновения за дома. Следвай MaistorPlus във Facebook: