От мобилни телефони до цифрови камери
Kaloyn - напреднал
Обяснявам горе долу за какво иде реч , ако някой има нужда от още информация ще предодставя.
Имам четири прекъсвача http://www.elimex.bg/userfiles/producti ... t_5487.jpg, не може да са от тези които с отворен и затворен режим на работа, физически не мога да ги поставя на мястото за което са.
Тези ключове се захранват с 12v DC.
Трябва да се вържат за релета или да се затвори веригата на (32V)
Много ми се иска да мине през нещо като схема за да може да е активно винаги само едно реле (без значение колко от прекъсвачите са активни) , винаги да работи само едно реле или примерно ако са активни повече от едно копче да не работи нито едно и това става.
dyaneff - майстор
Няма как се видят нещата които си постнал, защото са през твоята регистрация.
hrpankov - специалист
....много съм тъп и нищичко не разбрах........
Kaloyn - напреднал
Изображение
Съжалявам не съм видял линка ,че е само за мен.
Kaloyn - напреднал
hrpankov написа:
....много съм тъп и нищичко не разбрах........
Грубо има 4 вериги които се затварят от един и същи източник , трябва да се направи така ,че само едната да е активна дори и прекъсвача на друга верига да е затворен.
AAsat - специалист
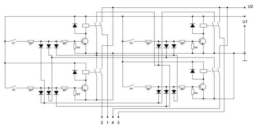
Нещо и аз не разбрах много идеята на питането но пускам " нещо като схема". При натиснат бутон 1 напрежението U2 излиза на изход 1. Докато е натиснат бутон 1 никой от останалите не е активен. Същото е и при натиснат бутон 2 или 3 или 4. Ако се натиснат едновременно повече бутони - едно от релетата ще включи първо. Кое ще е - божа работа. Може да се добавят различни кондензатори по базите за да се определи кое реле ще се включи при едновременно натискане на бутони. Добре е да има и светодиоди за индикация кой бутон е натиснат и кое реле е включило. Ако не съм разбрал идеята не обръщай внимание на схемата ( тя така и така не е особено оптимална ).

Прикачен файл

4sw.JPG
4sw.JPG (48.47 KиБ) Видяна 2566 пъти
dyaneff - майстор
Kaloyn написа:
hrpankov написа:
....много съм тъп и нищичко не разбрах........
Грубо има 4 вериги които се затварят от един и същи източник , трябва да се направи така ,че само едната да е активна дори и прекъсвача на друга верига да е затворен.
Така описана задачата може да се изпълни само с "логика". Независимо дали транзисторна, релейна или друга. Но за целта трябва да състави някакъв примерен алгоритъм. Трябва да прецизираш заданието.
hrpankov - специалист
....има едно чипче, казва се К155ИД3.... руско е, но не казвай на никого, особено на софийски вървелки с много дипломи ....
Andri01 - майстор
То май мноого старо ?Едно време се използваше в системата за контрол и сигнализация тип "Сигнал 3" на корабите в БМФ!:)
jordanvass - майстор
Нещо в логиката на заданието не ми се връзва. След като има задействан бутон, за какво са ти другите 3, като те няма да могат да се задействат? И как ще включиш друг бутон - дърпаш щепсела и пак почваш от изходна позиция, при която никой бутон не е натиснат? Да не би да искаш да кажеш винаги да има само един включен бутон, но да може да се избират един по един произволно всички, като всеки нов изключва стария включен?

Тема "Схема контрол на 4 релета." | Включи се в дискусията:


Сподели форума:

Бъди информиран. Следвай "Направи сам" във Facebook:

Намери изпълнител и вдъхновения за дома. Следвай MaistorPlus във Facebook: