• 1
  • 2
От мобилни телефони до цифрови камери
moimoimoi - майстор
здравейте колеги
предложете ми минималнотокова защита
напрежение 230 волта
минималния ток трябва да е около 1-2 ампера
идеята на устройството е :
включва се и не протече ли ток 1-2 ампера до 1 секунда да спира машината
тази 1 секунда с реле за време ще я наглася
проблема ми е минималнотоковата защита която ще е добре да може да се наглася в граници 1-3 ампера примерно
ivanovbg - майстор
Ето ти една елементарна идея. С кондензатор паралелно на релето ще реализираш времезадържащата верига, а с бутон в паралел на контакта на релето ще се пуска.

Прикачен файл

untitled.JPG
untitled.JPG (12.42 KиБ) Видяна 1750 пъти
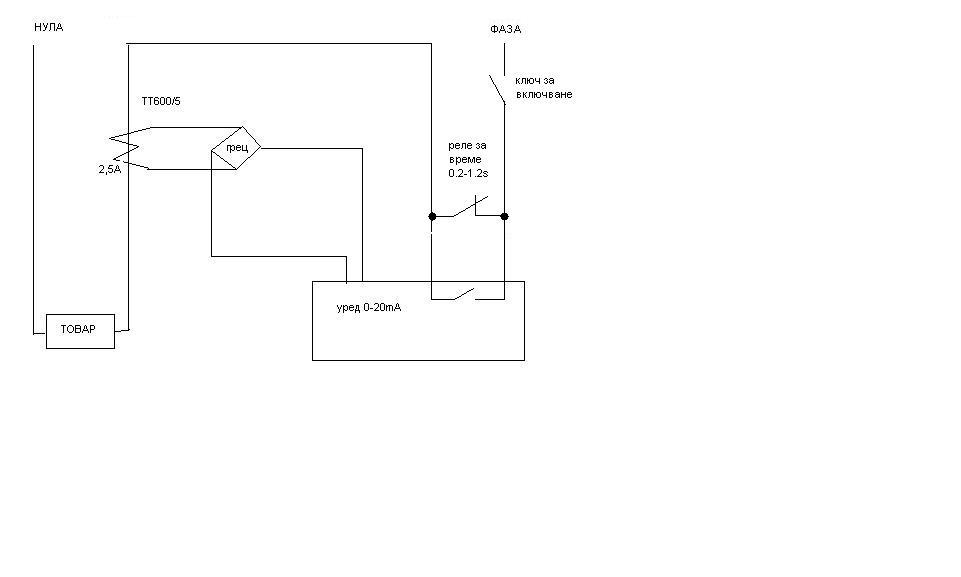
moimoimoi - майстор
а какво ще кажете за това
включва се ключа,протича ток и ако до настроеното време тока не достигне 2.5А релето за време прекъсва фазата,ако тока е над 2.5А уреда с токов вход затваря контакта си и подаването на напрежение към товара продължава.
единствено ме притеснява токовия трансформатор доколко ще работи нормално понеже тока в първичната ще е много малък спрямо номиналния му.но пък може да се ползва шунт и по малък тт.

Прикачен файл

МИНТ.JPG
МИНТ.JPG (21.89 KиБ) Видяна 1739 пъти
hidrazin - майстор
Интересен въпрос. по принцип като чуя минималнотокова защита се сещам за ДТЗ. :)
Това си е лек жокер и може да помислиш в тази посока - как да пригодиш едно ДТЗ за тази цел.
В интерес на истината не съм го мислил. Просто сега ми хрумна. :?
:partyman:
shadow__01 - майстор
Аз пък си мисля нещо с RID ампула, но иска доста фина "настройка". Ако измисля и схема ще постна.
hidrazin - майстор
shadow__01 написа:
Аз пък си мисля нещо с RID ампула, но иска доста фина "настройка". Ако измисля и схема ще постна.
По принцип е идея. Стига да не прекарваш работния ток през ампулата. Бая ампула ще ти трябва, щом минималния е 1-2 ампера. :)
Успех!
:partyman:
shadow__01 - майстор
hidrazin написа:
По принцип е идея. Стига да не прекарваш работния ток през ампулата. Бая ампула ще ти трябва, щом минималния е 1-2 ампера.
Признавам си, че никога не съм използвал RID ампула и не ги знам много добре. Теоретично схемата трябва е тази:
Прикачен файл:
МИНТ2.JPG
МИНТ2.JPG (25.05 KиБ) Видяна 1722 пъти
Извинявам се на колегата, че използвах неговата схема за шаблон!
moimoimoi - майстор
това с ампулата е добре и евтино но настройката ще е трудна
намерих ето това реле
http://www.tme.eu/en/details/mr-ei1w1p/ ... es/relpol/
има настройка до 13 ампера и време за задействане
П. Петков - специалист
Момчета, риид ампулата не може да работи на променлив ток. Тоест, тя може, но ще "зъзне" с честота 100 Hz.
  • 1
  • 2

Тема "минималнотокова защита" | Включи се в дискусията:


Сподели форума:

Бъди информиран. Следвай "Направи сам" във Facebook:

Намери изпълнител и вдъхновения за дома. Следвай MaistorPlus във Facebook: