От мобилни телефони до цифрови камери
metal5000 - напреднал
тези диоди на снимката как трябва да се свържат както са две по две стегнати към радиаторите
Изображение
Последна промяна от metal5000 на пон май 06, 2013 10:00 pm, променено общо 2 пъти.
ivanovbg - майстор
Червеното към + черното към-
hidrazin - майстор
А ти какво точно искаш да направиш? Вероятно не е точно така както си го мислиш. Това че два диода са монтирани на общ радиатор съвсем не означава че имат електрическа връзка помежду си. Ако си ги свалял от някоя апаратура вероятно на единия радиатор двата диода са свързани заедно а на другия са изолирани от радиатора с изолационни втулки и изолационни шайби. Първо вземи ги премери дали са здрави.
:partyman:
ivanovbg - майстор
Аз с боба не можах да му дам по смислен отговор. Все пак само с лански боб - толкова :lol: :partyman:
metal5000 - напреднал
мерих ги здрави са ама се чудих дали така двата от единия радиатор не са свързани електрически с алуминия ,имали ли са някакви втулки да ги отделят от радиатора ,това е от едно старо зарядно за акумулатор което някой се е опитвал да го поправи рязали са ги те радиатори кво са правили незнам
Изображение
ivanovbg - майстор
Е че уреда не ти ли показа дали са свързани към алуминия? То ти не ги виждаш дето са пред теб, та ние ли с тази снимка и с боб ще можем да ти кажем.

Принципно старите зарядни изправяха двупътно със средна точка на трафа.

Предполагам 12/6 волта.
hidrazin - майстор
Ако е схема Грец. На единия радиатор двата диода ще са без втулки и от там ще ти излезе плюса. На другия радиатор трябва да са изолирани а горните им изводи да са запоени заедно и от там ще ти излезе минуса. Малко ще ми е трудно така с писане да ти обясня кое как да свържеш.
Нямам си и идея дали пък не е двупътен изправител. Тогава би могло да са вързани в паралел два по два за по-голям ток. :?
:partyman:
metal5000 - напреднал
ето снимка на жиците както бяха но не се сетих да снимам както бяха на радиатора
Изображение
ivanovbg - майстор
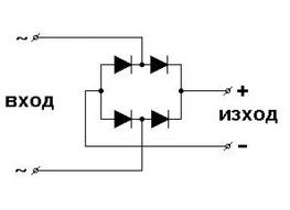
Еми обикновена схема Грец. Та какво те интересува по точно?

Прикачен файл

images.jpg
images.jpg (4.22 KиБ) Видяна 6329 пъти
hidrazin - майстор
На снимката са правилно свързани с малка забележка - черния кабел в дясно е плюс. Червения в ляво дето отива към уреда е минус.
Двата десни диода може да ги монтираш на общ радиатор без изолация. на този радиатор ще имаш плюс. Другите два трябва да ги изолираш с втулки, шайби и под диода слюдена подложка. Другия начин е да разрежеш единия радиатор и да монтираш двата леви диода на отделните парчета. Естествено всички радиатори дето ще се получат не трябва да имат електрическа връзка помежду си.
После свързваш всичко по снимката.
:partyman:

Тема "Въпрос за свързване на изправителни диоди към радиатор" | Включи се в дискусията:


Сподели форума:

Бъди информиран. Следвай "Направи сам" във Facebook:

Намери изпълнител и вдъхновения за дома. Следвай MaistorPlus във Facebook: