Няма никъде в нета, явно са преустановили производството.
С какъв аналог може да се замени.
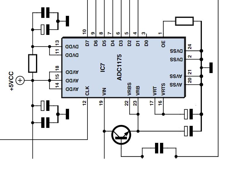
Прилагам нещо като схема на свързването.
С какъв аналог може да се замени.
Прилагам нещо като схема на свързването.
Прикачен файл
ADC1175.JPG (47.78 KиБ) Видяна 2007 пъти
