• 1
  • 2
От мобилни телефони до цифрови камери
teves - специалист
Колеги, въпроса ми е такъв , преди години един колега ми беше дал такова устройство което палеше луминисцентна пура,( без значение от дължина и ватове ) на акомулатора на колата, виждал съм доста схеми за целта ,но са и доста по сложни , тази беше направена само с един транзистор и една бобина ,нямаше нищо друго ,та молбата ми е ако някой знае ,как точно е направено това да ми даде схема. Благодаря предварително!
valentin114 - специалист
Ето я темата viewtopic.php?t=32624
teves - специалист
Благодаря ти ,но както съм написал по- горе виждал съм доста такива схеми. Интересно ми е че споменатата схема беше само с транзистор и бобина,нищо друго!!
zimel - специалист
Тевес, ти ни хвърли в тъч линията...."само транзистор и бобина"

Най-елементарната схема, която аз съм правил е :

Средномощен транзистор, два неелектролитни кондензатора, тример и топфхерн с три намотки на макаричката, едната е на базата на транзистора , другата е в колекторната верига и... високоволтовата за лампата.

Може да има и малко по-елементарен вариянт , ама чак пък само транзистор и бобина , и нищо друго... :? Да не пропускаш нещо?
miroton - майстор
Вариант Б-магазин за 1 лв,8 вт струва 5лв.
vvventsi - специалист
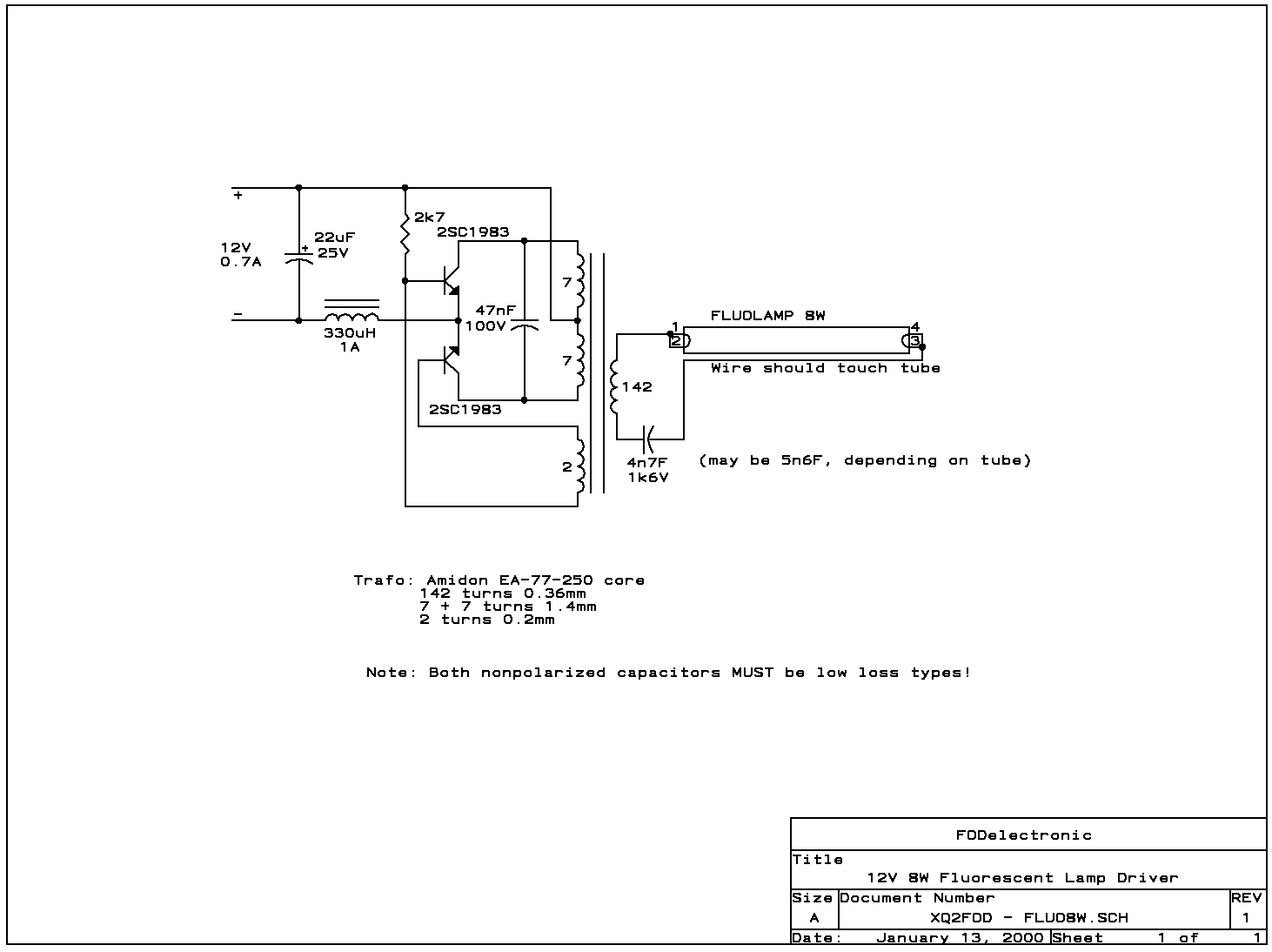
Ето схеми!

Прикачен файл

fluo20.gif
fluo20.gif (9.15 KиБ) Видяна 7027 пъти

Прикачен файл

fluo8.gif
fluo8.gif (15.85 KиБ) Видяна 7027 пъти
valentin114 - специалист
И от първия линк на Фиката от другата тема, кита струва 5.85 ...та се чудя...търси се по-евтин вариант...или какво :? Венци, ти го набута с огромни разходи :x
vvventsi - специалист
Aз тези схеми мислех да си ги правя обаче си намерих енергоспестяващи лампи на 12V.за 7лв 15W и се отказах!
vvventsi - специалист
Иначе от тука съм ги копирал схамите!!!
http://ludens.cl/Electron/Fluolamp/fluolamp.html
lz1tar - специалист
Има интересни работи в elwo.ru,иначе схемата която си виждал е КТ805 метален корпус и ТХО от Пирин или Плиска,схемата беше хит 1986 и 1987г когато имаше режим на тока,лично аз тогава използвах топферн вместо ТХО,това имаше в склада,а 2N3055 бяха кът
  • 1
  • 2

Тема "Луминисцентна лампа на 12V" | Включи се в дискусията:


Сподели форума:

Бъди информиран. Следвай "Направи сам" във Facebook:

Намери изпълнител и вдъхновения за дома. Следвай MaistorPlus във Facebook: