• 1
  • 2
  • 3
  • 4
  • 5
  • 30
От мобилни телефони до цифрови камери
teon - специалист
http://www.vwclub.bg/forum/download/fil ... &id=172731
Схемата е публикувана тук:
http://www.vwclub.bg/forum/viewtopic.ph ... 0%BE%D1%80
Ако може някой разбиращ да я коментира по отношение на работоспособност...надеждност...
ditronix - специалист
Схемата е перфектна!Аз съм я правил няколко пъти,в гаража ми зарядното е точно такова! Само мъъъъничко съм я пипнал,платката съм я съобразил с по-съвременните елементи. Прави я,няма да съжаляваш! Имай пред вид че трафът трябва да е достатъчно корав,за да можеш да вадиш 10А. Ако ти трябват,разбира се.
pansim - майстор
Схемата е работеща, но има един недостатък - няма ограничение по ток. Трафа и тиристора трябва да са сериозно презапасени. Има и по-добри схеми, но решението е твое.

Прикачен файл

0096.JPG

Прикачен файл

0095.JPG
teon - специалист
Благодаря Ви за мненията колеги ...а бихте ли посочили някакви достъпни аналози на елементите от първата схема?
друмчо - специалист
Там, от където си взел схемата, човека е описал всичко.
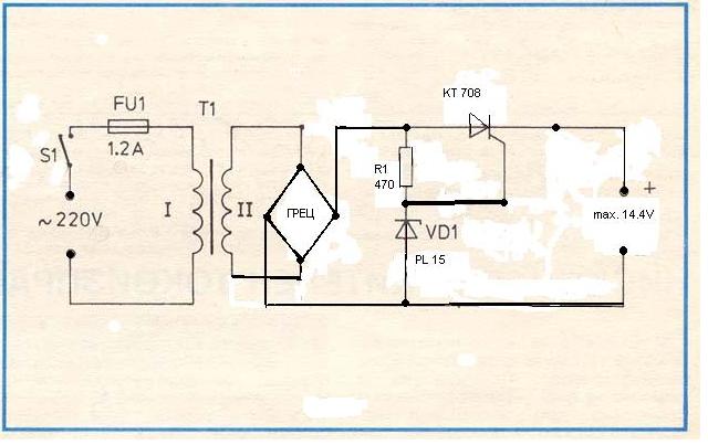
Аз бих направил така: Траф от стар руски телевизор, с пренавиване на вторичната, с по-дебела около 2кв.мм на около 20 волта. Грец - 4хД242 или подобни/стари руски-обемни са/, в магазинната мрежа има готови блокчета-компактни, но се монтират на радиатор. Тиристор - КУ202/руски - обемни/,в магазините ВТ151. Във всички случаи трябва да подбереш резистора и от това какъв ценер- всеки за напрежение 14-15волта. Тиристор ВТ151 обезателно на радиатор.
zimel - специалист
И аз,....ъъъ.... да се обадя от коневръза:

Защо ви е електроника, в зарядно за автомобилен акумулатор?
ditronix - специалист
pansim ,това,което си пуснал е същата схема без автоматиката за изключване! Подреди двете страници,че тази дето е отдолу е първата,а горната-втората. На нея в долната част се чете: Автоматично зарядно устройство Е от тук започва схемата,с която колегата откри тая тема! Какво ограничение по ток искаш,след като зарядния ток се регулира абсолютно плавно от нула до колкото може да се извади от наличния траф? И след като се достигне напрежение върху клемите на акумулатора,съответстващо на пълен заряд автоматиката изключва зарядното! Схемата има две съществени предимства-не може да се включи при объркан поляритет,което при много други схеми води до фойерверки и експлозии и също така когато е изключена трафът е отделен от мрежата! Аз съм ползвал за това зарядно захранващ блок ТЕС 12/5 от ТКЗС-радиостанциите-първите. Тези изправители се срещат в два варианта-с траф със средна точка и такъв с една вторична. И с двата вида трафове няма никакъв проблем.
ditronix - специалист
pansim ,това,което си пуснал е същата схема без автоматиката за изключване! Подреди двете страници,че тази дето е отдолу е първата,а горната-втората. На нея в долната част се чете: Автоматично зарядно устройство Е от тук започва схемата,с която колегата откри тая тема! Какво ограничение по ток искаш,след като зарядния ток се регулира абсолютно плавно от нула до колкото може да се извади от наличния траф? И след като се достигне напрежение върху клемите на акумулатора,съответстващо на пълен заряд автоматиката изключва зарядното! Схемата има две съществени предимства-не може да се включи при объркан поляритет,което при много други схеми води до фойерверки и експлозии и също така когато е изключена трафът е отделен от мрежата! Аз съм ползвал за това зарядно захранващ блок ТЕС 12/5 от ТКЗС-радиостанциите-първите. Тези изправители се срещат в два варианта-с траф със средна точка и такъв с една вторична. И с двата вида трафове няма никакъв проблем. За грец ползваш 35 амперов-в метален корпус,той е изолиран и го стягаш директно на кутията. Тиристорът може да е ВТ 152 или подобен,за 16-25А-да има запас!Трябва му радиатор,защото загрява! Диодът Д1 е ценер за 7,5V, няма значение какъв точно е. Транзисторите- ползвай за Т1,Т2 и Т4 ВС 547В и за Т3- ВС 557В. Според мен най-голяма мъка е намирането на РИД релето за 5V-трябва да е такова с малка консумация,иначе настройката става приключение. Това са български релета тип РМК и може би все още се намират тук-там.... Потенциометърът 10 К с който се регулира тока може да се наложи да се подбира,за да се достигне желаната стойност-поне при мен така се получаваше всеки път,но това не е проблем. Аз първоначално слагам един 100К и като достигна желания максимален ток меря стойността,която отговаря на този ток. После търся потенциометър с подобна стойност,за да мога да ползвам целия му обхват за регулиране на тока-става доста по- лесно и прецизно,отколкото да се ползва примерно само 1/4 от от обхвата. Също така доработих схемата-използвам двуцветен светодиод,като по време на заряд той свети червено,а след приключване на заряда или при включване на акумулатора за заряд ако всичко е точно-свети зелено. Добре е кутията да е вентилирана и един радиатор от компютър да обдухва карантиите вътре,защото особено лятото се отделя доста топлина и кутията загрява здраво!
jordanvass - майстор
ditronix написа:
Какво ограничение по ток искаш,след като зарядния ток се регулира абсолютно плавно от нула до колкото може да се извади от наличния траф?
Колега, бъркаш регулирането на напрежението с регулиране на тока. При тези схеми при промяна на фазовия ъгъл на отпушване на тиристора се променя ефективната стойност на напрежението на изхода на захранващия блок. Понеже товарът не е активно съпротивление, а акумулатор, това рефлектира в промяна на зарядния ток. Но тока никой нито го регулира, нито го ограничава - той е колкото се получи при съответния ъгъл на отпушване. Няма кой да го ограничи, ако има късо съединение в товара или някой с по-малко мозък включи акумулатора от мотора, който е на 6В. За това си трябва защита. Друг е въпросът колко е целесъобразна тази защита и дали често я слагат в такива устройства, но защита от свръхток реално няма. Поне един стопяем предпазител в изхода си трябва. Ако не спаси вентилите, то поне трафа ще спаси и пожар няма да стане.
pansim - майстор
Уби мЪ :lol:
ditronix - къде в посочената в първия пост схема има регулиране на зарядния ток???

Прикачен файл

St115_13SN5.jpg
St115_13SN5.jpg (40.1 KиБ) Видяна 25450 пъти
  • 1
  • 2
  • 3
  • 4
  • 5
  • 30

Тема "Схема на зарядно" | Включи се в дискусията:


Сподели форума:

Бъди информиран. Следвай "Направи сам" във Facebook:

Намери изпълнител и вдъхновения за дома. Следвай MaistorPlus във Facebook: