От мобилни телефони до цифрови камери
zheleff - специалист
Купих си LED коледна завеса с изричното изискване да е за външен монтаж. Обаче управлението за различните режими на мигане се напълнило с вода и вътре станало мармалад. Отворих го и видях, че доста са изпоръждясали и крачетата на някои елементи са се скъсали. Въпросът ми е мога ли елементарно /дори и това да ознчава работа в един режим/ да го презапоя. Нямам схема.
fluid_88 - напреднал
zheleff написа:
Купих си LED коледна завеса с изричното изискване да е за външен монтаж. Обаче управлението за различните режими на мигане се напълнило с вода и вътре станало мармалад. Отворих го и видях, че доста са изпоръждясали и крачетата на някои елементи са се скъсали. Въпросът ми е мога ли елементарно /дори и това да ознчава работа в един режим/ да го презапоя. Нямам схема.
Предполагам тази завеса си е вземал от комерсиалните хипермаркети или от магазините по левче там кабелите им са с прозрачен силикон и са възможно най смотаните и евтени коледни украси бих те посъветвал при вземане на коледна украса да се консултираш с професионалист,украсите който нии монтираме някой от тях са на 5 год служба :)
може да разгледаш идей и тип на украси тук.
http://www.facebook.com/#!/pages/%D0%9F ... 11?sk=wall
stiv1961 - майстор
А това управление навън ли трябва да стои?Не може ли да се монтира на сухо местенце :)
zheleff - специалист
Хубаво - лошо това е положението. Купено е от тук и е точно това.
http://www.amazon.co.uk/Icicle-Indoor-O ... s_light_21
Вече управлението да го сложа на сухо е късно. Прецакано е.
За това въпросът ми е може ли да го поправя елментарно и тогава да го сложа на сухо.
Ето и как изглежда в момента

Изображение

Изображение
kuger - майстор
Това кафявото, дето пише до него IC, ако се е опазило, всичко друго може да се подмени.
NeoBoss - специалист
аз като гледам е запазени , сега зависи колко му се занимава на човека да чисти запоява и замерва :), но аз лично мисля че пистите не са се прецакали ако ги почисти със спирт и смени транзисторите ще е светне
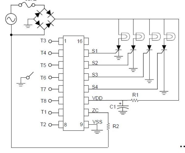
a_anastassov - специалист
Мисля, че това е схемата (при мен е тази). Сравни я !

Прикачен файл

Cr.jpg
Cr.jpg (26.93 KиБ) Видяна 3171 пъти

Тема "Коледна Led завеса - проблем." | Включи се в дискусията:


Сподели форума:

Бъди информиран. Следвай "Направи сам" във Facebook:

Намери изпълнител и вдъхновения за дома. Следвай MaistorPlus във Facebook: