От мобилни телефони до цифрови камери
gottogetit - специалист
малко подобрения на евтин винтоверт
здр колеги.начинаещ сам в електро техниката и имам няколко въпроса.
преди време си взех един евтин винтоверт и реших да му направя някои малки подобрения и екстри които имат по скъпите модели от 500-600 лева.
първо си сложих един бял диод с бутонче за включване и изключване като работя на по тъмни места.с това се справих лесно. ето клип.

http://www.vbox7.com/play:9bd839f4c0

винтоверта е с НИ-CD батерия с 15 клетки. знам че за по дългия живот на батерията е добре да се разрежда на около 15 волта.не съм много сигурен за това, но четох че всяка клетка трябва да се разрежда до 1 волт , преди да е сложа да се зареди наново.това разреждане го правя с един малък вентилатор на 24в, на 0.15 А. но постоянно следя с мултицета кога напрежението между полюсите пада на 15 волта за да прекъсна разреждането.
някои може ли да ми предложи някоя проста и евтина схема, която да прекъсва разреждането като батерията падне под 15 волта.мислих с ценер диод и някакво съпротивление , но не знам как точно да го свържа.
другия ми въпрос е.как да си направя индикация за оставашия ток в батерията,примерно с 4-5 светодиода. скъпите модели имат примерно зелен , жълт и червен диод.като свети зелено ок.като свети жълто значи е наполовина.като светне червено, трябва да е зареждаш.
тази индикация също ще се пуска с бутонче.мерси предварително за помоща. ще се радвам на лесни и евтини за изпълнение идеи.
petromaniq - специалист
Сам знаеш, че пакета ти е от 15 елемента. За разреден се смята, когато напрежението на елемент падне на 1,1V. Mислил ли си, кой ще гарантира равномерното разреждане на елементите? Замисъла ти е по-скоро, да си направиш ефектно осветление на винтоверта, отколкото да удължиш живота на батерията.
rosendochev - специалист
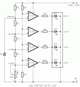
Изображение
R1=1K2
R2-3-4=680R
R5=15K
R6=10K
R7-8-9-10=1K
IC1=LM324
D1=5V6 /0.5W Zener
D2-3-4-5=LED
RV1=10K trimmer

Пробвай това ако не ти е много сложно като изпълнение , с малка промяна на стойностите ще стане за 18 волта и се събира лесно на пробна платка .
rosendochev - специалист
Сори :-D исках само снимката да пусна на схемата ама мй няма да стане , ето линк
gottogetit - специалист
petromaniq написа:
Сам знаеш, че пакета ти е от 15 елемента. За разреден се смята, когато напрежението на елемент падне на 1,1V. Mислил ли си, кой ще гарантира равномерното разреждане на елементите? Замисъла ти е по-скоро, да си направиш ефектно осветление на винтоверта, отколкото да удължиш живота на батерията.

колега сигурен ли си за тази стойност 1.1 в за НИ-CD батерия. защото до колкото четох в интернет публикации, го дават волтажа да падне на 80-85 процента, което е около 1 в. аз ги разреждам на 2 или 3 пъти. в смисъл като падне на 15.5 волта спирам разреждането. след 20-30 мин то се вдига от по силните батерии и пак разреждам до 15.5 волта. така сам сигурен че и по силните батерии се разреждат по равно с по слабите.или логиката ми е грешна.ако е така , някой да ме поправи и да ми каже правилния метод
gottogetit - специалист
rosendochev написа:
Изображение
R1=1K2
R2-3-4=680R
R5=15K
R6=10K
R7-8-9-10=1K
IC1=LM324
D1=5V6 /0.5W Zener
D2-3-4-5=LED
RV1=10K trimmer

Пробвай това ако не ти е много сложно като изпълнение , с малка промяна на стойностите ще стане за 18 волта и се събира лесно на пробна платка .
колега тази схема ми е малко сложна за изпълнение и не знам къде ще намеря место в винтоверта.по лесно ми е примерно да е само един диод , примерно червен които да светне ако напрежението на батерията падне под 17 волта. ако може да ми направиш схема с точните стойности на съпротивленията и елементите.мерси предварително.
shadow__01 - майстор
rosendochev написа:
Сори :-D исках само снимката да пусна на схемата ама мй няма да стане , ето линк
Винаги става.
Прикачен файл:
Battary-mornitor-circuit.gif
Battary-mornitor-circuit.gif (10.25 KиБ) Видяна 5511 пъти
rosendochev - специалист
Ами тогава пробвай тази схема

Изображение
почти елементарна е , може да има и по прости но аз само за тази се сещам за сега .
Ето и платка и как би изглеждала долу-горе . :-D

ИзображениеИзображение

Тема "малко подобрения на евтин винтоверт 18v" | Включи се в дискусията:


Сподели форума:

Бъди информиран. Следвай "Направи сам" във Facebook:

Намери изпълнител и вдъхновения за дома. Следвай MaistorPlus във Facebook: