От мобилни телефони до цифрови камери
martin_k_g - напреднал
Значи каква е идеята.Имам 2 бутона.Като натисна единия бутон искам да протича 5v, + по червения и - по черния.Като натисна другия бутон искам да протича пак 5v но + по черния и - по червения.Демек искам да се обръща поляритета със втория бутон :) .Преди се сещам че бях питал за нещо пак подобно но тогава реших проблема по друг начин.Ако може да предложите някой простичък вариант как да го направя?

П.П забравих да кажа че по 2-та кабела не трябва да протича постоянно ток.Само с натискане на бутона и с пускане да се прекъсва веригата.
Justy - майстор
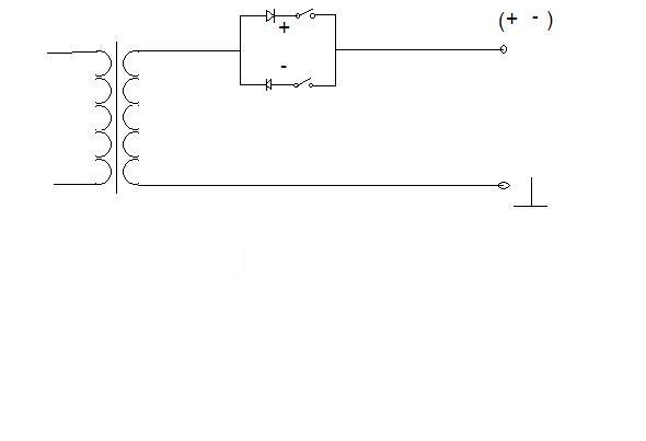
Ето свързване / без взаимна блокировка /, т.е. при натискане на двата бутона ще дадат накъсо петте волта. Такава можа да се изпълни с още една двойка контакти на бутоните.

Прикачен файл

inv.JPG
inv.JPG (11.42 KиБ) Видяна 5772 пъти
Gladiator_BG - специалист
за да не даде на късо можеш да ги вържеш двата бутона с реле ...
а ако искаш САМО бутон ... има едни такива дето са като ... абе незнам как се казват ... набързо скалъпих една драсканица ... погледни я може и да се сетиш какво имам в предвид ... това е един двоен бутон и дори да искаш няма как да натиснеш и двата варианта наведнъж

Прикачен файл

P1080022.JPG
P1080022.JPG (96.45 KиБ) Видяна 5750 пъти
Justy - майстор
Аха, имаш предвид трипозиционен ключ - така се спестяват допълнителните контакти :2thumbs:
martin_k_g - напреднал
Gladiator_BG написа:
за да не даде на късо можеш да ги вържеш двата бутона с реле ...
а ако искаш САМО бутон ... има едни такива дето са като ... абе незнам как се казват ... набързо скалъпих една драсканица ... погледни я може и да се сетиш какво имам в предвид ... това е един двоен бутон и дори да искаш няма как да натиснеш и двата варианта наведнъж
Колега мерси за идеята :) Не се бях сещал за такъв бутон.Не съм виждал до сега май такъв из магазините, но утре ще проверя :?
zimel - специалист
Може да се използва и це-ка ключ за лесно обръщане на поляритета.
На диагоналните крачета се запояват мостчета, на средните вход, на крайните изход.
Ако се използва трипозиционен це-ка ключ, средното положение ще е изключено.

Едно време използвах тази елементарна схема, за да променям посоката на електрическото влакче. Виждам, че темата е стара и не е точно с два бутона ама на някой може да му свърши работа.

Прикачен файл

elementarno.jpg
elementarno.jpg (43.11 KиБ) Видяна 4772 пъти
Найденов - специалист
Мисля, че Gladiator_BG ти е показал точно това, от което имаш нужда (щом като не трябва да има постоянно напрежение след натискане на бутона)- според мен "бутоните" за електрически задвижваните прозорци на автомобилите са точно такива. А преди него Justy ти е показал точната схема на свързване. Ако ще я ползваш само ти и си наясно с това, че при натискане на двата бутона ще дадеш накъсо- може да изпълниш нея.
Trifun - специалист
Някои от бутоните за управление на ел. стъклата на автомобилите са с 5 крачета. Имат нарисувана по една стрелка нагоре и надолу. По същество представляват два превключващи контакта - всеки от тях превключва при натискане на бутона в съответната посока, а при отпускане на бутона се връща в положението, в което е начертана схемата. Номерацията на крачетата на бутона е условна, последователно, като се започне от единия край (без значение от кой край точно). В нормално положение на бутона в двата края на консуматора се подава `минус`.

Прикачен файл

Dvigatel el. stakla 2.jpg
Dvigatel el. stakla 2.jpg (26.16 KиБ) Видяна 4702 пъти
dalgia - специалист
още една идея :roll:

Прикачен файл

sssss.JPG
sssss.JPG (10 KиБ) Видяна 4522 пъти

Тема "Схемичка + и -" | Включи се в дискусията:


Сподели форума:

Бъди информиран. Следвай "Направи сам" във Facebook:

Намери изпълнител и вдъхновения за дома. Следвай MaistorPlus във Facebook: