От мобилни телефони до цифрови камери
cybersas - специалист
Здравейте.

Имам много странен и неприятен проблем със скрито осветление - LED ленти.

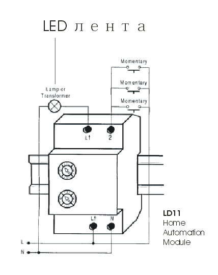
Схемата е следната 220 волта => Модул за упр. на осветлението (за автоматизация) => траф за 12 волта (електронен) => LED лента.

Та проблема:
Като загася осветлението, ледовете започват да мига (пулсации) - на всяка 1,5 сек за части от секундата и понеже са силни - нощем е ужас. В началото мислех, че нещо се разрежда в трафа, но не спират да мигат - нито се увеличава периода м/у миганията.

Още по-странно - ако ги вържа към съседния траф 12 волта (има 6 лунички на 12 волта там) - проблем няма - светят си заедно с луничките, даже се димират проклетите ледове, а като изключа - не мигат?! Ако разкача луничките от втория траф - дикскотеката почва и там. Двата трафа са различни (!). Трябва да има поне две луни (като товар един вид), за да не мигучкат ледовете...

Някакви идеи? Още инфо да дам, ако мога (то всичко е затворено, ама ще разглабям - така няма да стане явно...).

Предварително благодаря и се извинявам, ако не съм описал всичко това правилно.
isko6p - специалист
/премахни глин лампата на ключа/
cybersas - специалист
isko6p написа:
/премахни глин лампата на ключа/
Такава няма. Ключовете са 3 бр от типа бутони за стълбищно осветление - само подават импулс към модула за автоматизация, който пали или гаси. Ако задържиш бутона - димира.

Е това е схемата на свързване.

Прикачен файл

Problem.jpg
Problem.jpg (23.94 KиБ) Видяна 11266 пъти
isko6p - специалист
/ Според моите изчисления веригата ти е явно постоянно затворена и модула за управление изтърва електрически импусли и причинява мигане да диодите./
Оправия няма. А пък зада не мига аз бих го направил без модул и опикновенни ключове.
cybersas - специалист
isko6p написа:
/ Според моите изчисления веригата ти е явно постоянно затворена и модула за управление изтърва електрически импусли и причинява мигане да диодите./
Оправия няма. А пък зада не мига аз бих го направил без модул и опикновенни ключове.
Виж сега, колега. Първо - благодаря, че се ангажираш с мнение. НО! Този модул е важен, защото цялата ми къща се управлява чрез компютър, дистанционни и т.н. Ако го няма - нямам контрол над тази верига - не става. Стаята е детска. Искам аз като си лягам да натисна ALL OFF и да знам, че НЯМА включени вериги. Тези модули работят във вече N на брой стаи и нямам проблеми. Тука явно има проблем заради лед лентата - първа в къщата. Предполагам трябва някакъв товар да се сложи паралелно на нея, но не разбирам толкова от електроника. С 12волта луни - пак казвам - абс. същата постановка - ефекта го няма. Бих прежалил тази верига - направо демонтирам нейната м..ма (остави, че е и 100 камъка), обаче иначе мн хубаво свети - ще ми се да сложа още ленти тук-таме, ако реша проблема.

Да оставим, че веригата няма как да е постоянно затворена - сам виждаш - три постоянно отворени ключа има.

Отново благодаря за отзива, isko6p.
popovvv - специалист
Колега Cybersas,
Според мен проблема Ви идва от това, че модула LD11 е предназначен за управление на линеини товари/лампи с нажежаема жичка; нагреватели с реотани и др. които са чисто активни товари/.Този модул представлява тиристорен или симисторен регулатор на мощност и не може да работи с товари съдържащи реактивни съставки/ел.двигатели, трансформатори и др./.Устройството което Вие наричате трансформатор най вероятно е импулсно захранване, а то не е линеен/активен товар/.Ако замените LD11 с АМ12 или AD10, мисля,че проблема ще изчезне.Понеже тези модули/AM12,AD10/ нямат димиране по-добро решение е те да командват само LED осветлението.
velas - специалист
Светодиодното е с много малък товар. Трябва да вържеш паралелно някакъв товар или обикновенна луничка. 100% в упътването на модула пише с какъв минимален товар трябва да работи.

Датчика ми за движение е по същия начин - не работи със светодиодна луничка...иска товар 20W.
popovvv - специалист
До Cybersas,
Вижте това, то дава отговор как да решите проблема:Как мне управлять яркостью свечения люминесцентных ламп.
Управлять яркостью люминесцентных ламп с помощью оборудования Х10 можно следующим образом: люминесцентные лампы включить через управляемые ЭПРА (балласты).
Традиционно такие ЭПРА управляются напряжением 1-10 Вольт, которое можно получить из напряжения 0-220 Вольт, снимаемого с диммера, с помощью специального (серийно выпускаемого) преобразователя.

При этом неудобство создается из-за того, что только лишь преобразователь является недостаточной нагрузкой для нормальной работы диммера и его (диммер) нужно дополнительно нагружать. Т.е. схема вырисовывается такая - управляемый по Х10 диммер (например, LD11), к нему подключена лампа накаливания мощностью 60 Вт, параллельно ей подключен преобразователь, его выход соединяется с ЭПРА, а к ним уже подключены люминесцентные лампы.

Т.е. основная проблема - где и как разместить дополнительную нагрузку (лампу накаливания). Очевидно, что такой проблемы нет в случае комбинированной световой группы (группы, в которую входят светильники с лампами накаливания и люминесцентными лампами).
Казано на разбираем език между изходящата клема К1/тази в която се включва трафа/ и нулата трябва да се включи и лампа с нажежаема жичка с мощност 60вт.Въпроса е къде ще скриете тази лампа, ако пречи.
sstefanov - майстор
Свържи паралелно на първичната намотка на електронния трансформатор един кондензатор 470nF/400V или малка крушка с нажежаема жичка.
cybersas - специалист
sstefanov написа:
Свържи паралелно на първичната намотка на електронния трансформатор един кондензатор 470nF/400V или малка крушка с нажежаема жичка.
Извинявай, но не ми е ясно как се свързва? Просто крачетата на плюс и минус?Не разбирам от тоци достатъчно.


Мерси на всички за отговорите. Ще видим как ще стане.

Тема "Странен проблем с LED" | Включи се в дискусията:


Сподели форума:

Бъди информиран. Следвай "Направи сам" във Facebook:

Намери изпълнител и вдъхновения за дома. Следвай MaistorPlus във Facebook: