От мобилни телефони до цифрови камери
cakev79 - специалист
Здравейте!Преди да си задам въпроса да кажа,че със тоците и схемите съм на ВИЕ!Сега на въпроса.Ползвам захранването за захранване на винтоверт.Сила има,върши ми работа.Проблема е,че карат около 3-4месеца.После гори предпазителя обикновенно.Да ме насочите какво да търся като причина,и ако има начин тази част да се позасили,ако има вариянт дори от 2 захранвания за направя 1.Ползвам изходите със +12 V и 16A.
rutaro - специалист
Със батерия ли ползваш този винтоверт, или само със захранването.Съмнявам се, че захранването има 16 амп. на 12в.
pansim - майстор
От обикновено захранване /ефтинко/ спокойно може да се захрани винтоверт, и няма да гори на 3-4 месеца. НО трябва преработка, не е сложна за човек с познания по електроника. Ако ти се наемаш да го правиш, ще ти изпратя схема.
cakev79 - специалист
ами дай да видим,пък ако трябва ще моля за помощ
pansim - майстор
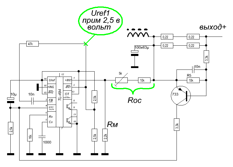
Ето ти схема.
Това е зарядно за акумулатор, но успешно ще изпълнява твоята работа.
Най-напред виж дали твоето захранване е изпълнено с ТЛ494 /КА7500/
Ако има въпроси - питай.

Прикачен файл

zar_03.gif
zar_03.gif (14.35 KиБ) Видяна 3839 пъти
cakev79 - специалист
За сега мога само да благодаря,като разгледам ще питам ако трябва
zoro1 - специалист
За какъв акумулатор става гореописаната схема?
pansim - майстор
Това е преработка на АТХ захранване.
Повечето неща си ги има оригинално по схемата.
От обратната връзка зависи напрежението до което ще се зарежда акумулатора, а от нискоомните резистори 0.22ом, зависи максималния ток на зареждане.

Тема "компютърно захранване" | Включи се в дискусията:


Сподели форума:

Бъди информиран. Следвай "Направи сам" във Facebook:

Намери изпълнител и вдъхновения за дома. Следвай MaistorPlus във Facebook: