От мобилни телефони до цифрови камери
maddoktor - специалист
:) здр търсих бая тука - ама точно за моя случай не намерих
имам следната ситуация
събрал съм в един правоъгалник 60 диода ( 20000 mcd / 20 )
според продавачката това 20 било ъгъл на светене - ето и самият диод - ама на мене не ми се вярва - предполагам това е тока на консумация
http://free.hit.bg/maddoktor/led%2020000%20mcd.JPG

а тука намерих следната ситуация
http://bg.farnell.com/vishay/tlcr5800/l ... tid=764254 - което ме навежда на мисълта че иска моят диод не 20 мА - а 50 мА .

ето принципната схема как съм навързал 60 диода и са готови за схема която вие да предложите :)
http://free.hit.bg/maddoktor/circuit%20leds.JPG

ето как съм ги наблъскал :) на малко пространство
http://free.hit.bg/maddoktor/led%20far.JPG

имам 8 NiMh 2450мА батерии
дайте работеща принципна схема - която да ги подкара както трябва
без да се прецакват
предполагам един такъв диод е със номинален ток 30 мА - или е по-голям - понеже е бая ярък ( 20 000 mcd )
пробвах със 7 батерии имам - 8 волта / 0,9 А - и не може да се погледне срещу него - ама ми се искам схема .
bobykafe - специалист
Светодиодите са нелинейни елементи- т.е. при минимално увеличаване на напрежението се променя чувствително тока! Това налага много точно регулиране на напрежението, или по- лесния вариант- регулиране на тока.
В твоя случай, трябва да провериш на какъв ток те устройва светенето и да измериш колко е напрежението върху светодиода в този случай. Следващата стъпка е да определиш в какви граници се изменя напрежението на батерията в заредено и разредено състояние, откъдето ще определиш стойността на баластния резистор, който трябва да се сложи. Най- добрия случай е баластния резистор да е с минимално съпротивление.
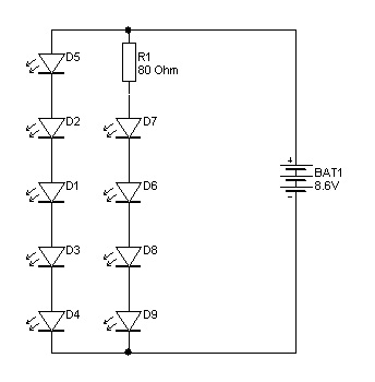
И така, да пристъпим към сметките.
Приемам максимално напрежение на батериите 1,2 Волта на елемент.
Приемам минимално напрежение на батериите 1 Волт на елемент.
Приемам 2 Волта на светодиод при 20 мА консумация
Най- добрия вариант е свързването последователно на батериите - така имам 8х 1,2 =9,6 Волта максимално напрежение.
Тогава свързвам 4 светодиода последователно -> 4х2 = 8 Волта.
За резистора остава 9,6 - 8 =1,6 Волта
Стойността на резистора се определя от желания в това състояние ток, а именно 20 мА = 0,02 А
R = U/I -> R= 1,6 /0,02 = 80 Ohm
Т.Е трябва да имаш във всяка верига 4 последователно свързани светодиода и един резистор 80 Ома.
В този пример се получава неприятно висока стойност на резистора, и можеш да експериментираш с 5 последователно свързани диода без резистор, понеже си сигурен, че няма да достигнеш максималния им режим- въпроса е да те устройва силата на светене.

Прикачен файл

2 werigi.jpg
2 werigi.jpg (17.31 KиБ) Видяна 4921 пъти
maddoktor - специалист
мерси за мнението кеото сподели - но исках да е малко по-сложно :)

днес направих експеримент с намерена от мене схема
ето и линка http://www.reuk.co.uk/OtherImages/ne555 ... ircuit.gif

отначало се ядосах че схемата не прави това което очаквах
в изхода да имам около 5,5 до 6 волта и ток през диодите 600 до 800 мА.
понеже ползваният от мен транзистор TIP132 и даде 6 волта ама едва 350 мА ток.
Без да искам намерих в един полски форум една схема която е подобна на тази но се ползва MOS - buz10 - сетих се чак като видях схемата , че този тип транзистор е като ключ
http://free.hit.bg/maddoktor/47_1235236426.jpg

обаче имах само един IRFZ48N - и радост за мене
имам 5,4 V / 830 mA ( така на Диод имаме 2,7 V / 27.66 mA ) като честотата на импулсите е около 100 херца или малко повечко - но има един проблем - схемата я храня със 12 волта - и потенциопметъра е на средно положение - за да имам тия данни
мислих да го направя да се сменя силата на светене - ама май ще е настроено веднъж и няма се пипа повече .
ако сменя този MOS транзистор с друг тип - дали при същото входно напрежение - ще се получи по-голям ток през диодите - така може да спестя някоя и друга батерия
къде са 10 бат. за 12 волта - где са 8 за 9 волта :)

как се проверява при такъв режим ( плавъгално напрежение с честота 100 Hz ) колко ток минава че не знам дали му е множко - ама след 10 мин светене - се затоплиха :)
kolaborator - специалист
виж това:

Прикачен файл

_1203696063_1.jpg
_1203696063_1.jpg (179.93 KиБ) Видяна 4826 пъти

Прикачен файл

_1203697140_8.jpg
_1203697140_8.jpg (76.17 KиБ) Видяна 4826 пъти
maddoktor - специалист
мда видях го - ама това са само диодчета монтирани на платка .
Дали ще има продължение относно схемата която ги захранва, или те директно от батерия .
kolaborator - специалист
maddoktor написа:
мда видях го - ама това са само диодчета монтирани на платка .
Дали ще има продължение относно схемата която ги захранва, или те директно от батерия .

Ами от акумолатора директно!нали е 12В. !?!По тази схема се продават и фенери(батерии)! :)

Прикачен файл

_1203697237_5.jpg
_1203697237_5.jpg (72.19 KиБ) Видяна 4795 пъти

Тема "нуждая се от помощ за схема за много LED" | Включи се в дискусията:


Сподели форума:

Бъди информиран. Следвай "Направи сам" във Facebook:

Намери изпълнител и вдъхновения за дома. Следвай MaistorPlus във Facebook: