• 1
  • 6
  • 7
  • 8
  • 9
  • 10
  • 11
От мобилни телефони до цифрови камери
pansim - майстор
Ако те интересува работеща схема ето:
Но лично аз си направих от АТХ захранване. При интерес ще ти помогна.

Прикачен файл

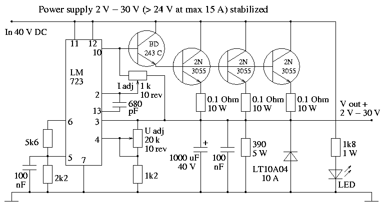
ps2-30v.gif
ps2-30v.gif (9.67 KиБ) Видяна 6576 пъти
jordanvass - майстор
Схемата, която ти предложиха, е хубава. Аз бих преработил малко защитата по ток, като си сложа отделен шунт в изхода, за да не ми влияе напрежението База-Емитер на управляващата група, но и така става.
Що се отнася до мощността, която биха могли да разсеят трите мощни транзистора, тя определено е надценена. Дори и над 24В, както е показано на схемата, при 15А ток тия транзистори няма да са достатъчни. А и кой ще следи при ниски изходни напрежения да се черпи по-малко ток, за да не прегреят транзисторите? Стефанов още в началото те посъветва да ползваш две различни напрежения от трансформатора, като прагово комутираш по-високото с тиристори в зависимост от напрежението в изхода на стабилизатора. Без този трик трудно ще разсейваш тия големи мощности.
Всъщност за какво ти е този огромен ток? Имаш ли конкретна нужда от него или просто ей така да си го може? Защото той ти усложнява много заданието. В практиката рядко се налага да се използва толкова силен ток. За повечето случаи 4-5А са напълно достатъчни за лабораторен токоизправител. А ако ти трябва конкретно за някой консуматор 10А - направи си фиксирани напрежения без стабилизация, като ползваш различни изводи от вторичната.
MrMurdjo - майстор
Защо не разгледаш техническата спецификация на интегралния стабилизатор LM338 - Макс. 5А / 1.2 до 32 волта?
Има и примерни схеми от производителя как могат да се свържат паралелно за 10 и 15 А.
Според мен е доста по-опростено решение, отколкото с толкова много транзистори.
pansim - майстор
Да, за да се предложи елегантно решение, трябва да се знае приложението на уреда. Иначе само си чешем клавиатурите.
И все пак ми се струва, че по-доброто решение е преработка на АТХ захранване от компютър. ЗАЩО:
1. На практика са без пари - при компютържийте има много стари но годни за преработка.
2. Леко и с малки габарити за мощноста си.
3. КПД далеч над обикновен линеен стабилизатор.
4. Преработката не е толкова сложна - с малко помощ всеки който може да различава елементите и да държи поялник, ще се справи.
shadow__01 - майстор
Всичко е сложено в кутия и нямам място да сложа стар ATX, но имам място за малка платка и радиатор с вентилатор за транзистор. Мислях си за 2N3055 защото е достатъчно мощен. Знам, че ще има загуби, но не мога да се доверя на импулсни захранвания въпреки високото им КПД.
Относно идеята за два броя LM338 свързани по схема не съм съгласен поради скъпата им себестойност. LM317 и транзистор от 1 лев идва доста по-евтино. За защита от късо ще потърся нещо по-сложно щом схемата с релето и тиристора не е добра.
MamaMy - майстор
Значи няма място за АТХ захранване, а има място за трансформатор 20А грец и яки кондензатори? :?
jordanvass - майстор
shadow__01 написа:
LM317 и транзистор от 1 лев идва доста по-евтино.
Само с един транзистор - забрави за повече от 2А ток при твоя трансформатор с 29В~.
pansim - майстор
Значи, колега, искаш за 2 /два/ лева да направиш стабилизиран регулируем източник до 15А????
Аз това не го мога - желая ти успех :lol:
shadow__01 - майстор
jordanvass написа:
shadow__01 написа:
LM317 и транзистор от 1 лев идва доста по-евтино.
Само с един транзистор - забрави за повече от 2А ток при твоя трансформатор с 29В~.
Всъщност понеже напрежението е около 30V и като се филтрира и става над 40, което изгаря стабилизатора, ще го правя само с едната намотка (15V). Мощност има, но искам напрежение което не кляка от товар 8A примерно.
А и нали транзистора му дават 15A? Какъв е проблема да изкара 10? Може да сложа 2 транзистора?
Нямам място в кутията за ATX, защото трансформатора е голям и я заема малко повече от половината.
Имам един изправител от хобикит с LM723 и един транзистор. Дават му 2А ток. Ако му сложа още 2 транзистора....но не ми се рискува да го разваля.
http://www.hobbykit.eu/hobbyb/h1007.html
sstefanov - майстор
При 20V пад и 10A ток транзисторът ще трябва да разсее 200W!
Ужасно трудно и скъпо е да направиш това (ако въобще е възможно).
Паралелни транзистори се слагат, за да се разпредели разсейваната мощност върху няколко елемента.
  • 1
  • 6
  • 7
  • 8
  • 9
  • 10
  • 11

Тема "Мощен токоизправител" | Включи се в дискусията:


Сподели форума:

Бъди информиран. Следвай "Направи сам" във Facebook:

Намери изпълнител и вдъхновения за дома. Следвай MaistorPlus във Facebook: