• 1
  • 5
  • 6
  • 7
  • 8
  • 9
  • 11
От мобилни телефони до цифрови камери
cvetanmu - специалист
Това с допълнителния транзистор не съм го пробвал - и може да има жертви. Пада на напрежение върху емитерните резистори би трябвало да отпуши допълнителния транзистор при ток над 10А, а той да шунтира съпротивлението на входа LM317.
По този начин се запушват мощните транзистори, а LM317 си има защита от късо, която да го пази. Това е само идея от моя страна която не съм пробвал и не гарантирам, че ще сработи.
Двете съпротивления вързани към емитерите на мощните транзистори се монтират точно заради разликата в двата транзистора, но това не е панацея - винаги единия транзистор ще грее малко повече от другия.
shadow__01 - майстор
cvetanmu написа:
Това с допълнителния транзистор не съм го пробвал - и може да има жертви. Пада на напрежение върху емитерните резистори би трябвало да отпуши допълнителния транзистор при ток над 10А, а той да шунтира съпротивлението на входа LM317.
По този начин се запушват мощните транзистори, а LM317 си има защита от късо, която да го пази. Това е само идея от моя страна която не съм пробвал и не гарантирам, че ще сработи.
Двете съпротивления вързани към емитерите на мощните транзистори се монтират точно заради разликата в двата транзистора, но това не е панацея - винаги единия транзистор ще грее малко повече от другия.
Те и двата ще са на един радиатор с постоянно охлаждане без значение колко са натоварени. Благодаря за подробното пояснение. Ще го пробвам пък ако стане нещо да изгори няма да голяза загуба(един транзистор е около 80 стотинки). И нещо за което забравих, LM317 трябва ли да е на радиатор? Мога ли да го сложа заедно с транзисторите на един радиатор?
Последно пояснение ще помоля за филтриращите кондензатори. 10000 микрофарада ли трябва да са? Не са ли много големи? Или прекалено малки? За 20А нерегулируемата част стигат ли 2200 микрофарада или трябва да са повече? И да те попитам най-важното за сега може би. Защитния транзистор какъв трябва да бъде?
cvetanmu - специалист
До около 1А товар на изхода ще работи само LM 317 и ще трябва да се охлажда, а за допълнителния транзистор трябва да е нещо като BD234, BD180, BD136.
Кондензатор 4700мф ще ти свърши работа.
shadow__01 - майстор
cvetanmu написа:
До около 1А товар на изхода ще работи само LM 317 и ще трябва да се охлажда, а за допълнителния транзистор трябва да е нещо като BD234, BD180, BD136.
Кондензатор 4700мф ще ти свърши работа.
Транзистора трябва ли да е на радиатор или може и на платката без радиатор за по-лесно?
4700мф за регулируемата част 10-12А макс или за нерегулируемата 14.5V, 20А макс?
Ако сложа всичко което излъчва топлина (без двата греца) на един общ радиатор предполагам няма да има проблем или греша?
shadow__01 - майстор
Ще може ли някой да ме посъветва за последно дали тази схема е добра и дали работи? Мисля да направя нея, защото постоянно изгарят тази транзистори Дарлингтон.
Прикачен файл:
lm317.gif
lm317.gif (4.97 KиБ) Видяна 7039 пъти
Транзистора е 2N3055 и трябва да държи 10А без да пада напрежението.
sstefanov - майстор
Не е добра! Няма и защита от претоварване.
shadow__01 - майстор
sstefanov написа:
Не е добра! Няма и защита от претоварване.
Само заради защитата от претоварване ли не е добра или по принцип?
За защита съм намислил да сложа нещо елементарно като това
Прикачен файл:
Защита от КС.jpg
Защита от КС.jpg (7.16 KиБ) Видяна 7033 пъти
Но не знам как се свързва точно и какви са елементите му.
sstefanov - майстор
Не само заради защитата. Затова съм написал
Няма и защита от претоварване.
А тази схема, която си показал ще сработи след като транзистора, а вероятно и захранваното устройство, са изгорели.
shadow__01 - майстор
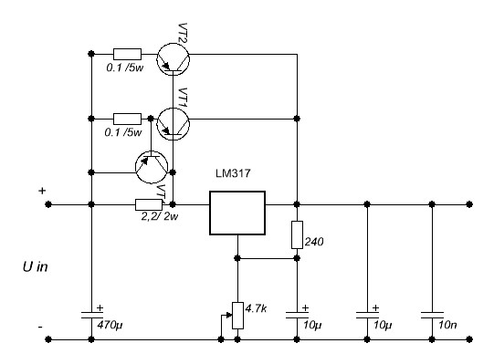
Изгорях доста BDX54C и затова пиша пак в темата за да ми предложите схема с един 2N3055 която работи на 100%. Доста пари хвърлих и искам като сложа голям транзистор в корпус TO-3 да държи 10А.
П.С. Не може ли на вече готовата
Прикачен файл:
regu2.JPG
regu2.JPG (23.22 KиБ) Видяна 7025 пъти
да се заменят двата BDX54C с един 2N3055?
Ако да как трябва да се преработи защото 2N3055 е NPN, а BDX54C е PNP?
  • 1
  • 5
  • 6
  • 7
  • 8
  • 9
  • 11

Тема "Мощен токоизправител" | Включи се в дискусията:


Сподели форума:

Бъди информиран. Следвай "Направи сам" във Facebook:

Намери изпълнител и вдъхновения за дома. Следвай MaistorPlus във Facebook: