• 1
  • 4
  • 5
  • 6
  • 7
  • 8
  • 11
От мобилни телефони до цифрови камери
shadow__01 - майстор
Да попитам за диодите в схемата с какви аналози да ги сменя в случай, че не намеря същите?
С другите елементи ще се справя с намирането на аналози, но на тези диоди не намерих аналози.
Мога ли да ги заменя с първите по-мощни, които намеря? Или поне само Д242Б да е по-мощен, а вместо Д226Д да сложа 1N4001?

Прикачен файл

image030.jpg
image030.jpg (65.75 KиБ) Видяна 4471 пъти
sstefanov - майстор
С никакви!
Тази схема въобще няма да ти свърши работа (както вече казах, ама няма кой да чете).
shadow__01 - майстор
sstefanov написа:
С никакви!
Тази схема въобще няма да ти свърши работа (както вече казах, ама няма кой да чете).
Има кой да чете, ама lz1wvm писа на втората страница, че ставало и фиг. 15 и аз заради по-високото напрежение избрах нея. защо да не става? Можеш ли да предложиш друга? Има ли изобщо тиристорна схема за тази цел?
shadow__01 - майстор
miroton написа:
Какво не ти хареса в тази схема http://www.datasheetcatalog.org/datashe ... s/5055.pdf
За тази нямам нищо против. Как стоят нещата със загубите при нея?

Прикачен файл

gyguihlkhyugl.JPG
gyguihlkhyugl.JPG (43.92 KиБ) Видяна 4458 пъти
lz1wvm - специалист
sstefanov написа:
С никакви!
Тази схема въобще няма да ти свърши работа (както вече казах, ама няма кой да чете).
Защо.
sstefanov - майстор
sstefanov написа:
Големи пулсации (при ниски напрежения и големи токове - огромни), нестабилизирано напрежение, липса на защита от късо. Май стигат толкова
miroton - майстор
Загубите се решават с 500 см2 радиатор и вентилатор от импулсно на компютър.
lz1wvm - специалист
sstefanov написа:
Сглобяването може и да е удоволствие, но пускането ще е ад!
Ако пък shadow__01 си помисли,че пускането на линеен стабилизатор с паралелно свързани транзистори е рай.....също не е вярно.При закупуването на няколко транзистора(дори от една партида) имат разлика в коефицента на усилване,от порядъка на 20-40 процента,съпротивленията са с по-малък толеранс.Ако това е на лице,то при малки напрежения и големи токове ще има проблем,който и най-големия радиатор няма да го реши.Предполагам,че shadow__01 не го знае това,но и никой не го запозна.
shadow__01 - майстор
lz1wvm написа:
sstefanov написа:
Сглобяването може и да е удоволствие, но пускането ще е ад!
Ако пък shadow__01 си помисли,че пускането на линеен стабилизатор с паралелно свързани транзистори е рай.....също не е вярно.При закупуването на няколко транзистора(дори от една партида) имат разлика в коефицента на усилване,от порядъка на 20-40 процента,съпротивленията са с по-малък толеранс.Ако това е на лице,то при малки напрежения и големи токове ще има проблем,който и най-големия радиатор няма да го реши.Предполагам,че shadow__01 не го знае това,но и никой не го запозна.
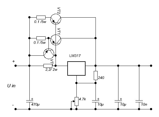
Много си прав, че не го знам. Затова пиша за да се изяснят всички евентуални проблени свързани с излишни разходи после. Също и не съм написал, че една от целите които гоня е всичко да излезе максимално евтино без да се дават пари за излишни неща,
Тъй като няма схема която да не е импулсна и да няма големи загуби се реших като ще е гарга да е рошава и да направя тази схема от първата страница с транзистора като уж защита от късо съединение освен предпазителите. Имам голяма част от елементите за нея и ще ми излезе по-евтино да купя само някой дреболийки и да я сглобя. Предполагам че разликите в коефициента на усилване на двата уж еднакви транзистора от една партида няма да ми изиграе лоша шега.

Прикачен файл

regu2.JPG
regu2.JPG (23.22 KиБ) Видяна 4430 пъти
  • 1
  • 4
  • 5
  • 6
  • 7
  • 8
  • 11

Тема "Мощен токоизправител" | Включи се в дискусията:


Сподели форума:

Бъди информиран. Следвай "Направи сам" във Facebook:

Намери изпълнител и вдъхновения за дома. Следвай MaistorPlus във Facebook: