Днес купих 20 резистора по 51ома. Ще стигнат ли? И това означава ли че, нещата ще станат два пъти по-прецизно ,тоест стъпка от 2,5°С.
От мобилни телефони до цифрови камери
gim
- специалист
53 мнения в "Мониторинг на температура"
gim
- специалист
- Мнения: 88
Задачата се оказа още по-трудна ,отколкото си мислех. Резултата не е точно както го искаш ,но се надявам да свърши работа.
..брой резистори 51ома.....реална температура °С......на дисплея показва °С
----------12----------------------------29------------------------------60,8------------
----------11----------------------------31------------------------------61,0------------
----------11----------------------------34------------------------------63,0------------
----------10----------------------------32,2----------------------------59,0------------
----------10----------------------------33,8----------------------------60,3------------
-----------9----------------------------36,7----------------------------60,8-------------
-----------8----------------------------38,4----------------------------59,7-------------
-----------8----------------------------39,5----------------------------60,4-------------
-----------7----------------------------40,8----------------------------59,1-------------
-----------7----------------------------41,8----------------------------60,3-------------
-----------6----------------------------42,2----------------------------58,0-------------
-----------6----------------------------44,8----------------------------60,4-------------
-----------5----------------------------47,6----------------------------60,3-------------
-----------4----------------------------48,8----------------------------59,1-------------
-----------4----------------------------49,3----------------------------59,7-------------
-----------3----------------------------52,2----------------------------59,7-------------
-----------2----------------------------54,5----------------------------59,7-------------
-----------1----------------------------53,9----------------------------56,2-------------
Има малки отклонения тук-там,в следствие на лош контакт предполагам.
Според мен едно съпротивление "отговаря" на 2,3°С.Ако се споят резисторите а не само спайка ,както аз направих ,мисля че и 12бр. ще съответстват на "стъпка" от 2,3°С за всяко едно.
..брой резистори 51ома.....реална температура °С......на дисплея показва °С
----------12----------------------------29------------------------------60,8------------
----------11----------------------------31------------------------------61,0------------
----------11----------------------------34------------------------------63,0------------
----------10----------------------------32,2----------------------------59,0------------
----------10----------------------------33,8----------------------------60,3------------
-----------9----------------------------36,7----------------------------60,8-------------
-----------8----------------------------38,4----------------------------59,7-------------
-----------8----------------------------39,5----------------------------60,4-------------
-----------7----------------------------40,8----------------------------59,1-------------
-----------7----------------------------41,8----------------------------60,3-------------
-----------6----------------------------42,2----------------------------58,0-------------
-----------6----------------------------44,8----------------------------60,4-------------
-----------5----------------------------47,6----------------------------60,3-------------
-----------4----------------------------48,8----------------------------59,1-------------
-----------4----------------------------49,3----------------------------59,7-------------
-----------3----------------------------52,2----------------------------59,7-------------
-----------2----------------------------54,5----------------------------59,7-------------
-----------1----------------------------53,9----------------------------56,2-------------
Има малки отклонения тук-там,в следствие на лош контакт предполагам.
Според мен едно съпротивление "отговаря" на 2,3°С.Ако се споят резисторите а не само спайка ,както аз направих ,мисля че и 12бр. ще съответстват на "стъпка" от 2,3°С за всяко едно.
ivanovbg
- майстор
- Мнения: 5269
Екстра е експеримента. Важното е че постигнахме искания ефект.
Сега трябва да решиш каква точност те устройва и да се направи устройството което да ги превключва с нужния брой релета при съответната външна температура. Най лесно се постига с микроконтролер с аналогов вход и необходимия брой цифрови изходи. За съжаление не съм на ти с програмирането на микроконтролери. Евентуално мога да помогна с проектирането на схемата.
Доста хора във форума са на ти с програмирането и вероятно ще помогнат. Примерно Вектра или 2v6 ... Може и да не е безплатно, но за да получиш трябва да дадеш.
Колкото до защитата за прегряване - най лесно ще е с един терморегулатор на съответната температура който да спира тока на горелката примерно. http://www.electroprogres.com/index.php?l=1041
Сега трябва да решиш каква точност те устройва и да се направи устройството което да ги превключва с нужния брой релета при съответната външна температура. Най лесно се постига с микроконтролер с аналогов вход и необходимия брой цифрови изходи. За съжаление не съм на ти с програмирането на микроконтролери. Евентуално мога да помогна с проектирането на схемата.
Доста хора във форума са на ти с програмирането и вероятно ще помогнат. Примерно Вектра или 2v6 ... Може и да не е безплатно, но за да получиш трябва да дадеш.
Колкото до защитата за прегряване - най лесно ще е с един терморегулатор на съответната температура който да спира тока на горелката примерно. http://www.electroprogres.com/index.php?l=1041
gim
- специалист
- Мнения: 88
Радвам се
,че постигаме желаното!
Колкото до точността,смятам че 2°С е идеална.Ще съм доволен разбира се, на всичко което кажеш ти или някой друг че е по-подходящо.
Останалото което описваш ми е "тъмна Индия",така че очаквам инструкции,какво да правя.Когато трябва да купувам нещо,моля за подробно описание и точни характеристики,за да не ми пробутат в магазина артикул който няма да стане!
Колкото до точността,смятам че 2°С е идеална.Ще съм доволен разбира се, на всичко което кажеш ти или някой друг че е по-подходящо.
Останалото което описваш ми е "тъмна Индия",така че очаквам инструкции,какво да правя.Когато трябва да купувам нещо,моля за подробно описание и точни характеристики,за да не ми пробутат в магазина артикул който няма да стане!
ivanovbg
- майстор
- Мнения: 5269
Значи параметрите са 12 стъпки от -20С до +10С или през 2,5 градуса външна температура.
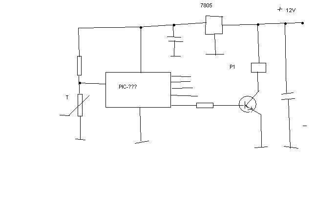
Идеята ми е следната: Схемата съм я нарисувал само с едно реле, но другите са по подразбиране. Реленцата са с нормално отворен контакт. Може да стане и с ардуино. Примерно това http://www.robotev.com/product_info.php?products_id=309 има нужните входове и изходи.
Остава да се търси програмист.

Идеята ми е следната: Схемата съм я нарисувал само с едно реле, но другите са по подразбиране. Реленцата са с нормално отворен контакт. Може да стане и с ардуино. Примерно това http://www.robotev.com/product_info.php?products_id=309 има нужните входове и изходи.
Остава да се търси програмист.
Прикачен файл
untitled2.JPG (15.57 KиБ) Видяна 2385 пъти
Последна промяна от ivanovbg на нед мар 22, 2015 10:11 pm, променено общо 1 път.
gim
- специалист
- Мнения: 88
продължението:
ivanovbg
Може и на лични.
Можеш ли да премериш на празната клема ТВ какво напрежение има, че ми се върти нещо в главата?
gim
Напрежението между TW и TB е 3,5v , а между GND и TB е 4,9v. Измерването е при работеща горелка и включен датчик,отчитащ в момента 33°С.
ivanovbg
идеално - точно както си мислех.
Имаш ли двужилен кабел дето да стига до хладилника и до отвън?
gim
До вънка са 6м. а най-близкия хладилник е на поне 30м. За утре вечер мога да осигуря нужния метраж ,само че UTP.Става ли?
ivanovbg
Би трябвало да стане.Не е нужно чак 30 метра. Трябва да вземеш и едно такова термисторче http://vikiwat.com/termorezistor-16.5k- ... 5-ntc.html То ще е корекцията и трябва с кабела да го свържем между TW и TB и ще го пратим отвънка. Може и да е някое с близки параметри - между 15 и 20 килоома. Идеята е да с него да намаляваме пулъп резистора и по този начин да постигнем нужната корекция.
Преди това термисторчето ще трябва да го пъхнем в хладилната част с едно тънко кабелче за удължение и да мерим с мултицета какво съпротивление ще стане и след това във фризерната част и при топящ се лед - 0С . Хубаво е да имаме термометър за да знаем точната температура и съпротивление. Ако ни устройва направо монтираме. Иначе ще трябва да го докоригираме. Би трябвало при 0 градуса да е около 30 килоома.
gim
Да повторя какво разбрах:
__1. Купувам термистора или някой друг със стойност между 15 и 20 к.ома при 25°С
__2. Измервам темп. в хладилника и съпротивлението на термистора докато е вътре
__3. Повтарям точка 2 във фризера.
__4. Повтарям точка 2 в топящ се лед.
__5. Записвам резултата и докладвам.
ivanovbg
да, ако по калкулация е добре - връзваме го между TW и TB и го меткаме през прозореца - на сянка!
gim
Да питам в магазина направо за термистор с 30к.ома при 0°С.
ivanovbg
Може, но май винаги ги дават за 25С в каталозите.
gim
Купих NTCLE100E3103 . Погледни в http://store.comet.bg/download-file.php?id=4847 на страница 10 последния сензор ,и кажи има ли смисъл да правя експериментите. Това е най-близкото което има до 30к.ома при 0°С .Казаха че ако искам могат да осигурят и по зададени от нас характеристики ,но с поръчка и чакане.Ако прецениш че някои друг датчик е по-подходящ, мога да го купя и него
ivanovbg
Става. Сега ако имаш кабел го свържи по следната схема( между TW и TB ) и го изкарай навън. По този начин сумираме и двете температури. Би трябвало ако горелката е настроена на около 65 градуса, реалната температура да е 65 - Твъншна =40 . Нали оргинално датчика на водата е м/у ТW и GND? Него няма да го местиш, а само новия го закачаш по схемата. Ако имаш Вайбър или Скайп ще е по бърза комуникацията.
gim
Предполагам,ще ти е интересно какъв е резултата?
Вече 4 дни работи без проблеми. Всяко денонощие го пробвах с различно зададена температура на контролера.Мисля че уцелих правилната 57°С. Температурната разлика се оказа 41°С ,и я поддържа постоянна при 4 до 12 градуса отвън,и стабилни 22°С в стаите. Не знам с колко, но маи е намалял и разхода на гориво.
Искам още веднъж да ти БЛАГОДАРЯ,и да подчертая че много уважавам хора които намират прости решения на сложни задачи!

ivanovbg
Благодаря и аз!
ivanovbg
Може и на лични.
Можеш ли да премериш на празната клема ТВ какво напрежение има, че ми се върти нещо в главата?
gim
Напрежението между TW и TB е 3,5v , а между GND и TB е 4,9v. Измерването е при работеща горелка и включен датчик,отчитащ в момента 33°С.
ivanovbg
идеално - точно както си мислех.
Имаш ли двужилен кабел дето да стига до хладилника и до отвън?
gim
До вънка са 6м. а най-близкия хладилник е на поне 30м. За утре вечер мога да осигуря нужния метраж ,само че UTP.Става ли?
ivanovbg
Би трябвало да стане.Не е нужно чак 30 метра. Трябва да вземеш и едно такова термисторче http://vikiwat.com/termorezistor-16.5k- ... 5-ntc.html То ще е корекцията и трябва с кабела да го свържем между TW и TB и ще го пратим отвънка. Може и да е някое с близки параметри - между 15 и 20 килоома. Идеята е да с него да намаляваме пулъп резистора и по този начин да постигнем нужната корекция.
Преди това термисторчето ще трябва да го пъхнем в хладилната част с едно тънко кабелче за удължение и да мерим с мултицета какво съпротивление ще стане и след това във фризерната част и при топящ се лед - 0С . Хубаво е да имаме термометър за да знаем точната температура и съпротивление. Ако ни устройва направо монтираме. Иначе ще трябва да го докоригираме. Би трябвало при 0 градуса да е около 30 килоома.
gim
Да повторя какво разбрах:
__1. Купувам термистора или някой друг със стойност между 15 и 20 к.ома при 25°С
__2. Измервам темп. в хладилника и съпротивлението на термистора докато е вътре
__3. Повтарям точка 2 във фризера.
__4. Повтарям точка 2 в топящ се лед.
__5. Записвам резултата и докладвам.
ivanovbg
да, ако по калкулация е добре - връзваме го между TW и TB и го меткаме през прозореца - на сянка!
gim
Да питам в магазина направо за термистор с 30к.ома при 0°С.
ivanovbg
Може, но май винаги ги дават за 25С в каталозите.
gim
Купих NTCLE100E3103 . Погледни в http://store.comet.bg/download-file.php?id=4847 на страница 10 последния сензор ,и кажи има ли смисъл да правя експериментите. Това е най-близкото което има до 30к.ома при 0°С .Казаха че ако искам могат да осигурят и по зададени от нас характеристики ,но с поръчка и чакане.Ако прецениш че някои друг датчик е по-подходящ, мога да го купя и него
ivanovbg
Става. Сега ако имаш кабел го свържи по следната схема( между TW и TB ) и го изкарай навън. По този начин сумираме и двете температури. Би трябвало ако горелката е настроена на около 65 градуса, реалната температура да е 65 - Твъншна =40 . Нали оргинално датчика на водата е м/у ТW и GND? Него няма да го местиш, а само новия го закачаш по схемата. Ако имаш Вайбър или Скайп ще е по бърза комуникацията.
gim
Предполагам,ще ти е интересно какъв е резултата?
Вече 4 дни работи без проблеми. Всяко денонощие го пробвах с различно зададена температура на контролера.Мисля че уцелих правилната 57°С. Температурната разлика се оказа 41°С ,и я поддържа постоянна при 4 до 12 градуса отвън,и стабилни 22°С в стаите. Не знам с колко, но маи е намалял и разхода на гориво.
Искам още веднъж да ти БЛАГОДАРЯ,и да подчертая че много уважавам хора които намират прости решения на сложни задачи!
ivanovbg
Благодаря и аз!
dyaneff
- майстор
- Мнения: 1052
gim написа:продължението:.....Вече 4 дни работи без проблеми. Всяко денонощие го пробвах с различно зададена температура на контролера.Мисля че уцелих правилната 57°С. Температурната разлика се оказа 41°С ,и я поддържа постоянна при 4 до 12 градуса отвън,и стабилни 22°С в стаите. Не знам с колко, но маи е намалял и разхода на гориво.
Искам още веднъж да ти БЛАГОДАРЯ,и да подчертая че много уважавам хора които намират прости решения на сложни задачи!![]()
![]()
![]()
ivanovbg
Благодаря и аз!
Браво на Иванов.
Проспал съм я тази тема, но Иванов се е справил блестящо.
gim
- специалист
- Мнения: 88
Имам нова идея за "рационализация" на горелката с пелети.Преди да предприема деиствия,бих искал мнения и съвети.
Разполагам с термосензор който е 4,7 К.ом при 25°С и 85 ом при 150°С, искам да го залепа на изхода за димни газове, и чрез него да регулирам оборотите на вентилатора.Целта е да се намаляват оборотите при по-ниска температура и да се увеличават при по-висока.
Да обясна и защо: когато навън температурата се понижи или излезе вятър ,тягата на комина се повишава, вследствие на което димните газове от котела излизат по-бързо и с по-ниска температура .Искам чрез намаляване на оборотите на вентилатора да задържа въздуха по-дълго в котела .Първо :за да може да се нагрее повече от пламъка ,и второ: да отдаде тази топлина на котела.
С поздрави до всички .
Разполагам с термосензор който е 4,7 К.ом при 25°С и 85 ом при 150°С, искам да го залепа на изхода за димни газове, и чрез него да регулирам оборотите на вентилатора.Целта е да се намаляват оборотите при по-ниска температура и да се увеличават при по-висока.
Да обясна и защо: когато навън температурата се понижи или излезе вятър ,тягата на комина се повишава, вследствие на което димните газове от котела излизат по-бързо и с по-ниска температура .Искам чрез намаляване на оборотите на вентилатора да задържа въздуха по-дълго в котела .Първо :за да може да се нагрее повече от пламъка ,и второ: да отдаде тази топлина на котела.
С поздрави до всички .
П. Петков
- специалист
- Мнения: 678
По старата тема:
Свързването последователно на резистор към термодатчика намалява значително чувствителността му в САР.
Затова, вместо съпротивления, се ползва това:
http://www.intiel.com/eq-t_bg.pdf
Тъй като регулировъчните криви строго не са линейни, както е при Петьо Тодоров, по-точни са тези на Сименс - RVD135: Кривата на регулиране се избира опитно, съобразно топлинните загуби на конкретния обект, но това е описано и в ръководството на INT0066A.
От последното семейство криви се вижда, че при една и съща външна температура - Tamb, колкото е по-неизолирана сградата, тоест колкото загубите са по-големи, толкова температурата на отоплителния флуид е по-висока, тоест кривата е по-стръмна.
По новата тема:
http://www.intiel.com/fan-coil_bg.pdf
Консултация по телефона с П. Тодоров (собственик на "Интиел"), относно изменение диапазона на работа на регулатора, или доставката му с подходящия за тази цел диапазон е желателна. Човекът е много коректен, компетентен и отзивчив! Може да му изложите проблема си словесно, като той схваща светкавично и ще Ви помогне.
Асинхронните двигатели, които търпят регулиране на оборотите без честотен регулатор са по-специални - имат повишено съпротивление на кафезната, алуминиева намотка на ротора (обикновено алуминият е легиран със силиций). Затова трябва да се знае какъв е двигателят и дали позволява регулиране на скоростта чрез изменение на захранващото напрежение (било то фазово, или степенно чрез автотрансформатор). Ползването на честотен регулатор икономически е неоправдано.
Успех!
Свързването последователно на резистор към термодатчика намалява значително чувствителността му в САР.
Затова, вместо съпротивления, се ползва това:
http://www.intiel.com/eq-t_bg.pdf
Тъй като регулировъчните криви строго не са линейни, както е при Петьо Тодоров, по-точни са тези на Сименс - RVD135: Кривата на регулиране се избира опитно, съобразно топлинните загуби на конкретния обект, но това е описано и в ръководството на INT0066A.
От последното семейство криви се вижда, че при една и съща външна температура - Tamb, колкото е по-неизолирана сградата, тоест колкото загубите са по-големи, толкова температурата на отоплителния флуид е по-висока, тоест кривата е по-стръмна.
По новата тема:
http://www.intiel.com/fan-coil_bg.pdf
Консултация по телефона с П. Тодоров (собственик на "Интиел"), относно изменение диапазона на работа на регулатора, или доставката му с подходящия за тази цел диапазон е желателна. Човекът е много коректен, компетентен и отзивчив! Може да му изложите проблема си словесно, като той схваща светкавично и ще Ви помогне.
Асинхронните двигатели, които търпят регулиране на оборотите без честотен регулатор са по-специални - имат повишено съпротивление на кафезната, алуминиева намотка на ротора (обикновено алуминият е легиран със силиций). Затова трябва да се знае какъв е двигателят и дали позволява регулиране на скоростта чрез изменение на захранващото напрежение (било то фазово, или степенно чрез автотрансформатор). Ползването на честотен регулатор икономически е неоправдано.
Успех!
Тема "Мониторинг на температура" | Включи се в дискусията:
Сподели форума:
Бъди информиран. Следвай "Направи сам" във Facebook:
Намери изпълнител и вдъхновения за дома. Следвай MaistorPlus във Facebook:
Имаш нужда от подходящ професионалист за дома?
- Преустройство, ремонт и реновиране
- ↳ Вашите ремонти
- ↳ Кухня
- ↳ Баня
- ↳ Дневна
- ↳ Спалня
- ↳ Детска
- ↳ Градина
- ↳ Коридор
- ↳ Тераса и балкон
- Направи сам
- ↳ Направи сам
- ↳ Ремонтирай сам
- ↳ Къде е по-евтино?
- ↳ Дърводелство
- ↳ Ел. инструменти
- ↳ Металообработване
- ↳ Конкурс "Направи сам 2012"
- Строителство
- ↳ Всичко за вилата
- ↳ Къщи
- ↳ Саниране
- ↳ Хидроизолация
- ↳ Пасивни и нискоенергийни сгради
- Сухо строителство
- ↳ Окачени тавани
- ↳ Преградни стени и предстенни обшивки
- ↳ Сухи и повдигнати подове
- ↳ Декоративни елементи - колони, трегери, сводове и др.
- ↳ Всичко за гипскартона и гипсфазера
- Въпроси и Отговори
- ↳ Полезни съвети
- ↳ Автомобили
- ↳ Партньори
- ↳ Боядисване и Декориране
- ↳ Вентилация, климатици и термопомпи
- ↳ Водоснабдяване и канализация.
- ↳ Всичко за ремонта
- ↳ Електротехника
- ↳ Отопление
- ↳ Газификация
- ↳ Електроника и Схеми
- ↳ Газобетон
- ↳ От всичко по малко
- ↳ Компютри и периферия
- ↳ Уеб дизайн, PHP, MySQL, JavaScript, HTML..
- ↳ Мобилни устройства, GSM-и
- ↳ Нека се запознаем
- ↳ Recycle Bin
- Статии
- ↳ Практични решения
- ↳ Качване на снимки
- ↳ Какви статии искате?
- ↳ Готварство, туршии и зимнина
- ↳ Отмора и шеги
- ↳ От нищо нещо
- ↳ Не е за вярване
- ↳ Литература
- ↳ Връзки към Интересни сайтове
- Магазин
- ↳ Препоръки и Мнения за он-лайн магазина
- ↳ Крадeни инструменти !!!
