От мобилни телефони до цифрови камери
kozl - майстор
Да се допитам и за още нещо.
Не помня как е било, но сигнал през HDMI не осигурява приоритет спрямо сигнал от тунера за разлика от скарт входа.
Да ама на този TV има 2 скарт входа и на единия при on от систанционното или от тъч пада се включва за около 3 сек входа през чинча и след това минава на тунер. Но през другия чинч вход си работи нормално.

Та има ли приоритет за сигнал по HDMI спрямо този от вградения тунер?

Пробвах on/off от дистанционното и помни ръчно избрания вход на HDMI след изгасване и пускане, но при работа на тунер и свързване към на сигнал към HDMI не се превключва автоматично към този сигнал. При работа от тунер и свързване на скарт превключва към сигнала по скарт и автоматично прехвърля на тунер при липса на сигнал по скарта.
То за скарта ако има напрежение+12V на 8 пин би трябвало да превключва към този източник.

И когато "влезе в режим" на самоволно включване няколко секунди след команда off издава лек сигнал "биип". Такъв сигнал не се чува при нормално включване.
DMN - майстор
kozl написа:
Та има ли приоритет за сигнал по HDMI спрямо този от вградения тунер?
1. Ако питаш това - дали като подадеш сигнал по HDMI, докато телевизора работи на тунер, ще превключи автоматично на HDMI - отговорът е не.
kozl написа:
То за скарта ако има напрежение+12V на 8 пин би трябвало да превключва към този източник.
2. Да, така е.

Поне на моя Самсунг е така и по двете точки, сега го пробвах, и още:
Винаги превключва автоматично на скарт когато се подаде сигнал на него, независимо дали е на тунер или на HDMI.
Когато е ръчно зададен HDMI и изключа телевизора, при включването на телевизора отново, пак се включва на HDMI, дори и да няма свързан/подаден източник/сигнал.
:partyman:
kozl - майстор
Прикачен файл:
IMG_20230214_143855.jpg


Най-сетне го отворих и минах с прахосмуча. На централната платка със захранването се видат 3 бременни кондензера.
2 от тях сините са VDA 1000 мкф/35V и един жълт NXH 1000 мкф/25V.
Другите изглеждат добре на външен вид. KMG-тата са 2 по 1000мкф/25V и един 470мкф/25V, но нямат признаци на раздуване.
Високоволтовия е залепен за платката и не мога да го видя какъв е и колко е, но изглежда добре и на зумера на мултицета дава по-продължителен сигнал при смяна на поляритета на сондите, което значи, че не е останал без капацититет. Остава си.

Та бегам за кондезери до близкия Елимекс, че ми свършиа запасите.
А м-у другото оправих приемника. Имаше и в него 3 кондензера за подмяна останали некапацитивни.
MamaMy - майстор
Големия захранващ на 300-те волта ми се струва, че има текло по единия крак. Смени го. Не е вол и кон. И без да го меря ти гарантирам, че е позасъхнал, а той е много важен за нормалната работа.
DMN - майстор
kozl написа:
На централната платка със захранването се видат 3 бременни кондензера.
2 от тях сините са VDA 1000 мкф/35V и един жълт NXH 1000 мкф/25V.
Значи очевидно са за смяна. Сменяй ги първо тях, и пробвай дали ще има положителен резултат, ако няма, продължаваш с проверката и на другите.
kozl написа:
Другите изглеждат добре на външен вид. KMG-тата са 2 по 1000мкф/25V и един 470мкф/25V, но нямат признаци на раздуване.
Не разчитай само на външния вид в никакъв случай, щото може да се подведеш. Ако имаш възможност за проверка и на тях - направи я.
:partyman:
kozl - майстор
Ограничих се до смяна на кондензаторите с 1000 мкф иедин 470 мкф.
Сините VDA 1000 мкф/35 LCR-T4-H уреда не ги разпозна като елементи, а капацитетмера измери към 100 мкф. Тези кондензатори са в паралел и са след шотки диода от изхода на трафа за импулсното захранване.
Странно но в един ред бяха един до друг различни кондензатори по марка, цвят и височина, но с еднакви параметри 1000 мкф/25V :? Не ги проследих за какво са, но не са в паралел. Всички са към маса, но към различни вериги в схемата, а и не можах да открия схема за този телевизор.
2 бр. KMG по към 700 мкф показани и от двата уреда, но с по-високи параметри при LCR по другите показатели спрямо новите кондензатори, които купих от Елимекс.
1 бр. жълтур и по-висок с издуто бомбе - LCR и него не разпозна, а другия С-мер извади некви 50 мкф.
А този 470 мкф/25 V изкара по-добри резултати от новия, но смених и него.

Високоволтовия го спестих по причини, че даде некви показатели за капацитет, писах по-преди какви и поради това, че бе залепен здраво за платката и смяната по-трудна и също поради съмнение, че ще намеря наличен такъв в близкия Елимекс.
Не се занимавах и с по-малко капацитивните електролитни кондензатори - изглеждаха добре на външен вид.

От снощи го пробвам Самсунга и до момента работи без признаци за бъгове. Довечера ще го закарам при майка ми по предназначение.
То в Техмарт има 32 инчов Ариели за 260 лв. с екстри wi-fi и Андроид, ама тва не е за майка ми. Аз и без това крия голямото дистанционно на Самунга, че в него има доста "вредни" функции :-D
Купил съм неколко бройки дистанционни от Джъмбо и ги преработвам от 6 бутона само 1 да работи за on/off, като на "вредните" бутони залепям скоч в-у пътечките на платката под бутона. Е за Сонито се наложи да открия още един бутон за каналите, че Сонито се спира от Power бутон, пък се пуска от бутон за канали и да изключа сигнала от вътрешния тунер на Сонито, като оставя само съгнала от чинч входа да работи и при избор канали или AV.
kozl - майстор
Телевизора пак премина в режим на мигане на светодода, индикиращ режим стендбай и не може да се пуска.
След отваряне видях 3 надути кондензатора тези от цитата:
ср фев 15, 2023 8:46 amkozl написа:
Странно но в един ред бяха един до друг различни кондензатори по марка, цвят и височина, но с еднакви параметри 1000 мкф/25V :? Не ги проследих за какво са, но не са в паралел. Всички са към маса, но към различни вериги в схемата, а и не можах да открия схема за този телевизор.
2 бр. KMG по към 700 мкф показани и от двата уреда, но с по-високи параметри при LCR по другите показатели спрямо новите кондензатори, които купих от Елимекс.
1 бр. жълтур и по-висок с издуто бомбе - LCR и него не разпозна, а другия С-мер извади некви 50 мкф.
А този 470 мкф/25 V изкара по-добри резултати от новия, но смених и него.
Жълтура е към изхода 12V и е 1000мкФ/25V, който при предния ремонт съм сменил със SIKER 1000мкФ/25V. Сикера се е надул и на уреда показа 140мкФ, ESR=6.1 om, Vloss=23% .
Другите два до него, които според мен участват в схемата за стабилизация на 5V, са със същите стойности, като единият е SIKER, а другият е Fijicon (подменени в предния ремонт), също 1000мкФ/25V по надпис и на уреда показаха 30 пкФ.
Няма място за по-големи на 35 волта от тези , с които разполагам. Та пак 1000мкФ/25V, но каква марка не записах, но не са като предните.

Телевизорът проработи с подмяна на трите кондензатора и ще го връщам по предназначение. Нямам време за по-задълбочено наблюдение.
Нямам идея защо подменените сега кондензатори изкараха само 19 месеца :?
Ментета ли са или защото са близо да радиатора към транзисторите :?
MamaMy - майстор
Браво! Това са цели 19 месеца. За тези ментета е своеобразен рекорд.
kozl - майстор
Днес откраднах от времето, за да се занимавам с електролитните кондензатори.
Тези са подменените (Fujicon 1000 mcF/25V; SIKER 1000mcF/25V; SIKER 1000mkF/25V) :

Прикачен файл:
Cap_2.jpg

Очевидно - подути.

Подбрах и тези:

Прикачен файл:
Cap_1.jpg

Единият нов SIKER 1000mcF/25V. Другите са отпоявани.
CapXon 100mcF/400V свален от строшен TV - не помня модел и марка.
КЕА-II (БДС 394????) 1000mcF/25V. Този не помня от къде съм го свалил, но е на 20+ години.


И приготвих наличните уреди за измерване на капацитет
LCR-ESR

Прикачен файл:
LCR-ESR_1.jpg


JT-6243B и EC7115 DCM
Прикачен файл:
JT-6243B_EC7115 DCM.jpg

HT124B
Прикачен файл:
HT124B.jpg
HT124B.jpg (113.36 KиБ) Видяна 4232 пъти

Резултат от измерванията на кондензаторите от снимките с показаните уреди. Цветовете са според описа на уредите.

CapXon 100mcF/400V - ESR=0,53om; Vloss=0,9%; 91mcF 100mcF 92mcF 94mcF

нов SIKER 1000mcF/25V - ESR=0,21om; Vloss=0,8%; 915,4mcF 965mcF 919mcF 925mcF

подут SIKER 1000mcF/25V, от изхода на +12V - ESR=6,1om; Vloss=23%; 140mcF 84mcF 118mcF 190mcF

подут SIKER 1000mcF/25V, за 5V - 30pF 30mcF 237mcF 300mcF

подут Fujicon 1000mcF/25V - 30pF 33mcF 155mcF 289mcF

Разни уреди, разни резултати за капацитета. :rolleyes:
kozl - майстор
Самсунга почна пак сам да се включва.
Отпоих и проверих всички кондензатори сменени преди:
kozl написа:
Ограничих се до смяна на кондензаторите с 1000 мкф и един 470 мкф.
Сините VDA 1000 мкф/35 LCR-T4-H уреда не ги разпозна като елементи, а капацитетмера измери към 100 мкф. Тези кондензатори са в паралел и са след шотки диода от изхода на трафа за импулсното захранване.
Странно но в един ред бяха един до друг различни кондензатори по марка, цвят и височина, но с еднакви параметри 1000 мкф/25V Не ги проследих за какво са, но не са в паралел. Всички са към маса, но към различни вериги в схемата, а и не можах да открия схема за този телевизор.
2 бр. KMG по към 700 мкф показани и от двата уреда, но с по-високи параметри при LCR по другите показатели спрямо новите кондензатори, които купих от Елимекс.
1 бр. жълтур и по-висок с издуто бомбе - LCR и него не разпозна, а другия С-мер извади некви 50 мкф.
А този 470 мкф/25 V изкара по-добри резултати от новия, но смених и него.
Проверката издаде само 1 изфирясал на мястото на Жълтура от цитата.
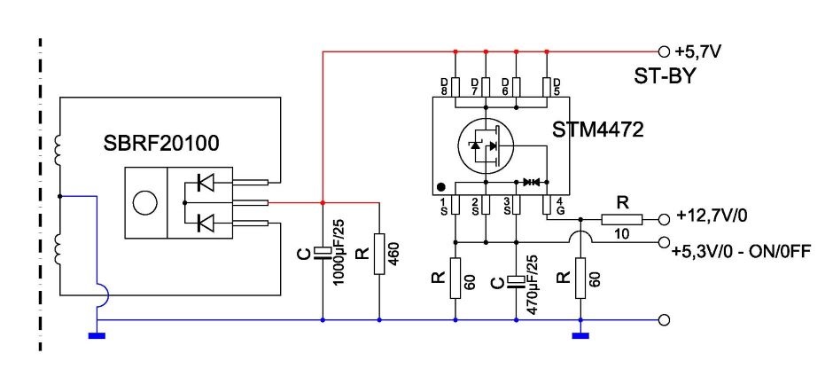
От любопитство проследих частично схемата:


Прикачен файл:
TV SAMSUNG LE32A656A1F_2.jpg
TV SAMSUNG LE32A656A1F_2.jpg (57.36 KиБ) Видяна 3138 пъти


1000 мкФ/25V LCR не го разпозна като елемент, но не беше надут. Всички други вкл. и високоволтовия - ОК като параметри.
Наместих вместо изфирясалия, нов 1000 мкФ/50V, па да видим колко ще изкара. Другите кондензатори ги запоих същите.

Реших да го пробвам с едно WI-FI - HDMI у-во на Google и картина има, звук няма :?
Първо реших, че съм прекъснал нещо по връзките, но втората проба със скарт кабел от приемник за кабелна излезе с картина и звук. Явно звука през у-вото на Гуги е неразпознаваем за дрътия Самсуняк (6-та серия). На по-новия Самсунг (8 СЕРИЯ) си е ОК.

Свъразх дъртия Самсунг през HDMI кабел и кинескопния Panasonic през скарта - едновременно към приемника за кабелна телевизия.
Образа на Панасоника, въпреки по-ниската детайлност, повече ми харесва. По-чисти цветове и повече яркост и бялото по-бяло от дъртия Самсунг (6-та серия). А иначе и двата са с плоски екрани 16:9 - 32 инча.
Дъртия Самсунг има доста опции за регулировки на образа, поиграх си, но не можах да имитирам кинескопния образ :?
Иначе Панасоника е най-дърт от TV 16:9, е след Сонито "3 тона" (4:3) :-D от колекцията, но не помня кой с колко е одъртял :sad:

Първият ни Самсунг LE23R41 (feb.2006) още работи, но трябва да му прегледам говорителите, раздрънчали са се, че майка ми недочуе и волумето е на МАХ :weedman:

Тема "Samsung LE32A656A1FXXH бъгва се on и off от дистанционното" | Включи се в дискусията:


Сподели форума:

Бъди информиран. Следвай "Направи сам" във Facebook:

Намери изпълнител и вдъхновения за дома. Следвай MaistorPlus във Facebook: