От мобилни телефони до цифрови камери
AAsat - специалист
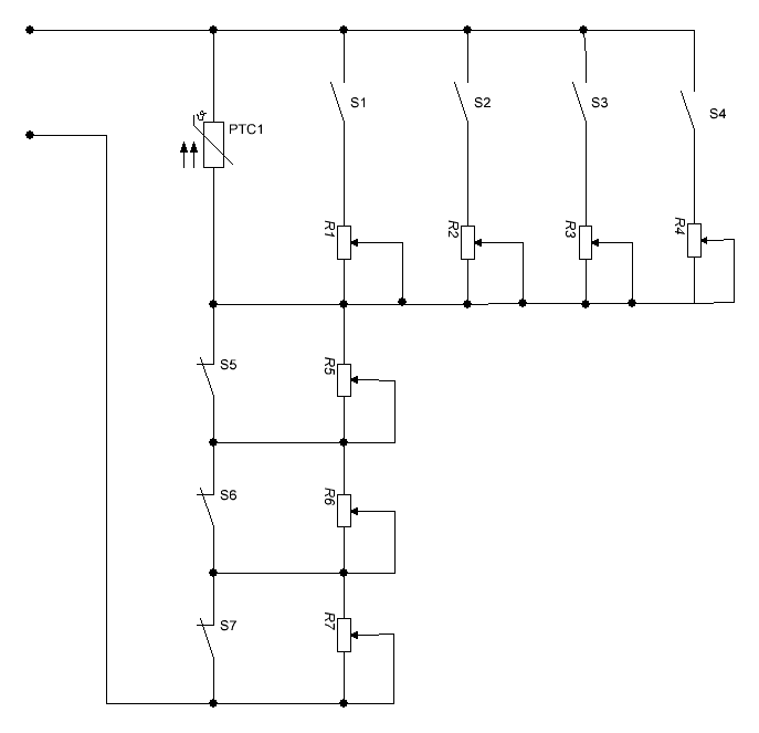
Добавянето на съпротивления и превключването им с релета може би наистина е най-лесния вариант. Схемата би трябвало да е нещо от рода на показаната по-долу.
Контролера се настройва на 40°С. При външна температура примерно от 0 до 2°С не е включено никое реле и температурата се поддържа 40°С. Ако температурата е под 0°С до -5°С се включва релето с контакт S1. Контролера "вижда" по-ниска температура от зададената и прави необходимото тя да се увеличи. R1 се настройва така че паралелно свързаните R1 и съпротивлението на терморезистора при 45°С да дават съпротивлението на терморезистора при 40°с. Така се достига температура 45°С. При температура между -5°С и -10°С се включва S2 - R2 е настроено така че да се достига 50°С. При -10°С до -15°С - S3 - 55°С. При -1°С до -20°С - S4 - 60°С. При положителни температури - примерно 2°С до 7°С се включва релето с контакт S5 и нормално затворения контакт S5 се отваря - контролера "вижда" по-висока температура и прави необходимото тя да се намали до 35°С. R5 се настройва така че R5 + съпротивлението на датчика при 35°С да дава съпротивлението на датчика при 40°С. И така нататък от 7°С до 12°С - - S6 - 30°С. Oт 12°С до 17°С - - S7 - 25°С.
Следенето на външната температура поне аз бих направил с датчик LM335Z и ARDUINO-подобна платка, отчитаща температурата и управляваща релетата. Паралелно на намотките на релетата - по един светодиод - да се вижда кое е включено.
Неудобството в цялата работа е че не може да се вижда реалната работна температура на системата.
Дължината на кабелите в нормални граници не би трябвало да е пречка.

Прикачен файл

thermo.GIF
thermo.GIF (7.11 KиБ) Видяна 2282 пъти
gim - специалист
Ето нови данни:
градуси/°С/•••• напрежение/v/••••съпротивление/k.om/
24.5 •••••••••••• 1.35 ••••••••••••• 1.99
34.5 •••••••••••• 1.43 ••••••••••••• 2.12
40.1 •••••••••••• 1.48 ••••••••••••• 2.27
45.3 •••••••••••• 1.52 ••••••••••••• 2.37
63.1 •••••••••••• 1.68 ••••••••••••• 2.71
101.0 ••••••••••• 1.99 ••••••••••••• 3.57

Явно минахте на по-високо ниво от възможностите ми.На схемата от горния пост,не разбирам къде е втория датчик и кое и как ще задейства релетата в точния момент?

Има отделен термометър монтиран направо в изходящата тръба ,така реалната температура на водата се вижда постоянно и не е проблем.
Последна промяна от gim на пет мар 20, 2015 10:58 pm, променено общо 1 път.
ivanovbg - майстор
Няма да правиш тази схема, а моята. Купуваш 10 съпротивления по 51 ома и ги свързваш последователно на датчика като им изваждаш изводи по схемата която съм ти нарисувал. След това свързваш на положение 1 и задаваш на котела да гони 60градуса. Както разбирам по висока температура не ти е нужна. Е може и 70 или 80 да зададеш. Изчакваш да загрее до зададената температура и превключваш на позиция 2. Изчакваш докато се стабилизира температурата и я записваш. После на позиция 3 и .....до температура 20 градуса на водата примерно. То за по ниско няма смисъл да гори котела :wink: Имай в предвид, че температурата на горелката ще си пише максимално настроената и така трябва да бъде. Става топло и може да правиш експеримента на отворени прозорци - за да изстива водата по бързо.
След като направиш това ще ти кажа как ще се управлява.

Прикачен файл

untitled1.JPG
untitled1.JPG (19.1 KиБ) Видяна 2262 пъти
gim - специалист
Искаш при зададени 60°С и включено 1 съпротивление ,да запиша реалната температура,после при 2 ,3 и т. н. докато вода стане 20°С.Правилно ли съм разбрал?
gim - специалист
Това ще мога да направя в неделя.
Колко е важно съпротивленията да са 51 ома? Не знам дали ще има такива в магазина.
ivanovbg - майстор
51 ома е стандартна стойност, но ако няма може 47ома ... и по мерките ти гледам че се пада около 8-11 ома на градус, та нещо средно. Горе долу трябва да е през 5 градуса+- Смятам че е достатъчно точно.
Иначе идеята ти е много добра. Парното само да компенсира загубите на къщата. Предполагам, че за други къщи тази температурна разлика вероятно ще е различна.

Накрая май ще трябва да сложим и едно термореле на 90-95 градуса за всеки случай. Предполагам датчика се използва и за аварийно изключване на горелката над определена температура, а ние как го лъжем...

:partyman:
AAsat - специалист
Решението, което предлага ivanovbg наистина е по-добро. Другото не че няма да върши работа, но е ненужно усложнено - явно от задръжки в мозъка :?
gim - специалист
Радвам се че успях да открия хора които ме разбират.Споделих идеята си с няколко човека на които топлотехниката е професия.Ще цитирам коментарите им:"това е невъзможно,не се занимавай с глупости,абсолютно безсмислено".
Датчика служи и за защита от прегряване.Мислех да питам и по този въпрос,но реших да не усложнявам нещата.При мен това не е много важно,защото системата ми е отворена,с преливник.А и при 90°С на водата ,няма как да не усетя,вътре няма да може да се диша от жега.
Съвсем различно е при затворените отоплителни инсталации.За тях според мен задължително трябва защита от прегряване,иначе може да се стигне до неприятни и дори опасни ситуации.Затова ако може да прибавим и такова подсигуряване към задачата ще е много добре.Защото ако някой проследи темата и реши да пробва без да е наясно точно какво прави,ще му икономисаме някой екстремни изживявания с наличието на защита.


Всяка сграда и отопл. инст. си имат индивидуална характеристика.Затова тези 40°С са само за мен,ако вършат работа и на друг ще е чиста случайност. Не знам може ли да се изчисли,но се установява опитно(на принципа:проба-грешка).Тази стойност се променя ако например се смени дограмата или се направи изолация на сградата.

По моите сметки се падат 20 ома на градус? :? :?
ivanovbg - майстор
Май не топлотехниката им е професия, а топломонтажа :wink:
Топлофикациите отдавна знаят това. В нашия блок има изнесен датчик за температура на външния въздух който чрез контролер управлява една задвижка която регулира температурата на парното. За блоковете си мат проектни топлозагуби.
Иначе не е проблем да се направи такова приблизително изчисление и за къща.

Ми на ракийка толкова са ми възможностите за смятане . 2 ракийки за една :wink: Гледах първата десетка и там е 13ома на градус. После смятах нещо на ум и ми се стори че намаляват. Затова избрах 51 ома и да вземеш 10-тина, за да се компенсира евентуално грешката на пияното.

Тема "Мониторинг на температура" | Включи се в дискусията:


Сподели форума:

Бъди информиран. Следвай "Направи сам" във Facebook:

Намери изпълнител и вдъхновения за дома. Следвай MaistorPlus във Facebook: