• 1
  • 15
  • 16
  • 17
  • 18
  • 19
  • 30
От мобилни телефони до цифрови камери
Junak - майстор
По скоро май пита за импулсно :)
hrpankov - специалист
....10мкФ кондензатор дава 0,72А ток.... пък по-натам ти му мисли.......
Neno Er - специалист
Все попадам на теоретици.
Казва се с две думи:
Може, ето ти схеми, или не става, опасно е, ще те гръмне, пребие, опече. :? :lol:
pansim - майстор
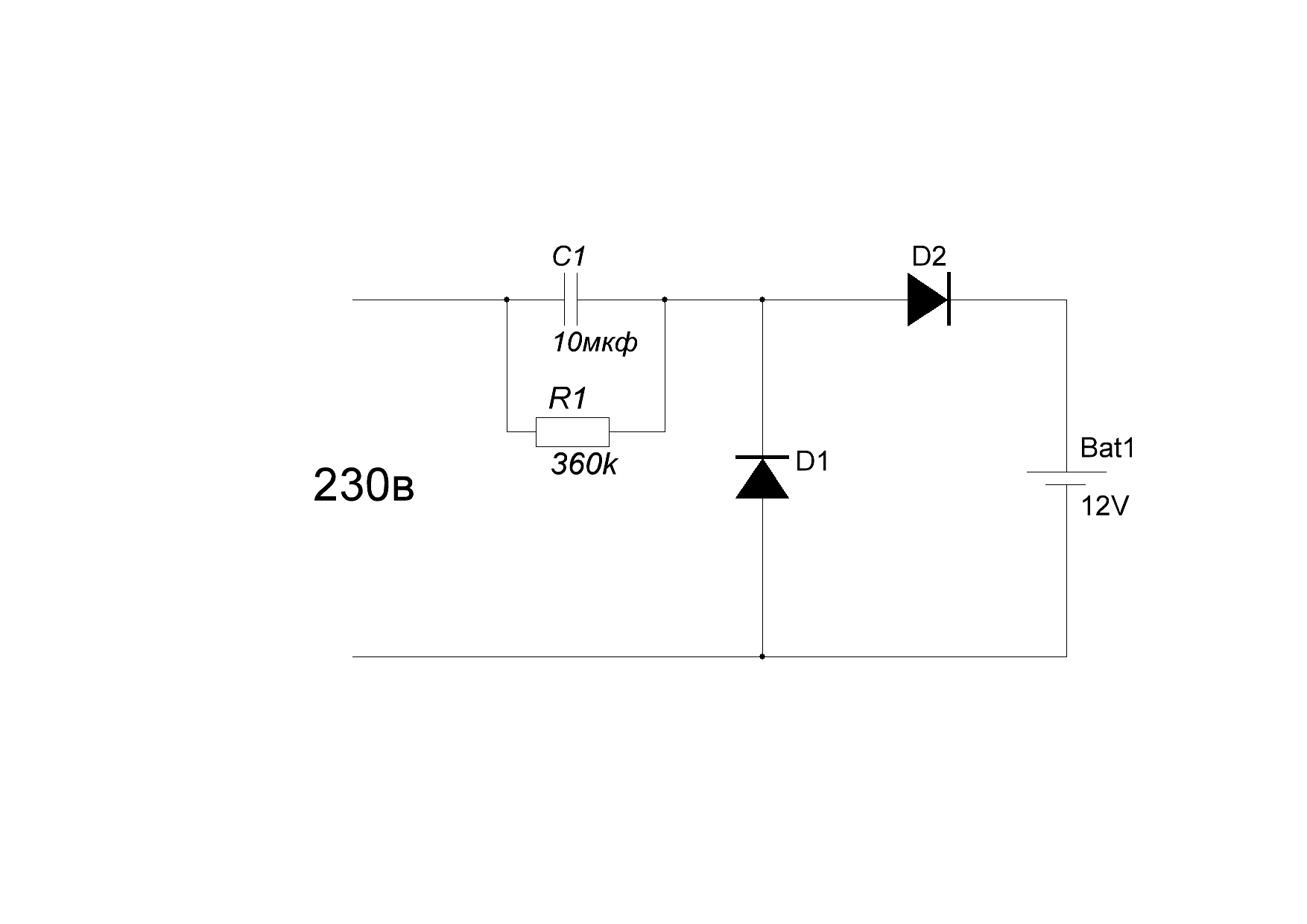
Ето ти схема:

1. ОПАСНО Е
2. Не е евтино.
3. Не е малогабаритно.

Прикачен файл

а.GIF
а.GIF (11.05 KиБ) Видяна 1993 пъти
Neno Er - специалист
pansim написа:
Ето ти схема:

1. ОПАСНО Е
2. Не е евтино.
3. Не е малогабаритно.
Е това вече е приказка.
И на други да им е едно на ум ДА НЕ ОПИТВАТ.
:partyman:
Neno Er - специалист
pansim написа:
Ето ти схема:
1. ОПАСНО Е
2. Не е евтино.
3. Не е малогабаритно.
Впрочем снощи се сетих, че имам едно безтрансформаторно зарядно за никел-кадмиеви акумулатори на 9,6V. Ирових го от мазето, работи но не мога да намеря схемата. Ползвал съм го преди стотина години когато се намираха акумулатори за едни военни телефони. И частите му бяха от бракувано авиационно оборудване. :-D
gogo7777 - майстор
Ето една схема, ама нито знам читава ли е, нито дали е безопасна, нито колко ток ще пусне на изхода. :-D

Прикачен файл:
ggg.JPG
pansim - майстор
Опасна е защото не е развързана от мрежата. Тока който ще може да даде се определя от кондензатора 2.2мкф
Не се занимавайте с подобни схеми.
Neno Er - специалист
pansim написа:
Не се занимавайте с подобни схеми.
Изображение
  • 1
  • 15
  • 16
  • 17
  • 18
  • 19
  • 30

Тема "Схема на зарядно" | Включи се в дискусията:


Сподели форума:

Бъди информиран. Следвай "Направи сам" във Facebook:

Намери изпълнител и вдъхновения за дома. Следвай MaistorPlus във Facebook: