jordanvass написа:Преди 25-30 години, когато имаше режим на тока, масово правехме генератори на няколко килохерца с един транзистор и трансформатор на топфкерн в колектора. Лампата директно на вторичната, без отопление. Захранване - стар автомобилен акумулатор. От високото напрежение без товар, лампата пали от раз, без да е нужно да подгрява. Но това не е упражнение за човек като питащия, който си казва, че не разбира.Преди тридесет години:
Прикачен файл:
untitled.JPG (51.97 KиБ) Видяна 2727 пъти
Прикачен файл:
Picture 250.jpg (52.1 KиБ) Видяна 2727 пъти
Прикачен файл:
Picture 251.jpg (52.25 KиБ) Видяна 2727 пъти
Прикачен файл:
top.JPG (83.14 KиБ) Видяна 2727 пъти
Състав на изделието:
Ключове:
SW1 – Двупозиционен, лостов ключ на захранването.
SW2 – Двупозиционен, плъзгащ се тип ключ, определящ мощността на лампата – 18W или 36W/58W.
Потенциометър:
POT. – Регулира яркостта на лампата и токовата консумация.
Джъмпери:
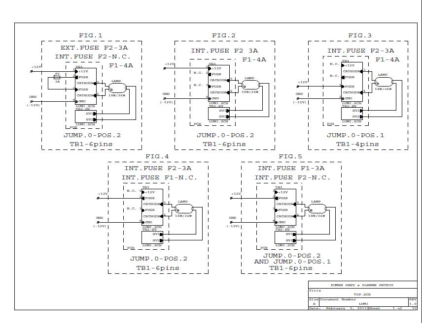
JMP0 – ‘Четирищифтов, двоен, двупозиционен джъмпер. Състоянието му определя начина на захранване в съответствие с фигури 1–5 от схема TOP.SCH.
JMP58W – Определя използването на 58W лампа, съвместно с ключа SW2.
JMP18W/36W - Определя използването на 18W или 36W лампа, съвместно с ключа SW2.
Предпазители:
F1 – Вътрешен главен предпазител - 4A. Достъпен при сервиз.
F2 – Външен предпазител, достъпен от ползвателя – 3A.
“F2 – 3A” – Вътрешен предпазител, алтернативен на F2 и достъпен при сервиз. При наличие на външен предпазител F2, “F2 – 3A”, носи резервна вложка за F2.
“F1 – 4A” Носач на резервна вложка за F1. Достъпен при сервиз.
Светодиоди:
LED1 – Червен. Индикира повреди в устройството, лампата или връзките между тях.
LED2 – Двуцветен – червен и зелен. Червеният индикира обратна полярност и прекъснат предпазител F2. Зеленият служи за пилотна светлина, указваща местоположението на ключа, индикира времето за старт, прекъсване или късо съединение в линията на отоплението.
LED3 – Жълт. Индикатор за позицията на ключа SW2.
Функции
При изключено положение на SW1 (“OFF”) и нормална полярност на захранването, LED2 свети със зелен цвят и служи като пилотна светлина за указване местоположението на ключа.
Ако полярността е обратна, предпазителят F2 е здрав и SW1 е в позиция “OFF”, LED2 свети с червен цвят.
Внимание!
При обратна полярност, превключването на SW1 в положение “ON” предизвиква прекъсване на F2, след което започва да свети и LED1.
При обратна полярност и прекъснат предпазител F2, LED1 и LED2 светят едновременно с червен цвят, независимо от положението на SW1.
При нормална полярност, прекъснат предпазител F2 и позиция “OFF” на SW1, LED2 свети със зелен цвят едновременно с LED1. При превключване на SW1 в положение “ON”, LED2 изгасва, а LED1 продължава да свети, указвайки дефектирането на F2.
При нормална полярност и здрав отопляем катод, през времето на старт LED2 свети със зелена светлина и с понижена яркост. При стартиране, лампата свети с максимална яркост независимо от положението на регулиращия потенциометър. След изтичане на стартовото време LED2 изгасва, а яркостта на лампата намалява до зададената от потенциометъра.
LED1 свети през времето на старт при прекъсване в линията на отопление на лампата (един от изводите 5 или 6 на TB1 е изолиран). В този случай свети и LED2 със зелен цвят и с повишена яркост. Лампата се пали и свети нормално.
LED1 свети при прегряване на Т6 в резултат от късо съединение между извод “TB2-HV” и отопляемия катод. Поради бавното загряване на T6, светването на LED1 е със закъснение. Времето на закъснение зависи от площта на радиатора на T6. Схемата блокира до изключване от SW1.
LED1 свети при прегряване на Т5 в резултат от късо съединение в линията на отоплението и често стартиране на устройството. В този случай LED2 не свети през времето за старт. При светеща лампа, след изстиване на Т5 светодиодът LED1 изгасва. Отсъствието на радиатор и използване на електронна защита срещу прегряването на Т5 е направено с цел избягване възможен преразход на енергия при акумулаторно захранване.
LED1 свети при късо съединение между извод “TB2-HV” и маса. Светването на LED1 и блокиране на преобразователя е след изтичане на времето за старт. Схемата блокира до изключване от SW1. Ако късото съединение се появи след изтичане на времето за старт блокирането е незабавно.
LED1 свети при късо съединение между извод “TB2-HV” и +12V. Светването на LED1 и блокиране на преобразователя е след изтичане времето за старт. Схемата блокира до изключване от SW1. Ако късото съединение се появи след изтичане на времето за старт блокирането е незабавно.
LED1 свети при прекъсване на извод “TB2-HV”. При стартиране, светването на LED1 и блокиране на преобразователя е незабавно. Устройството блокира до изключване от SW1.
LED1 свети при едновременно прекъсване на двата извода на отопляемия катод, изваждане на цокъла от страната на отоплението или липса на лампа. След включване, светването на LED1 е незабавно. Схемата блокира до изключване от SW1.
LED1 свети при понижаване на захранващото напрежение под 9.6V. Светенето на LED1 и блокирането на устройството е до изключване от SW1. Ако прагът на изключване е нисък (9.6V), последният може да се повиши до 10,1V, чрез замяна на ценеровия диод Z3 (5.6V) с по-нисковолтов (5.1V).
На платката PCB има 2 допълнителни носачи за предпазители, като единият (“F2-3А”) има изводи – “F2 1” и “F2 2”, което позволява ползването му вместо външен предпазител. За целта той e свързан към едноименните точки в схемата – “F2-1” и “F2-2”, които са до извод 2 на F1 и извод 4 на SW1. В този случай, съгласно FIG.3 от схема TOP.SCH, входният клеморед (TB1) е 4 изводен (отпадат изводи 1 и 2). JMP0 се превключва от позиция 2 в позиция 1. Захранването (+12V) се подава към извод 3 на ТВ1.
Светодиодите са монтирани от страна спойки (solder side). Носачите на предпазителите F1 и “F2-3A”, също могат да се монтират от страна спойки, което може да ги направи достъпни на лицевия панел (естетиката на дизайна е “Последна грижа!”).
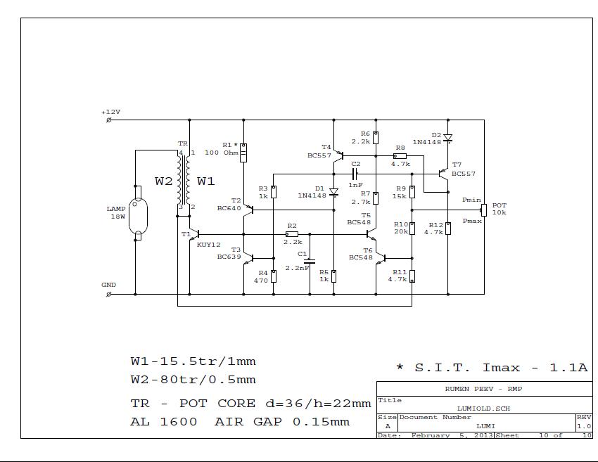
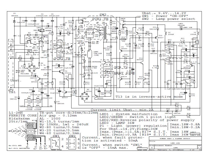
Един от изводите на потенциометъра е свързан към “Греца” В2, тъй като в тази точка има отрицателни импулси, което позволява, при задаване на максимална мощност, напрежението на емитера на Т4 да стане равно на 0V и яркостта на лампата да бъде максимална и равна на тази при старт.
Транзисторът T13 е свързан инверсно, за да може напрежението на насищане (UCEsat.) да бъде минимално (1-2mV) и да не променя температуртните прагове на изключване чрез изменение на опорното напрежение на компараторите.
На платката “PCB1 TR” има допълнителен двуизводен куплунг, дублиращ клемореда “TB2-HV”.
Транзисторът T5 и термисторът “Therm. 1”, обединени във възел, се монтират след монтажа на диода D1. Монтажът на термистора се извършва посредством “U” - образна медна пластина, чиято ширина е равна на дължината на цилиндричната част на термистора. В пластината има два аксиални отвора ø3,2мм, през които преминава винт М3, чрез който тя се закрепва към транзистора. Термисторът се поставя в извитата част на пластината, като това е предшествано от обмазването му с термоконтактна паста. Преди монтажа на пластината към транзистора, контактните повърхности също се намазват с паста. Поради конструктивно ограничение монтажът на пластината към T5 се извършва от страната на надписите на транзистора, а не към предвидената за охлаждане повърхност!
Кондензаторите C14, C19, C20 и C21 се монтират на платките “PCB” и “SCH3” последни.
Кондензаторът C19 се монтира над резисторите R32, R36 и Z3.
Дроселът L2 и резисторът R43 се монтират след монтажа на джъмперите, но преди монтажа на платките “SCH2” и “SCH3”.
Резисторът R4 се монтира след монтажа на LED2.
Паралелните дросели L5 и L7 са залепени върху L4 и L6, като изводите им са удължени, изолирани са с термошлаух, а впоследствие са огънати и запоени към платката “PCB”.
Платката “PCB2 TR”, служи като дистанционна между трансформа-тора и “PCB1 TR”. Технологично тази платка се закрепва към “PCB1 TR” посредством “П” образна скоба. За целта, между двата отвора на “PCB2 TR” (страна елементи), посредством триъгълна пила се фрезова канал в който скобата ляга, така че след монтажа тя да не опира в повърхността на феритната чашка на трансформатора. Линията на фрезоване е маркирана от сервизния печат. Скобата се запоява към съответните площадки на отворите в “PCB1 TR”. Центроването на двете платки се извършва по 3 милиметровите им отвори.
Между трансформатора и платката “PCB2 TR” се поставя шайба от изолационно фолио. Шайбата има външен диаметър ø38мм, централен отвор ø3мм и дебелина 0.2 - 0.3мм.
Въздушната междина в трансформатора (Air gap) се осигурява от изолационна шайба с външен диаметър ø15мм, дебелина 0.12-0.15мм и централен отвор ø3.2мм. Шайбата се поставя независимо от това дали в топфкерна фабрично е предвидена въздушна междина, чрез което се избягва опасността от счупване на горната чашка на трансформатора при затягане на скрепителния винт.
Джъмперите 18W/36W и 58W, заедно с куплунга “TB2–HV” се монтират върху страна спойки на платката “PCB1 TR”.
Платката “PCB1 TR” се монтира посредством винт М3, който притиска и двете чашки на топфкерна. Общата дължина на винта е 35мм.
Платката “PCB T6” осигурява топлинен контакт на термистора “Therm.2” към радиатора на T6. В радиатора е фрезован канал за термистора. Дълбочината на канала е по-малка от максималния диаметър на термистора и изолиращия го термошлаух с 0.5 - 1мм. Преди монтиране на притискащата платка фрезованият канал се запълва с термоконтактна паста. Преди поставянето на термосвиваемия шлаух върху термистора, последният също се обмазва с паста.
Термисторът “Therm.2” се запоява към платката “PCB” в площадки, които са разположени между проходните отвори за изводите му. Това е направено с цел да не се скъсяват изводите му, което улеснява повторния монтаж при сервизиране на възела “Радиатор-T6-Термистор”. В “солдер” маската проходните отвори за изводите на термистора нямат площадки за запояване.
При монтажа на “PCB T6”, платката се поставя със страна “елементи” към радиатора и двата извода на транзистора (E и B) се запояват към предвидените площадки.
При използването на външен предпазител F2, вложката на носача “F2-3A” трябва да се изолира.
Настройка на тока за отделните видове лампи се прави чрез подбор на резисторите R17 и R19, като на местата им последователно се запояват изводите на потенциометър (300-500Ω, реостатно свързване), предварително поставен на максимална! стойност. Съпротивлението на потенциометъра постепенно се намалява до получаване на необходимия ток. Настройката се прави до достигне максимална стойност на тока, при която в целия диапазон на регулиране, осцилограмата на колекторното напрежение на Т6 се получи без допълнителни хармоници. Настройката започва от R17, като лампата е 18W, а SW2 е в позиция “LAMP 18W”. След смяна на лампата с 36 Ватова и превключване на SW2 в позиция “LAMP 36W” (жълтият LED светва), настройка се извършва и на R19, който заедно с последователно свързания R18 са в паралел на вече подбрания R17.
При използване на 36W или 58W лампи и зададена максимална яркост, ключът SW2 може да се превключи от позиция “LAMP 36W” в позиция “LAMP 18W” (жълтият светодиод изгасва). Това дава възможност допълнително да се намаляват яркостта и консумирания ток под прага определен за тези лампи. При това обаче, ако се регулира под определени граници (различни за двата вида лампи), лампите могат да изгаснат.
В случаи на различен AL, броят на навивките на трансформаторните намотки подлежи на оптимизация.
Захранване на устройството от регулируем токоизправител, изисква той да има токоограничение по-голямо от 2 А.
Захранване чрез постепенно увеличаване на напрежението е невъзможно, поради сработване на защитата срещу ниско напрежение.
Поставяне последователен диод на захранването (или включване на схемата към изправителен диагонал на мост) би я опростило, но е неприемливо, поради големия напрежителен пад, необходимост от радиатор за изправителя, а оттам и преразход на енергия, което е от значение при акумулаторно захранване."
В резюме: "Човек без работа се занимава с всякакви глупости!"
