От мобилни телефони до цифрови камери
mir4oto - специалист
Абсолютно съм съгласен от практическа гледна точка, че при наличието на много евтино готово решение е по - добре да го използваш от колкото да откриваш топлата вода. Но все пак има запалени ентусиасти, които искат да видят нещо работещо сглобено от техните ръце. :-)
Johny - майстор
Прав си, на времето започнах с детекторен приемник със слушалки. На него слушахме мача, когато ЦСКА направи втори равен с Интер в София..... :wink:

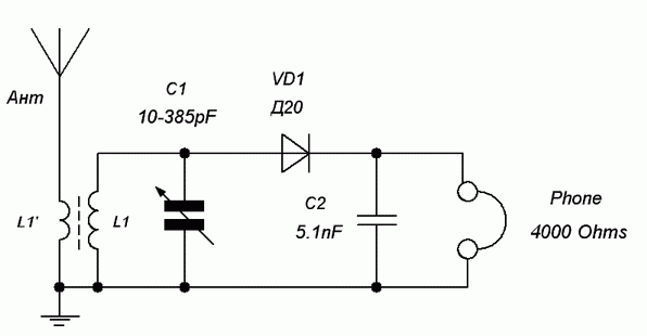
Прикачен файл

crystal_radio_2.gif
crystal_radio_2.gif (6.6 KиБ) Видяна 2451 пъти
sstefanov - майстор
Един малък траф с 2 намотки по 30-40 волта + грец, кондензатор и резистор (или дросел) и това е. Какви централи, какви 50 лв?
А, и по 1 бутон за звънеца.
a_nikolov - специалист
Съгласен съм колега stefanov. Не е нужно даже да е на 30V. И 9V са напълно достатъчни. Правих преди време с два апарата ТА 600 и батерия 9V по средата за децата да играят.
Сега се сещам, че някъде из мазето се имаше една кутия с два телефона от детските години на жената. Правени са някъде през 80-те години в телефонния завод като детски играчки. Работеха май с батерии по 4,5V във всеки апарат. Трябва да ги потърся и да ги снимам. Имаше май някъде и схема на устройството.
lz1tar - специалист
Подарявам мини АТЦ Д5 работещо
a_nikolov - специалист
Искам аз!
Поемам си разходите за пътя!
lz1tar - специалист
Колега Николов пиши на lz1tar@abv.bg,ще съгласуваме нещата,някъде имам и принципните схеми ще ти пратя и тях,Д5 ги правеха по вашия край. Знаеш ,че няма тонално набиране,просто е стар модел ,от 7 поста мисля че 6 работеха
mir4oto - специалист
Колега lz1tar, на ЛС не отговаряш ли :) ?!
a_nikolov - специалист
Колега lz1tar, Писал съм и на лично и на e-mail. Когато имаш възможност за контакт драсни някой ред без значение къде!
Поздрави.

Тема "Питане за връзка между дом. телефони" | Включи се в дискусията:


Сподели форума:

Бъди информиран. Следвай "Направи сам" във Facebook:

Намери изпълнител и вдъхновения за дома. Следвай MaistorPlus във Facebook: