• 1
  • 2
От мобилни телефони до цифрови камери
MrMurdjo - майстор
От каквото поне аз съм виждал, заводските модули за управление на стъкла, огледала и др. подобни, изключват при повишен товар, респективно ток през мотора, а не ползват крайни изключватели, което е сложно и не много надеждно.
Например ако стъклото е замръзнало, електрониката се изключва от товара, вместо да напъне и да изпокъса въженца или да счупи захващането на стъклото към механизма. Такова управление ти трябва, било готов модул от кола от същата или друга марка, било като самостоятелна изработка.
В този случай времето не е критично и всичко може да се управлява само по команда от алармата.
Друг е въпросът, че механизмите на огледалата е възможно да имат обратна връзка, т.е. са серво механизми и при подаване на контакт връщат огледалата в зададеното нормално положение, но различно от крайно отворено.

Ако механизмът само движи от едно крайно положение до друго, писаното по-горе от мен е осъществимо. Но освен реверсирането на моторите, което може да се направи било с реле, било с мостова транзисторна схема, трябва задължително да се следи токът и да има възможност за настройка на прага на изключване.

П.С. Джони е прав, че е възможно и да си обръщат сами комутацията, като едното е главно, а другото - подчинено. Просто трябва да се знае как е направено на конкретните огледала.
snoopcar - помощник
Ще разгледам едното огледало по-добре,ще наравя някоя снимка ако трябва и ще пиша впечатления.
ditronix - специалист
За тази цел-прибиране на огледалата ти трябва комфорт-модул,какъвто се ползва за автоматично вдигане на стъклата при включване на алармата. Той си има ограничение на тока при достигане на крайно положение и няма опастност да изтърбушиш я моторче,я нещо друго!
sunny cd20 - помощник
Не е нужно да гледаш огледалото а модула за управление, ако си го взел от донра.Потърси и ел.схема на автомобила от нея ще разбереш как се управляват. :idea:
snoopcar - помощник
Най-после се наканих да се заема с огледалата.Разглобих едното и има микроключе което при разгънато и згънато положение на огледалото прекъсва верига(според мен е маса).Но при едната крайна точка на огледалото въпросното ключе не сработваше всеки път,и за това отпада от вариянт да се ползва.Отпада и вариянтът за оправление като при автомобила от които са взети огледалата поради:подмяна на няколко други части,съответно допълнително окабеляване,настройка през компютър на комфорт модул....

Замислил съм да ги направя с две релета със сухи контакти(четери на брой) както предложи Ники274.
Обаче има едно "но".Сигналът да речем ще се вземе от сигналът за отключване и заключване.Време на огледалата което им е нужно е 3-4 секунди.Какво трябва да е това реле или схема на накой кит е нужна.Като е добре при всеки сигнал времето да е еднакво точно,за да може огледалата да спират под един и същи ъгъл.
Някой ако има по добра идея моля да сподели.Поздрави!
AAsat - специалист
Въпроса с преработка на един модел кит е обсъждан в темата от линка:
viewtopic.php?f=41&t=38662
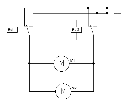
Моторчетата и релетата могат да се вържат по схемата по - долу.
Но като че ли е по - добре да се оправят изключвателите.

Прикачен файл

Rel.GIF
Rel.GIF (2.5 KиБ) Видяна 5002 пъти
disem - специалист
Колега, вземи си модул за управление на централно заключване. Продават ги за по 5 лв. Те управляват ел. мотора на машинките с обръщане на поляритета. Сигнала за задействане става с подаване на + или на - към модула. Времето за подаване на напрежение към мотора се увеличава или намалява е прекъсване на верига изкарана извън модула чрез кабелче което се срязва за по-дълъг импулс /3-4 секунди за автомобилите с вакуумно централно/.
snoopcar - помощник
Нзмерих управляващия модул за огледалата.Обозначенията са на първата снимка.
1.-за ключетата в огледалата,на този пин подават маса когато трябва да спрат.Тествах го,но нещо не сработва,четох някъде,че сигнала е цифров.
2.-сигнал маса(подаване/отрязване)
3.-ел.моторче +/-
4.-постоянна маса
5.-захранващи 12волта
6.-ел.моторче +/-

Ето как работи.Релето(така да го нарека) си има захранващи +/- (т.4,5) ,сменя поляритета на за моторчетата(т.3,6).
При подаване на маса към точка 2 релето пуска моторчето за 5 секунди,а при отрязване на същата маса се сменят поляритетите към ел.моторчето и съответно сигналът е отново 5 секунди.
Дали има някакъв вариант да се намали въпросното време от 5 секунди?
Схема не можах да намеря на самото устройство.

Изображение

Изображение

Изображение

Изображение

Изображение
  • 1
  • 2

Тема "Реле за време" | Включи се в дискусията:


Сподели форума:

Бъди информиран. Следвай "Направи сам" във Facebook:

Намери изпълнител и вдъхновения за дома. Следвай MaistorPlus във Facebook: