От мобилни телефони до цифрови камери
abcdefghijklmnopqrstuvwxz - майстор
sstefanov написа:
Управлението на транзистор с фотоклетка е проблема. От всички възможни начини този е може би най-неподходящия!

Трудно ще ме разбереш, защото за да ти го обясня ще трябва да ти обяснявам много неща, а нямам нито време, нито желание.
Напиши едно изречение де - може пък да те разбера. :partyman:
Може да не съм се сетил за нещо съществено.
Порових се и намерих няколко неща. За защитата ще направя стенд за маса, на който ще бъде сенника, а иначе в самите изследвания в документацията вече ще намеря най-подходящите място и ъгъл за датчика или каквото там си сложа.
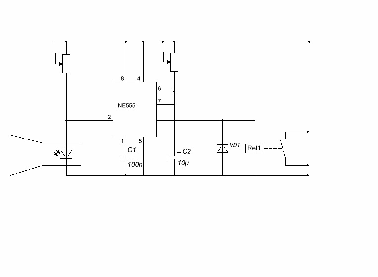
Това тук е една готова подобна схема, която се включва при намаляване на светлината. Това би ми било от полза за обратния ход.
Това фотореле пък също според мен има хляб в него, както и това реле.
Какво мислите? Това разбира се е по-лесния начин, направо готова схема.
Иначе за сензор намерих това.
zimel - специалист
Chandler написа:
Въпроса не е във фотосоларните стъкла. Просто искам това да направя, без значение дали е целесъобразно или не. Колега, zimel, дай малко повече инфо за тази клетка и как по-точно е мислиш, че може да се върже. Иначе за времезабавянето не е проблем да се направи с някое реле.
Понеже още не съм се научил да чертая схеми, едвали ще съм ти полезен в твоето начинание, просто изказах своето мнение.

А иначе, с риск да досадя на много съфорумници с моите ограничени възможности, бих казал:

Един чип 723, няколко пасивни елемента, ФОТОРЕЗИСТОР, транзистор и реле .

Не е необходимо закъснителната верига да е с отделно реле, това се прави още при управлението на ключовия транзистор- RC верига с резистор и кондензатор.

По този начин съм избягвал ефекта на "двууменето" , защото при бавна промяна на осветеността, в един момент фотоклетката започва да се колебае .... и се започва едно включване и едно изключване за определен период от време, докато настъпи период на стабилна работа.

Много харесвам старите списания , в тях човек може да научи много неща в тези модерни времена.

723 е интегрален стабилизатор на напрежение , но от него могат да се направят много неща и струва доста под един лев.

Ааа, извинявам се на корифеите , които не са съгласни с моето мнение.
Последна промяна от zimel на пет юли 15, 2011 8:03 pm, променено общо 1 път.
ben84 - специалист
С R1 регулираш чувствителността за да не сработва от улични лампи. Фото диода е в подходящ екран, който ограничава ъгъла на осветяване при който системата сработва, с R2 се регулира времето на закъснение за връщане на сенника.
Но си мисля, че е нужно някакво закъснение и при включване, щото случайни проблясъци може да има. Може би добър вариант ще е, схемата да чака 5-6 сек. преди да пусне сенника. След това за 15-тина мин. да реагира мигновено на осветяване и винаги да забавя вдигането на сенника. И пак едва ли би работила коректно в реални условия. Но на защитата, ще им вземеш акъла с безумните алгоритми :-D

ПП. Критика приемам всякаква :partyman:

Прикачен файл

cats.jpg
cats.jpg (26.18 KиБ) Видяна 2496 пъти
valat111 - специалист
Ще вземе акъла на някой насрещен тираджия вечер, а за алгоритмите...безумието е най-точна характеристика =D>
abcdefghijklmnopqrstuvwxz - майстор
ben84 написа:

ПП. Критика приемам всякаква :partyman:
Е щом приемаш - само дребни забележки. И релето да е с два девиаторни контакта за да се реверсира моторчето (предполагам че ще ползва моторче). Не знам какво мисли за спирането на моторчето (крайни изключватели, по време ли, по ток или др.) - това ми се вижда най-сериозния проблем като механика.

Прикачен файл

cats.jpg
cats.jpg (30.03 KиБ) Видяна 2483 пъти
8180 - майстор
Хайде, като ще "творим" колективно, да упомена.
Аз приемам нашето участие в обосноваването на едно коректно задание, пък дипломантът да го изпълнява и обосновава решенията си. Ще помагаме естествено, но да не става съвсем "наготово".
По повод закъснено или не включване от "проблясъци" - според мен те са по-гадни от постоянно осветяване, защото при тях окото още е настроено на предишната, по-ниска осветеност. Някакво минимално - да, по-скоро като филтър с/у споменатото "двоумене". Последното обаче, по-принцип се бори с хистерезис на превключващия елемент (компаратор).
За реакцията на окото и човека би могло да се понапишат 2-3 стр. в теоретичната част.

Нещо, което е по-важно и някак липсва дотук. Трябва да се избере задвижващият механизъм - най-вероятно реверсивен двигател.
Това също дава материал за теорет. част.
Схемите и съветите до тук са по-скоро за механизъм тип реле, което аз поне не знам дали може да се изпълни лесно. Та, обсъжданите схеми ще трябва евентуално да се допълнят с подходящ реверсиращ изход, а самият двигател с крайни изключватели.

Завързалата се по-горе дискусия за типа на сензора би могла да бъде една съществена част от теоретичната работа. Аз, доколкото разбрах имаме три варианта дотук - фотоволтаичен елемент, фотодиод с близка до окото характеристика (предложено от мен) и най-елементарен фотодиод от уличното осветление (например). Само да упомена, че съществуват и фототранзистори, и фоторезистори. Положително могат да се намерят и такива с подходящи лещи за по-концентрирано действие - евентуално от охранителни системи, но те не са във видимия спектър, което може да се окаже несъществено (аз-не знам, но ми струва много възможно, а евентуално би решило въпроса с насрещните фарове).
Първият елемент (активен), с който започна темата, бута нещата към управление с контролер, което пък би могло също да се оцени по-високо днес.
Дипломантът би могъл да се потруди добре върху този преглед и избор , ако решат с Ръководителя.
Макар лично да съм скептичен за полезността, оборудването на автомобилите със всевъзможни екстри си е една реална тенденция в конкурентната борба за повече продажби на по-висока цена в съвременната пазарна икономика. Може да се обоснове.
Успех.
Благодаря за отзивите и се изнвинявам, че ме нямаше тук 1-2 дена, но съм си на село :) Разбира се, че неискам всичко наготово, затова ще се постарая да участвам най-активно и разбира се да завърша готовия проект. Колкото до по-горните мнения - благодаря ви, в близките дни ще си поръчам част от нещата и до последно ще реша какво да използвам за четене на входа. Утре вероятно ще сваля някой сенник от стара кола и ще умувам маалко по него, като имам някакви конкретни неща и идеи ще постна тук. Поздрави
Minkov - специалист
Независимо от това, каква схема на фотореле ще се избере, мисля, че много трудно ще бъде избегнато фалшивото сработване/несработване. За това фотоприемника (какъвто и да е той) трябва да се постави в специална конструкция.
Аз лично бих експериментирал с по-дълга конусовидна тръба (или профил), чиято тясна част да се затвори и там да се монтира фотосензора, а отвора да се насочи по посоката на движение и леко нагоре.
В предвид това, че осветеността при която ще се работи е близка до праговите стойности на чувствителност, може би ще се наложи пред отвора да се монтира и полупропусклив на светлина материал, за да се търси работа на фотоприемника в по-линейната му област, което ще позволи да се правят по-прецизни настройки.
И все пак в този си вид всичко по тази тема си е "Направи сам". За нещо по-истинско, което би вършило работа, трябва да се имат в предвид много повече неща и всичко това трябва да се обработи и да се вкара в доста по-сложен алгоритъм. Не е достатъчно само това пердето да пада при няква пределна осветеност и да се вдига след известно време..... А за изпълнителния механизъм просто не ми се мисли, защото ако не е достатъчно бърз, няма смисъл да се прави.

Тема "Автоматичен (сензорен) сенник за автомобил" | Включи се в дискусията:


Сподели форума:

Бъди информиран. Следвай "Направи сам" във Facebook:

Намери изпълнител и вдъхновения за дома. Следвай MaistorPlus във Facebook: