От мобилни телефони до цифрови камери
ELEMENTAL - специалист
metero написа:
А удобно ли е да питам понякога подробности за него, че сега го почвам и губя много време...
Да, удобно е.
chefooff - помощник
Сетих се за друго приложение на пикото, като се надявам пак да ми помогнете. Идеята ми е да следя дали има напрежение в мрежата. Това, което съм измислил сам е: използвам адаптер, който намалява от 220 на 12V. След това използвам делител на напрежение с 10ком и 1ком, като напрежението става малко над 1V. То много хубаво но кагато изчезнат 12те волта, пак се започва със случайните стойности на входа на пикото. Иначе 3,3V се взимат от самият входящ порт, както и на входящите пинове може да се подаде максимално 3,3V.

Има ли начин да се комбинират нещата, та когато изчезнат 12те волта да не ми дава случайни стойности?

Благодаря Ви отново :)
lenko71 - специалист
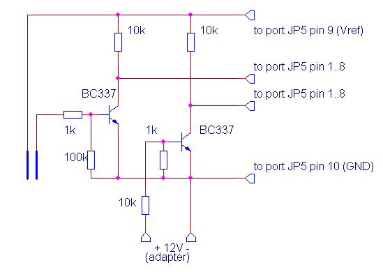
Ще ползвам и схемата на ELEMENTAL (надявам се да не се обиди. Не съм обърнал внимание че на порта има изведен Vref (PWR))
При наличие на контакт (вода) на изхода ще има ниско ниво и обратно: при липса на контакт --> високо ниво
При наличие на напрежение от адаптера - също ниско ниво и обратно...

Прикачен файл

Clipboard3.jpg
Clipboard3.jpg (21.33 KиБ) Видяна 3249 пъти
chefooff - помощник
Искам да попитам: може ли втория датчик да е отделен и как да стане това? Доколкото разбирам този датчик няма ли да работи само ако е сработил и другият? Може въпросите ми да са тъпи, но това е положението :(

Като казвам отделно имам в предвид без да минава през датчика за наличие на вода, просто да отчита наличието на 12теV и да дава някакъв волтаж при отсъствието му.

Малко остана ;)
lenko71 - специалист
Двата датчика са независими един от друг.
chefooff - помощник
Това го установих по империчен път :)

Благодаря ти ленко71!

Приятна вечер!

Тема "датчик за наличие на вода" | Включи се в дискусията:


Сподели форума:

Бъди информиран. Следвай "Направи сам" във Facebook:

Намери изпълнител и вдъхновения за дома. Следвай MaistorPlus във Facebook: