Здравейте
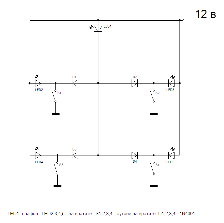
Идеята е да направя вратите на астрата да светят след като се отворят.
Проблемът е, че ако се вземе маса от бутоните на вратите като се отвори една врата ще светват всички.
Единствената идея която ми идва в момента е да сложа по още един бутон на всяка врата,но не ми се пробиват вратите или колонките.
Някой правил ли е нещо подобно и как?
Има автомобили с фабрични светлини във вратите, ако някой знае как е решено захранването нека сподели.
Писах и в опел форума, но въпросът според мен е повече за тук отколкото за там.
Идеята е да направя вратите на астрата да светят след като се отворят.
Проблемът е, че ако се вземе маса от бутоните на вратите като се отвори една врата ще светват всички.
Единствената идея която ми идва в момента е да сложа по още един бутон на всяка врата,но не ми се пробиват вратите или колонките.
Някой правил ли е нещо подобно и как?
Има автомобили с фабрични светлини във вратите, ако някой знае как е решено захранването нека сподели.
Писах и в опел форума, но въпросът според мен е повече за тук отколкото за там.
