Явно тия де ми го продадоха са я видели снимката мноо преди мен, оти ми отказаха гаранция за почернелото "очо"
Всички имаме коли, нали ?
gogo7777
- майстор
307 мнения в "Акумулаторът!"
hidrazin
- майстор
- Мнения: 26533
пет апр 04, 2025 8:55 amkozl написа: Не че е много съществено, но защо "Очото" на акумулатора не е зелено?Или топчето е изпаднало или се е заклещило и не може да изплува.
По-скоро второто. Понякога разклащане на акумулатора помага да изплува.
Има и вариант боклуци от разпада на плочите да го блокират.
пет апр 04, 2025 8:55 amkozl написа: На минусовата клема има има неква добавка, нещо като "ампермер".Това си е сензор за следене SOC (state of charge) и SOH (state of health) на акумулатора.
На твоята снимка не мога да видя точния модел но няма значение.
Вътре обикновено има платка с ТАКЪВ паяк + други елементи.
Работи по LIN протокол.
При колите със START/STOP система като изключиш кабелчето и системата спира да работи.
kozl
- майстор
- Мнения: 11648
Е писах ....
4 мм2 с переспектива за аудиото, некво JVC с мостови крайни стъпала.
Волтмера първо го закачих към запалката и почна да ми отчита пад от всеки включен консуматор, най-яко на тези, които бяха на този кръг
И после - 4 мм2, + аудиото, но като исках точни показания - волуме на мин
Сега на баничарката съм с МОЛЛ, но там се пъха в кутия и скрита картинка, па не помна имаше ли "Очо", немаше ли
4 мм2 с переспектива за аудиото, некво JVC с мостови крайни стъпала.
пет апр 04, 2025 10:01 amESPACE написа:Човек се учи докато е мъжпет апр 04, 2025 8:55 amkozl написа: Но пък за да заобиколя падовете на напрежение за волтмера, който вградих в таблото на 305 си изведох директно проводник 4мм2 от + на акумулатора.Кажи честно![]()
![]()
? За волтметър? Какви падове, какви 5лв
![]()
![]()
Волтмера първо го закачих към запалката и почна да ми отчита пад от всеки включен консуматор, най-яко на тези, които бяха на този кръг
И после - 4 мм2, + аудиото, но като исках точни показания - волуме на мин
kozl написа: Юни 2009 година качихме акумулатор 65Аh 540A на Монтана - необслужваем.Така с Монтанския, но с МОЛЛ-а, може би в електролита е отговора. Все пак това е акумулатор за старт/стоп система.
... зеленото оЧо стана черно, но напрежение държи, пали, продължава да служи.
...
Отворих капака с отвертка и гледам отдолу тапи, но тапите са без резба. Махнах ги и тях, а вътре - сух. Помислих си - гелов акумулатор, ама в една от клетките видях електролит. Дозаредих го със зарядното и с малка фунийка долях дейонизирана вода 1 см над пластините. За сега поне не е сдал, продължава да служи безпроблемно но оЧото си остана черно.
Обаче от долната страна на тапите на клетките имаше черен слой - вероятно оловен прах. Дали това не е сигнал за разпад на пластинитеИ дали точно тоя прах не се е полепил по топчето на оЧото и за туй то не е зелено
![]()
Сега на баничарката съм с МОЛЛ, но там се пъха в кутия и скрита картинка, па не помна имаше ли "Очо", немаше ли
Последна промяна от kozl на пет апр 04, 2025 11:16 am, променено общо 1 път.
hidrazin
- майстор
- Мнения: 26533
пет апр 04, 2025 6:28 amТрифон П.Трифонов написа: Не съвсем. Механичното реле, в едно с динамото, работи различно от алтернатор с електронен реле-регулатор.Къде съм споменавал динамо?
Говорих за алтернатор с механичен реле регулатор.
kr1100
- майстор
- Мнения: 5068
пет апр 04, 2025 8:55 amkozl написа: ...То и на ладата по спомени лампата в таблото и релерегулатора бяха свързани към 3-те диода. Но не мога да си спомня ладата купувана 1982г. дали беше оригинално с електронен релерегулатор или аз съм го подменил в последствиеПълен абсурд Лада 1982 г и електронен релебрегулатор, както и алтернатор с 9 диода. Алтернаторите за Лада ги произвеждаха в Сливен.![]()
Бошовския регулатор трябва да е бил с темп. компенсация
gogo7777
- майстор
hidrazin
- майстор
- Мнения: 26533
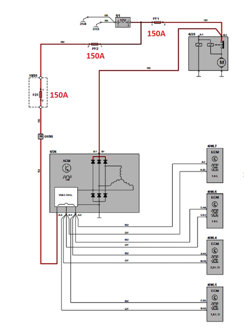
ср апр 02, 2025 8:17 pmkozl написа: Както искащ го цитирай, но няма защита по ток от алтернатора към акумулатора.
Оказа се че не винаги е така.
При мен по веригите между алтернатор, акумулатор и стартер има ТРИ бАшона по 150А ...
Както вече споменах алтернатора е 120А
А всяка електрическа машина - генератор, електродвигател, трансформатор ... търпи известно претоварване в зависимост от времето на претоварване.
Разбира се ако машината не е много китайска и по презумпция си работи претоварена.
В конкретния случай случай 150А са си точно 20% над тока 120А от алтернатора.
Прикачен файл:
Бушони 150А.jpg (96.42 KиБ) Видяна 883 пъти
P.S. Бааа... Покарай тая тема се зарових в "бумаги" които никога не съм използвал.
И да търся схеми които вероятно НИКОГА няма да ми потрябват.
Тема "Акумулаторът!" | Включи се в дискусията:
Сподели форума:
Бъди информиран. Следвай "Направи сам" във Facebook:
Намери изпълнител и вдъхновения за дома. Следвай MaistorPlus във Facebook:
Имаш нужда от подходящ професионалист за дома?
- Преустройство, ремонт и реновиране
- ↳ Вашите ремонти
- ↳ Кухня
- ↳ Баня
- ↳ Дневна
- ↳ Спалня
- ↳ Детска
- ↳ Градина
- ↳ Коридор
- ↳ Тераса и балкон
- Направи сам
- ↳ Направи сам
- ↳ Ремонтирай сам
- ↳ Къде е по-евтино?
- ↳ Дърводелство
- ↳ Ел. инструменти
- ↳ Металообработване
- ↳ Конкурс "Направи сам 2012"
- Строителство
- ↳ Всичко за вилата
- ↳ Къщи
- ↳ Саниране
- ↳ Хидроизолация
- ↳ Пасивни и нискоенергийни сгради
- Сухо строителство
- ↳ Окачени тавани
- ↳ Преградни стени и предстенни обшивки
- ↳ Сухи и повдигнати подове
- ↳ Декоративни елементи - колони, трегери, сводове и др.
- ↳ Всичко за гипскартона и гипсфазера
- Въпроси и Отговори
- ↳ Полезни съвети
- ↳ Автомобили
- ↳ Партньори
- ↳ Боядисване и Декориране
- ↳ Вентилация, климатици и термопомпи
- ↳ Водоснабдяване и канализация.
- ↳ Всичко за ремонта
- ↳ Електротехника
- ↳ Отопление
- ↳ Газификация
- ↳ Електроника и Схеми
- ↳ Газобетон
- ↳ От всичко по малко
- ↳ Компютри и периферия
- ↳ Уеб дизайн, PHP, MySQL, JavaScript, HTML..
- ↳ Мобилни устройства, GSM-и
- ↳ Нека се запознаем
- ↳ Recycle Bin
- Статии
- ↳ Практични решения
- ↳ Качване на снимки
- ↳ Какви статии искате?
- ↳ Готварство, туршии и зимнина
- ↳ Отмора и шеги
- ↳ От нищо нещо
- ↳ Не е за вярване
- ↳ Литература
- ↳ Връзки към Интересни сайтове
- Магазин
- ↳ Препоръки и Мнения за он-лайн магазина
- ↳ Крадeни инструменти !!!