• 1
  • 12
  • 13
  • 14
  • 15
  • 16
  • 46
Всички имаме коли, нали ?
onkelabg - специалист
Явно несьм обяснил правилно питането си.../или не сьм Ви разбрал/
Та...
Акумулатора е нов на 1г с /2г-гаранция/, необслужваем няма тапи/несьм погледнал/ още е гаранционен.
От края на 11.2014г-колата се не кара ,а отвреме на време се припалва, батерията е свалена и е в дом.условия.
Днес е закачих на колата и от 2 пьт запали, но окото ме притеснява,че е сьвсем малко/зелено/.
Питането ми е- могали така,както си е без да бучкам да тьрся дупки- Да го сложа на зарядното, и за колко време, да го вьзбудя.
Правилно или неправилно е това мое действие. Четох някьде,че може така с затворени капачки да се закачи на зарядно, тези акумулатори си имали ,дупки от кьдето да изпускат.
А нали и тези капачки сами по-себе си са с малки дупчици.
Ето го и старото/все още зареждащо/ зарядно, мисля че с /2- 3,5амп/ зарежда... :?

Прикачен файл

DSC_0009.jpg

Прикачен файл

зарядно.JPG
зарядно.JPG (20.81 KиБ) Видяна 2407 пъти

Прикачен файл

21012015082.jpg

Прикачен файл

21012015083.jpg
kozl - майстор
Еми неправилно си се изразил. Щом двигателя е запалил с този акумулатор, значи не е спаднал изтощен и няма нужда от възбуждане, а от дозареждане с ток и може би и с дестилирана вода. С дозареждането обаче с това неавтоматизирано зарядно ще се наложи да следиш напрежението на клемите да не надвишава 14,1-14,4 волта. Като достигне такова напрежение намаляваш (ако може) или спираш заряда. А проверката за гъстота и ниво на електролита няма как да стане без достъп до клетките.
И не знам кой го е произвел и ква е марка, но на мен на Монтанския му зачезна светлината в очото и от години я нема, а акумулатора още става за употреба, но е с намалял капацитет. Не върти както в първите си дни :sad:
А другия начин на зареждане е като го закачиш към инсталацията и се повозиш с колата2, 3 часа за по-сигурно, желателно извънградско.
jorkataG - специалист
onkelabg написа:
Явно несьм обяснил правилно питането си.../или не сьм Ви разбрал/
Та...
Акумулатора е нов на 1г с /2г-гаранция/, необслужваем няма тапи/несьм погледнал/ още е гаранционен.
От края на 11.2014г-колата се не кара ,а отвреме на време се припалва, батерията е свалена и е в дом.условия.
Днес е закачих на колата и от 2 пьт запали, но окото ме притеснява,че е сьвсем малко/зелено/.
Питането ми е- могали така,както си е без да бучкам да тьрся дупки- Да го сложа на зарядното, и за колко време, да го вьзбудя.
Правилно или неправилно е това мое действие. Четох някьде,че може така с затворени капачки да се закачи на зарядно, тези акумулатори си имали ,дупки от кьдето да изпускат.
А нали и тези капачки сами по-себе си са с малки дупчици.
Ето го и старото/все още зареждащо/ зарядно, мисля че с /2- 3,5амп/ зарежда... :?
Просто го дозареди тоя акумулатор и си карай спокойно. Следи очото/макар че тоя индикатор и ориентировъчен/. Сложи го да се зарежда примерно 5-6 часа и ще е готов /не на 100%/ но все пак готов. С тия запечатаните е малко по трудно, не ги обичам макар и моя сегашния да е такъв щото не може да се прегледа обстойно то обикновенно тия са с калций в сепараторите за да се намали изпарението и да се заздравят плочите. Не го отваряй и не пробивай нищо поне докато е в гаранция.
Зарядното май е респром или нещо от сорта аз имам подобно зарежда на 3 А а имам и по ново с "ИДИОтчета" то е на 4А и го оставям докато светне зелено. Заряда може да стигне и 15В но това не е проблем защото това е прав ток. Ако на кола стигне 15В сначи е изгърчял някой от диодите на плочката-ограничителен и тогава тока подаван от алтернатора вече не е прав а променлив и акумулатора завира.
teon - специалист
kozl написа:
С дозареждането обаче с това неавтоматизирано зарядно ще се наложи да следиш напрежението на клемите да не надвишава 14,1-14,4 волта.
...то зарядното си има автоматика...като зареди акумулатора изключва заряда и светва 'бялата' лампа-ЗАРЕДЕН...
kozl - майстор
Е щом е автоматично има си заместник да му купи вестник :lol:
Жорката това с ограничителните диоди не го схванах. На плочката има изправителни диоди, а стабилизиращ (ограничителен) има в реле-регулатора, който при някои алтернатори може и да е набутан в плочката. Ама ако се сдуха реле-регулатора няма контрол на напрежението и въпреки, че тока ще е изправен, е да ще се получи презаряд.
А ако окъсят изправителните диоди, тогава тока ще е с променлив поляритет и през половината период ще го зарежда, а през другата половина ще го разрежда с многократно по-голям ток и не е ясно дали по-бързо ще заври акумулатора или намотките на алтернатора :?
Ама от опит да споделя, че като подадохме ток на един варбург с обратен поляритет, по погрешка с преплетените кабели, варбурга запали - факт, но му изпуши алтернатора за секунди. И всичко туй стана, защото собственика на подаващия акумулатор каза, че на акумулатора му клемите са наобратно. И кой какво разбрал, те клемите разположени наобратно, но там де пише "+" си е плюс, ама от казано до разбрано и айде кабелите наопаки :lol: :lol: :lol: те на това му се вика "Мечешка услуга". Ама и такива неща се случват.
jorkataG - специалист
kozl на мойта каляска всичко е на едно - алтернатора е ДЕЛКО РЕМИ а колата е астра 1,7 дизеларка.и съм го разглабял та затова писах така НО наистина на всяка марка е различно.
А ако окъсят изправителните диоди, тогава тока ще е с променлив поляритет и през половината период ще го зарежда, а през другата половина ще го разрежда с многократно по-голям ток
Няма дя го зарежда а после да го разрежда а акумулатора ще се зарежда със около 15-20 волта пак с около 60-110 А но с променлив а не прав ток
kozl - майстор
Е Жорката ще ми обърнеш представите за тока. През полужителната полувълна ще се зарежда, а през отрицателната ко стаа :?
То има схеми на подобно действащи зарядни за акумулатори, ама изрязват само положителната вълна през един диод и по време на отрицателната акумулатора не се зарежда а през една ламБа паралелно закачена на акумулатора се разрежда. И на такова му викат импулсно зарядно с циклично действие - заряд/разряд.
Е ламБата свети и по време на заряда, ама нека да е светло :roll:
jorkataG - специалист
Може щом казваш аз съм работил с такива зарядни едни такива големи кутии дато бачкаха на 6/12/24в и до 20а - селенови и съм ги и отварял ама не видех "ламби" да светят еле пък да са вързани паралелно така че по време отрицателната полувълна да разреждат акумулатора.
И колко вата е лампата?
Подобно изпълнение можеш да си правиш в домашни условия ама ми покажи циклично-импулсно зарядно с ламба. Не се базикам а говоря сериозно. Не съм спец по тоците ама за акумулаторите мога да кажа че съм наясно и то доста. Знам какъв е ефекта от зареждане с прав и с променлив ток и цикличното/импулсно зарядно не разрежда с лампи.
Метода на заряд/разряд се получава с обръщане на поляритета за около 1/10 от времето тоест зарежда се с 5А за 10 секунди и се обръща поляритета 0,5А за 1 секунда.
kozl - майстор
Ето ти примерна схема. ЛамБата служи за товар, може и съпротивление да е. Каква да е крушката - зависи от мощността на трафа и напрежението му на вторичната намотка. Честотата на импулсите е 50 херца като на мрежовото напрежение.
Прикачен файл:
Impulsno zariadno s 1 D_728.jpg
Impulsno zariadno s 1 D_728.jpg (68.8 KиБ) Видяна 2415 пъти
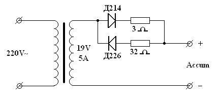
Junak - майстор
примерна схема

Прикачен файл

accumcharger8ov.jpg
accumcharger8ov.jpg (10.4 KиБ) Видяна 2413 пъти
  • 1
  • 12
  • 13
  • 14
  • 15
  • 16
  • 46

Тема "Обслужва ли се "необслужваемия" акумулатор" | Включи се в дискусията:


Сподели форума:

Бъди информиран. Следвай "Направи сам" във Facebook:

Намери изпълнител и вдъхновения за дома. Следвай MaistorPlus във Facebook: