• 1
  • 2
Всички имаме коли, нали ?
plamen6703 - майстор
gecatax написа:
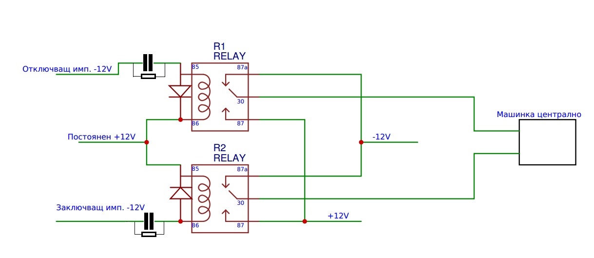
Да добавя до къде стигнах с разсъжденията.Мисля че няма да стане с машинка с 5 кабела, защото схемата която искам да ползвам с 2 релета се нуждае от импулс за да работи, а машинката с 5 кабела има едно ключе което има един нормално отворен и един нормално затворен контакт, което значи че при някое от положенията (откл. заклч.) ще отива постоянен сигнал до релетата, а не импулс.Та в случая май въпроса трябва да се промени на "Каква схема от релета би работила с машинка за централно с 5 кабела, за да може да се командват останалите машинки и да се откл. , закл. с ключа"
Поздрави!
Геца, нещата няма да станат по замисленият от теб начин. Опитах се в началото да те насоча към вариант, дори ти дадох линк :)
Ти държиш на някакви релета, защото ги имаш... въпроса е дали е целесъобразно да ги ползваш и другият въпрос е дали имаш подготовката в тази област да се справиш.
Няма смисъл да се занимаваш с импулси... избери най-простият начин, който ти показах...
Има и други начини, но трябва да отбираш от електроника или поне да знаеш колкото "алармаджия", че да се справиш.
На теб не ти трябва нищо, освен да пипнеш малко по инсталацията на автомобила :)
Другият вариант е да четеш мнения на хора, които нямат представа от електроника, но се вписват колко да кажат нещо, макар и в подкрепа на модератора, който едва ли има нужда от подкрепа :wink:
Успех! :partyman:
Hoвoceлckи - майстор
Не виждам кой-знае какъв професионализъм в това да копираш и пейстнеш някаква инструкция от Щайнбергер ООД
Не съм се занимавал с "централно заключване" и не мислех да се включвам. Замислих се поради "хвърлената ръкавица". Прекарваш през кондензатор. Да речем 100µF - нямам представа какъв ток задейства релето и каква трябва да е продължителността на импулса, така че - "с проба грешка". Резисторът е за саморазряд (може би 1КΩ).
Прикачен файл:
корекция з аимпуси.jpg
корекция з аимпуси.jpg (67.56 KиБ) Видяна 1144 пъти
  • 1
  • 2

Тема "Въпрос за централно заключване" | Включи се в дискусията:


Сподели форума:

Бъди информиран. Следвай "Направи сам" във Facebook:

Намери изпълнител и вдъхновения за дома. Следвай MaistorPlus във Facebook: