Търся си свестен шаблон за минификсове. Имате ли някаква добра идея?
Всичко за дърводелството
bgs
- помощник
57 мнения в "Шаблон за минификс"
- Мнения: 16185
Видиш ли отгоре бутон "Търсене"? Е, пиши там "минификс" и чети!
svetliopi44
- Чирак...
- Мнения: 2115
Да не те отчайвам ама читавите са си пари ,ако не се лъжа около300лв. Говоря ти за шаблон с вградени фрезери и всичко.
swetlio
- специалист
- Мнения: 68
а защо не си вземеш готов шаблон , струва около 4,50лв 
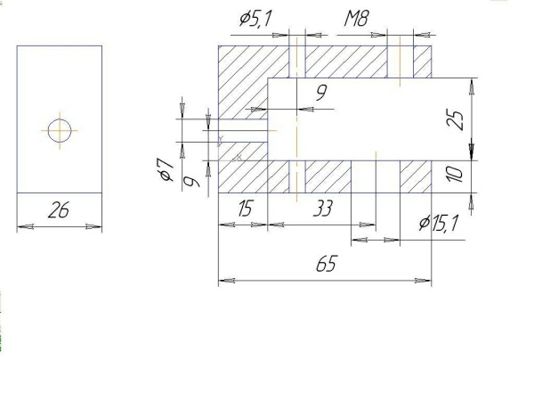
Става за минификсове и за монтаж на панти
http://www.hettich.com/blaetterkataloge ... erkatalog/
страница: 2.3.24 / 1734
от "Киров" в Люлин си го взех преди година
Става за минификсове и за монтаж на панти
http://www.hettich.com/blaetterkataloge ... erkatalog/
страница: 2.3.24 / 1734
от "Киров" в Люлин си го взех преди година
Прикачен файл
bk_86.jpg (53.78 KиБ) Видяна 28156 пъти
Прикачен файл
bk_87.jpg (49.28 KиБ) Видяна 28156 пъти
Тема "Шаблон за минификс" | Включи се в дискусията:
Сподели форума:
Бъди информиран. Следвай "Направи сам" във Facebook:
Намери изпълнител и вдъхновения за дома. Следвай MaistorPlus във Facebook:
Имаш нужда от подходящ професионалист за дома?
- Преустройство, ремонт и реновиране
- ↳ Вашите ремонти
- ↳ Кухня
- ↳ Баня
- ↳ Дневна
- ↳ Спалня
- ↳ Детска
- ↳ Градина
- ↳ Коридор
- ↳ Тераса и балкон
- Направи сам
- ↳ Направи сам
- ↳ Ремонтирай сам
- ↳ Къде е по-евтино?
- ↳ Дърводелство
- ↳ Ел. инструменти
- ↳ Металообработване
- ↳ Конкурс "Направи сам 2012"
- Строителство
- ↳ Всичко за вилата
- ↳ Къщи
- ↳ Саниране
- ↳ Хидроизолация
- ↳ Пасивни и нискоенергийни сгради
- Сухо строителство
- ↳ Окачени тавани
- ↳ Преградни стени и предстенни обшивки
- ↳ Сухи и повдигнати подове
- ↳ Декоративни елементи - колони, трегери, сводове и др.
- ↳ Всичко за гипскартона и гипсфазера
- Въпроси и Отговори
- ↳ Полезни съвети
- ↳ Автомобили
- ↳ Партньори
- ↳ Боядисване и Декориране
- ↳ Вентилация, климатици и термопомпи
- ↳ Водоснабдяване и канализация.
- ↳ Всичко за ремонта
- ↳ Електротехника
- ↳ Отопление
- ↳ Газификация
- ↳ Електроника и Схеми
- ↳ Газобетон
- ↳ От всичко по малко
- ↳ Компютри и периферия
- ↳ Уеб дизайн, PHP, MySQL, JavaScript, HTML..
- ↳ Мобилни устройства, GSM-и
- ↳ Нека се запознаем
- ↳ Recycle Bin
- Статии
- ↳ Практични решения
- ↳ Качване на снимки
- ↳ Какви статии искате?
- ↳ Готварство, туршии и зимнина
- ↳ Отмора и шеги
- ↳ От нищо нещо
- ↳ Не е за вярване
- ↳ Литература
- ↳ Връзки към Интересни сайтове
- Магазин
- ↳ Препоръки и Мнения за он-лайн магазина
- ↳ Крадeни инструменти !!!

