• 1
  • 5
  • 6
  • 7
  • 8
  • 9
  • 68
Всичко за дърводелството
bimbaeco - майстор
Добре, че ми каза. На четвъртата снимка си пише, че цангата е 6,35. Много ми заприличаха на твоята и изобщо не се бях загледал. Спести ми 90 лева, даже нямаше да питам продавача за размера.

Поразрових се и намерих планове за фрезата на Holzwerken, само че са на немски и не са за тази, за която бях писал по-горе. Тази изглежда е по-ранна версия. Все пак немците мерят в сантиметри и милиметри, та поне мерните единици няма нужда да си превеждаме (като с инчовете).
Обърнете внимание на плочата, която закрепят отзад. Не е обърнато много внимание на снимките, но тя служи за хоризонтално закрепяне на фреза с регулиране на височината. Не знам колко е пректично, но изглежда хитро решение.
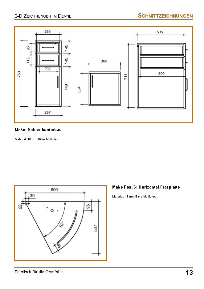
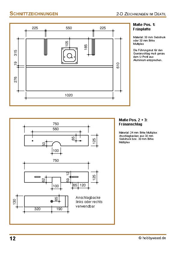
Не ми дава да прикача ПДФ файл, затова го прилагам като снимки.
Еди, ти каза, че смяташ да правиш хоризонтална фреза, какво мислиш за това решение?

Прикачен файл

Fraestisch_Page_01.jpg
Fraestisch_Page_01.jpg (80.91 KиБ) Видяна 4424 пъти

Прикачен файл

Fraestisch_Page_02.jpg

Прикачен файл

Fraestisch_Page_03.jpg

Прикачен файл

Fraestisch_Page_04.jpg
Fraestisch_Page_04.jpg (103.19 KиБ) Видяна 4424 пъти

Прикачен файл

Fraestisch_Page_05.jpg
Fraestisch_Page_05.jpg (116.25 KиБ) Видяна 4424 пъти
Последна промяна от bimbaeco на пон окт 07, 2013 9:19 pm, променено общо 2 пъти.
bimbaeco - майстор
Ето ги следващите снимки.

Прикачен файл

Fraestisch_Page_06.jpg
Fraestisch_Page_06.jpg (80.98 KиБ) Видяна 4423 пъти

Прикачен файл

Fraestisch_Page_07.jpg
Fraestisch_Page_07.jpg (91.13 KиБ) Видяна 4423 пъти

Прикачен файл

Fraestisch_Page_08.jpg
Fraestisch_Page_08.jpg (82.48 KиБ) Видяна 4423 пъти

Прикачен файл

Fraestisch_Page_09.jpg
Fraestisch_Page_09.jpg (101.35 KиБ) Видяна 4423 пъти

Прикачен файл

Fraestisch_Page_10.jpg
Fraestisch_Page_10.jpg (101.71 KиБ) Видяна 4423 пъти
bimbaeco - майстор
И последните.

Прикачен файл

Fraestisch_Page_11.jpg

Прикачен файл

Fraestisch_Page_12.jpg
Fraestisch_Page_12.jpg (61.43 KиБ) Видяна 4423 пъти

Прикачен файл

Fraestisch_Page_13.jpg
Fraestisch_Page_13.jpg (59.65 KиБ) Видяна 4423 пъти
EDI - майстор
Да, поразгледах снимките.Хитро е решението.И аз мислех нещо подобно да направя, но не с такова голямо рамо, а нещо по-малко с по-малък ход, и да не е закрепено на масата, а в отделна конструкция, но още не ми се е избистрило, не е ми е останало време.Не е лоша идеята да ползвам тялото на масата и за хоризонталната фреза - опростяват се нещата, ще я смятам.Зимата ще го мисля по-подробно, както вървят нещата за сега.
bimbaeco - майстор
Ето планове за фреза, която не изисква собствена маса и е идеално решение, ако трябва да работите на обект или ако работилницата ви е тясна.

Прикачен файл

01.jpg

Прикачен файл

02.jpg

Прикачен файл

03.jpg

Прикачен файл

04.jpg

Прикачен файл

05.jpg
bimbaeco - майстор
Втората част.

Прикачен файл

06.jpg

Прикачен файл

07.jpg

Прикачен файл

08.jpg

Прикачен файл

09.jpg

Прикачен файл

010.jpg
bimbaeco - майстор
И последните.

Прикачен файл

011.jpg

Прикачен файл

012.jpg
ZEDYCUS - майстор
Не е маса за фреза :razz: , но да покажа новата придобивка от битака. Имаше още нормални работни маси за по 20-на лева. Тази я пазарих за 25лв, има повдигане на височина и отделно накланяне на работната част с менгемето. -издържа 150кг. :partyman:

Прикачен файл

Работна маса.JPG
EDI - майстор
Хич не е зле масата, доста е стабилна, пък и има регулировка :partyman: .Аз имам една тъпа китайка, 25 пари чинеше нова, дето на третия път маховиците ми останаха в ръцете при затягане, та побългарявах нещата.Ама върши ми работа де, като рендосвам греди и дъски.
Тази малка масичка за фрезоване е идеална за майсторите паркетаджии, дето правят стъпала на стълби и други такива, ще си ги работят на място.
profesionalist_wood - майстор
ZEDYCUS написа:
Не е маса за фреза :razz: , но да покажа новата придобивка от битака. Имаше още нормални работни маси за по 20-на лева. Тази я пазарих за 25лв, има повдигане на височина и отделно накланяне на работната част с менгемето. -издържа 150кг. :partyman:
Модела е от 80-те години,дори днешните нямат такава опция за накланяне
  • 1
  • 5
  • 6
  • 7
  • 8
  • 9
  • 68

Тема "Маса за оберфреза" | Включи се в дискусията:


Сподели форума:

Бъди информиран. Следвай "Направи сам" във Facebook:

Намери изпълнител и вдъхновения за дома. Следвай MaistorPlus във Facebook: